电脑桌面
添加小米粒文库到电脑桌面
安装后可以在桌面快捷访问

建筑玻璃应用技术规程JGJ112009及相关规范内容解读VIP免费

建筑玻璃应用技术规程JGJ112009及相关规范内容解读_第1页
1/9
建筑玻璃应用技术规程JGJ112009及相关规范内容解读_第2页
2/9
建筑玻璃应用技术规程JGJ112009及相关规范内容解读_第3页
3/9
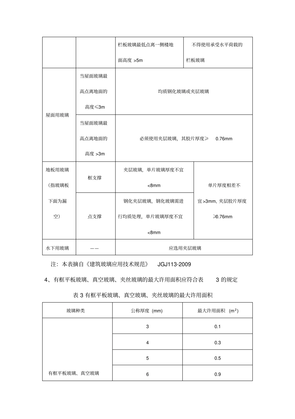
《建筑玻璃应用技术规程》JGJ113-2009 及相关规范内容解读2009 年 7 月 9 日住建部第 347 号公告批准《建筑玻璃应用技术规程》为行业标准,编号为 JGJ113-2009 ,自 2009 年 12 月 1 日起实施。其中,第 8.2.2 、9.1.2 条为强制性条文,必须严格执行。原《建筑玻璃应用技术规程》 JGJ113-2003同时废止。该标准实施半年来, 仍有相当多参建单位对规范内容掌握不透,导致工程实施 中 违 反 该 标 准 用 错 玻 璃 类 型 及 规 格 的 事 件 反 复 发 生 。笔 者 通 过 对 比JGJ113-2009 及 JGJ113-2003 、四部委联合下发的《建筑安全玻璃管理规定》、江苏省《铝合金门窗工程技术规程》DGJ 32/J07-2009 、《住宅工程质量通病控制标准》 DGJ32/J16-2005 等标准,就此次规范调整涉及部分内容解读如下:一、 门窗中常用玻璃种类:平板玻璃、中空玻璃、真空玻璃、钢化玻璃、夹层玻璃、夹丝玻璃、着色玻璃、镀膜玻璃、压花玻璃等。二、 安全玻璃1、安全玻璃: 是指符合现行国家标准的钢化玻璃、夹层玻璃及由钢化玻璃或夹层玻璃组合加工而成的其他玻璃制品,如安全中空玻璃。 单片半钢化玻璃 (热增强玻璃)、单片夹丝玻璃不属于安全玻璃。2、安全玻璃的最大许用面积应符合表1 的规定。表 1 安全玻璃最大许用面积玻璃总类公称厚度 (mm) 最大许用面积(m 2)钢化玻璃4 5 6 8 10 12 2.0 3.0 4.0 6.0 8.0 9.0 夹层玻璃6.38 、6.76 、7.52 8.38 、8.76 、9.52 3.0 5.0 10.38 、 10.76 、 11.52 12.38 、 12.76 、 13.52 7.0 8.0 注:本表摘自《建筑玻璃应用技术规范》JGJ113-2009 3、安全玻璃的选用,见表2 表 2 安全玻璃的选用应用部位应用条件玻璃种类、规格要求活动门、固定门用玻璃落地窗用玻璃有框应符合表 1 的规定无框应使用公称厚度不小于12mm 的钢化玻璃人员集中的公共场所、运动场所中装配室内隔断用玻璃有框应符合表 1 的规定, 且公称厚度不小于5mm 的钢化玻璃或公称厚度不小于6.38mm 的夹层玻璃无框应符合表 1 的规定,且公称厚度不小于10mm 的钢化玻璃;浴室内无框玻璃隔断应选用公称厚度不小于5mm 的钢化玻璃室内栏板用玻璃不承受水平荷载应符合表 1 的规定, 且公称厚度不小于5mm 的钢化玻璃或公称厚度不小于6.38mm 的夹层玻璃承受水平荷载应符合表 1 的规定,且公称厚度不小于12mm 的钢化玻璃或公称厚度不小于16.7...

1、当您付费下载文档后,您只拥有了使用权限,并不意味着购买了版权,文档只能用于自身使用,不得用于其他商业用途(如 [转卖]进行直接盈利或[编辑后售卖]进行间接盈利)。
2、本站所有内容均由合作方或网友上传,本站不对文档的完整性、权威性及其观点立场正确性做任何保证或承诺!文档内容仅供研究参考,付费前请自行鉴别。
3、如文档内容存在违规,或者侵犯商业秘密、侵犯著作权等,请点击“违规举报”。

碎片内容

建筑玻璃应用技术规程JGJ112009及相关规范内容解读

文库当当响+ 关注
实名认证
内容提供者

该用户很懒,什么也没介绍

确认删除?
VIP
微信客服
  • 扫码咨询
会员Q群
  • 会员专属群点击这里加入QQ群
客服邮箱
回到顶部