电脑桌面
添加小米粒文库到电脑桌面
安装后可以在桌面快捷访问

建筑电气工程检验批质量验收记录表VIP免费

建筑电气工程检验批质量验收记录表_第1页
1/28
建筑电气工程检验批质量验收记录表_第2页
2/28
建筑电气工程检验批质量验收记录表_第3页
3/28
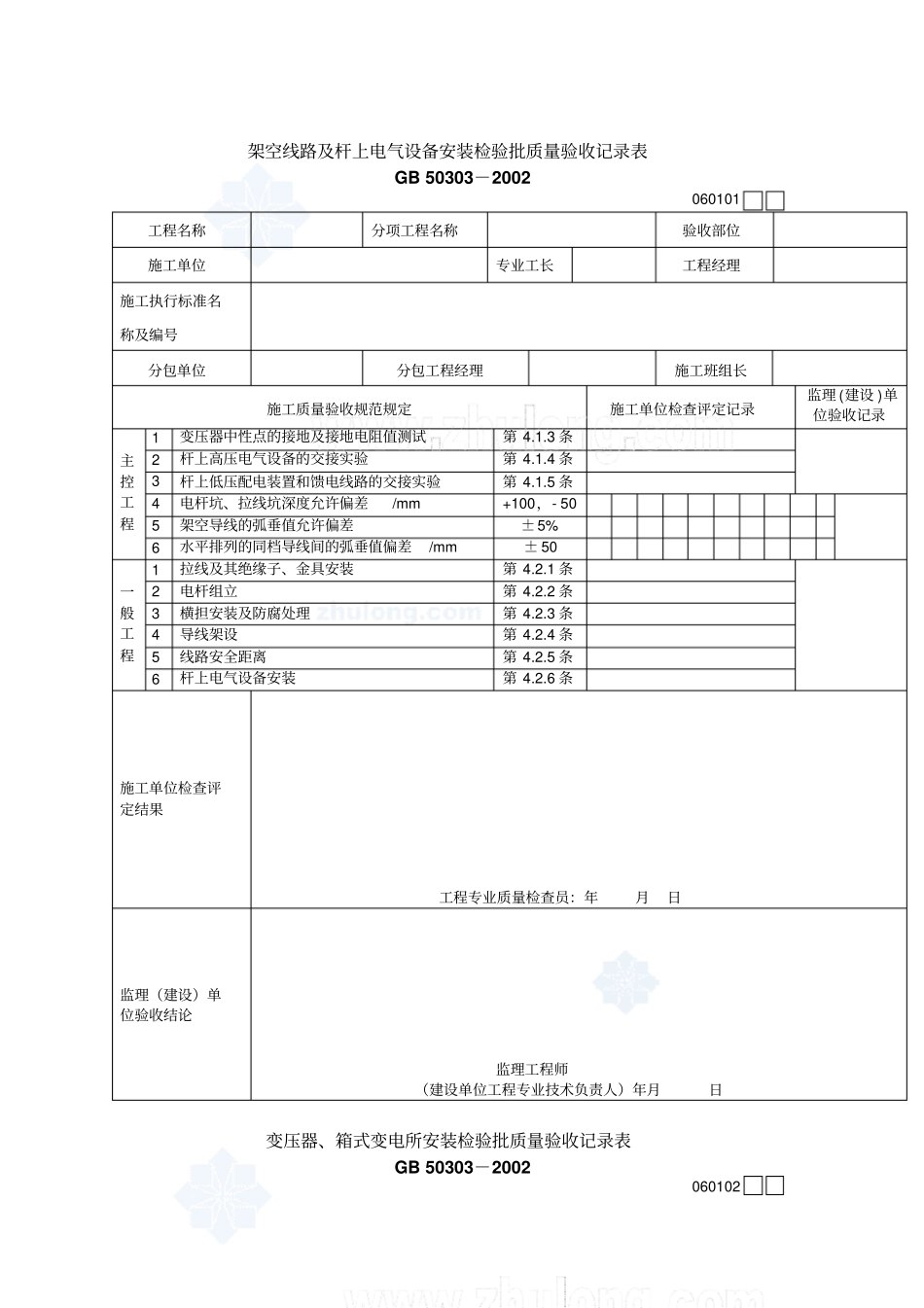
架空线路及杆上电气设备安装检验批质量验收记录表GB 50303-2002 060101 工程名称分项工程名称验收部位施工单位专业工长工程经理施工执行标准名称及编号分包单位分包工程经理施工班组长施工质量验收规范规定施工单位检查评定记录监理 (建设 )单位验收记录主控工程1 变压器中性点的接地及接地电阻值测试第 4.1.3 条2 杆上高压电气设备的交接实验第 4.1.4 条3 杆上低压配电装置和馈电线路的交接实验第 4.1.5 条4 电杆坑、拉线坑深度允许偏差/mm +100,- 50 5 架空导线的弧垂值允许偏差±5% 6 水平排列的同档导线间的弧垂值偏差/mm ± 50 一般工程1 拉线及其绝缘子、金具安装第 4.2.1 条2 电杆组立第 4.2.2 条3 横担安装及防腐处理第 4.2.3 条4 导线架设第 4.2.4 条5 线路安全距离第 4.2.5 条6 杆上电气设备安装第 4.2.6 条施工单位检查评定结果工程专业质量检查员:年月日监理(建设)单位验收结论监理工程师(建设单位工程专业技术负责人)年月日变压器、箱式变电所安装检验批质量验收记录表GB 50303-2002 060102 060201 工程名称分项工程名称验收部位施工单位专业工长工程经理施工执行标准名称及编号分包单位分包工程经理施工班组长施工质量验收规范规定施工单位检查评定记录监理 (建设 )单位验收记录主控工程1 变压器安装及外观检查第 5.1.1 条2 变压器中性点、箱式变电所N 和 PE母线的接地连接及支架或外壳接地第 5.1.2 条3 变压器的交接实验第 5.1.3 条4 箱式变电所及落地配电箱的固定及箱体接地或接零第 5.1.4 条5 箱式变电所的交接实验第 5.1.5 条一般工程1 有载调压开关检查第 5.2.1 条2 绝缘件和测温仪表检查第 5.2.2 条3 装有转件的变压器固定第 5.2.3 条4 变压器的器身检查第 5.2.4 条5 箱式变电所内外涂层和通风口检查第 5.2.5 条6 箱式变电所柜内接线和线路标记第 5.2.6 条7 装有气体继电器顶盖变压器的坡度(沿气体方向)1.0%~1.5% 施工单位检查评定结果工程专业质量检查员:年月日监理(建设)单位验收结论监理工程师(建设单位工程专业技术负责人)年月日成套配电柜、控制柜(屏、台)和动力、照明配电箱(盘)安装检验批质量验收记录表GB 50303-2002 (Ⅰ)高压开关柜060103 060202 060601 工程名称分项工程名称验收部位施工单位专业工长工程经理施工执行标准名称及编号分包单位分包工程经理施工班组长施工质量验收规范规定施工单位...

1、当您付费下载文档后,您只拥有了使用权限,并不意味着购买了版权,文档只能用于自身使用,不得用于其他商业用途(如 [转卖]进行直接盈利或[编辑后售卖]进行间接盈利)。
2、本站所有内容均由合作方或网友上传,本站不对文档的完整性、权威性及其观点立场正确性做任何保证或承诺!文档内容仅供研究参考,付费前请自行鉴别。
3、如文档内容存在违规,或者侵犯商业秘密、侵犯著作权等,请点击“违规举报”。

碎片内容

建筑电气工程检验批质量验收记录表

文库当当响+ 关注
实名认证
内容提供者

该用户很懒,什么也没介绍

确认删除?
VIP
微信客服
  • 扫码咨询
会员Q群
  • 会员专属群点击这里加入QQ群
客服邮箱
回到顶部