电脑桌面
添加小米粒文库到电脑桌面
安装后可以在桌面快捷访问

QC课题-地下车库地面施工质量控制VIP免费

QC课题-地下车库地面施工质量控制_第1页
1/11
QC课题-地下车库地面施工质量控制_第2页
2/11
QC课题-地下车库地面施工质量控制_第3页
3/11
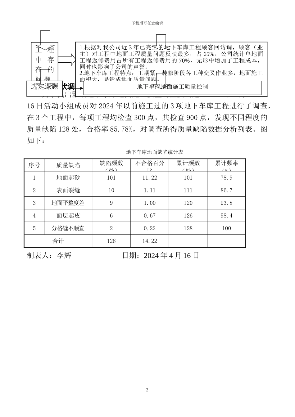
下载后可任意编辑地下车库地面施工质量控制高家岭城中村改造项目地下车库总建筑面积 12250㎡,地下一层为框架结构。由日照东港区秦楼街道高家岭村建设,日照市建筑设计讨论院设计,日照天泰建筑安装工程有限公司承建。一、小组概况小组名称:银河华府 B 区项目部 QC 小组 成员平均接受 TQC 教育:40 课时成立时间:2024 年 8 月 1 日 活动时间:2024.8.1-2024.9.15小组注册:2024 年 8 月 15 日 课题注册:2024 年 7 月 15 日 小组编号:TTJGQC-009 课题编号:2024-011 活动频数:月均 4 次 合理化建议:采纳实施 5 条小组成员:6 人 小组类型:现场型 小组概况表 表一序号姓名职称职务小组职务组内分工备注1焦安堂项目部负责人工程师组长组织协调2姚峰助工技术员组员对策实施3杨京锋助工技术员组员现场实施4陈波助工质检员组员现场实施5郭江梅助工资料员组员现场实施6韩美菊助工统计员组员现场实施二、选题理由1本工程合同对工程质量要求较高,施工合同明确写明确保“日照市港城杯”,力争“泰山杯”,未达到“港城杯”,则最低罚款 60 万元。合同要求公司要求本工程定为公司 11-12 年重点工程 ,必须按合同要求拿到“港城杯”,争创“泰山杯”。下载后可任意编辑三、现状调查为了找出影响地下车库地面施工质量的主要问题,2006 年 4 月 15 日-16 日活动小组成员对 2024 年以前施工过的 3 项地下车库工程进行了调查,在 3 个工程中,每项工程均检查 300 点,共检查 900 点,发现不同程度的质量缺陷 128 处,合格率 85.78%,对调查所得质量缺陷数据分析列表、图如下:地下车库地面缺陷统计表序号质量缺陷缺陷频数(处)不合格百分比累计频数(处)累计频率(%)1地面起砂10111.2210178.92表面裂缝101.1111186.73地面平整度差91.0012093.84面层起皮60.6712698.45分格缝不顺直20.22128100合计12814.22制表人:李辉 日期:2024 年 4 月 16 日21.根据对我公司近 3 年已完工的地下车库工程顾客回访调,顾客(业主)对工程中地面工程质量问题反映最多,占 65%,公司统计单地面工程返修费用占所有工程返修费用的 70%,无形中增加了工程成本,同时也影响了公司的声誉。2.地下车库工程特点:工期紧,装修阶段各工种交叉作业多,地面施工面积大,易造成地面质量问题。工 程中 存在 的问 题地下车库地面施工质量控制选定课题下载后可任意编辑制图:李辉 日期:2024 年 4 月...

1、当您付费下载文档后,您只拥有了使用权限,并不意味着购买了版权,文档只能用于自身使用,不得用于其他商业用途(如 [转卖]进行直接盈利或[编辑后售卖]进行间接盈利)。
2、本站所有内容均由合作方或网友上传,本站不对文档的完整性、权威性及其观点立场正确性做任何保证或承诺!文档内容仅供研究参考,付费前请自行鉴别。
3、如文档内容存在违规,或者侵犯商业秘密、侵犯著作权等,请点击“违规举报”。

碎片内容

QC课题-地下车库地面施工质量控制

确认删除?
VIP
微信客服
  • 扫码咨询
会员Q群
  • 会员专属群点击这里加入QQ群
客服邮箱
回到顶部