电脑桌面
添加小米粒文库到电脑桌面
安装后可以在桌面快捷访问

深层搅拌桩施工记录表VIP免费

深层搅拌桩施工记录表_第1页
1/8
深层搅拌桩施工记录表_第2页
2/8
深层搅拌桩施工记录表_第3页
3/8
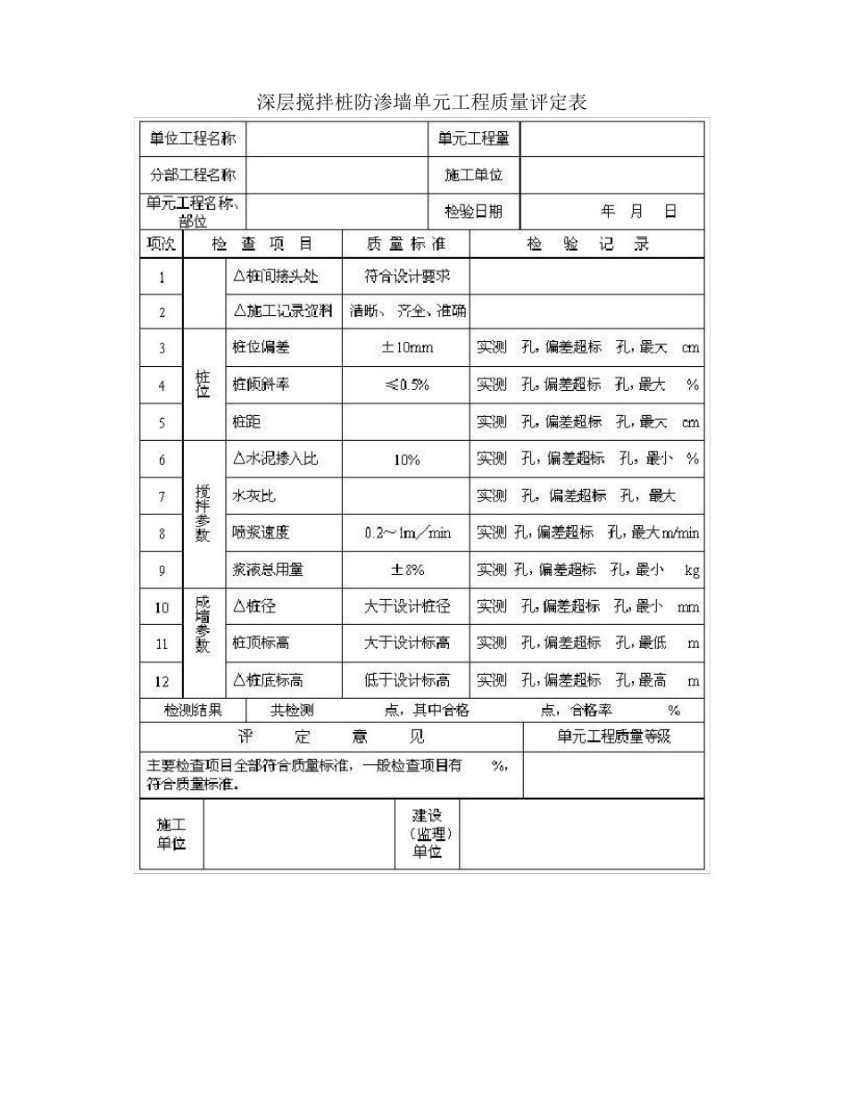
深 层 搅 拌 桩 防 渗 墙 单 元 工 程 质 量 评 定 表 填 表 说 明 填 表 时 必 须 遵 守 “填 表 基本规定 ”,并符合以下要求。 1、单 元 工 程 划分:以 20m 为一单 元 工 程 。 2、单 元 工 程 量 :按防 渗 墙 垂直投影面积(m2)。 3、填 表 依据:本表 依据各孔施工 纪录填 写,施工 单 位务必 做好施工 纪录,监理要认真检查。 4、各检查项目的质 量 标准:有明 确设计要求的以设计值为控制指标,无设计要求的以施工 规范控制。 5、单 元 工 程 质 量 标准:本单 元 主要检查项目全部符合质 量 标准的前提下,一般检查项目合格点数达 70%以上者评 为合格,一般检查项目合格点数达 90%以上者评 为优良。 水利水电工程 深层搅拌桩防渗墙单元工程质量评定表 表B.1 深层搅拌桩施工记录表 工程名称 水泥品种标号 水灰比 年 月 日 日期 桩号 施工工序 每 米 下 沉 或 提 升 时 间 开始时间 终止时间 工艺时间 来浆时间 停浆时间 总喷浆时间 总施工时间 材料用量 备注 1 2 3 4 5 6 7 8 9 10 11 12 13 14 15 预搅 下沉 喷浆 提升 重复 下沉 重复 提升 预搅 下沉 喷浆 提升 重复 下沉 重复 提升 预搅 下沉 喷浆 提升 重复 下沉 重复 提升 预搅 下沉 喷浆 提升 重复 下沉 重复 提升 班长 操机工 司泵工 记录员 表B.2 深层搅拌桩供浆记录表 工程名称 日期 桩号 输浆管道走浆时间 水泥品种及标号 拌灰罐数 每罐用量 水泥总用量(t) 外掺剂总用量(t) 开泵时间 停泵时间 总喷浆时间 泵前管内状态 泵后管内状态 备注 司泵工 表B.3 深层搅拌桩施工记录汇总表 工程名称 日期 桩号 桩长(m) 水泥用量(t) 水泥名称标号 外掺剂用量(kg) 总施工 时间 喷浆 时间 施工记录页数 备注 资料员 表B.4 深层搅拌水泥土防渗墙施工记录表 工程名称: 施工班组: 地面高程: 水泥品种标号 水灰比 孔深 日期 单元 序号 来浆时间 停浆时间 喷浆总时(分) 喷浆量 备注 (L) (KG) Ⅰ Ⅱ Ⅲ Ⅰ Ⅱ Ⅲ Ⅰ Ⅱ Ⅲ 班长: 记录: 队长: B.5 深层搅拌水泥土防渗墙制浆记录表 工程名称: 施工班组: 地面高程: 水泥标号 水灰比 加水量 加灰量 接班余浆量 交班余浆量 本班消耗水泥 序号 开始 结束 浆量 序号 开始 结束 浆量 合计用浆量: 记录:

1、当您付费下载文档后,您只拥有了使用权限,并不意味着购买了版权,文档只能用于自身使用,不得用于其他商业用途(如 [转卖]进行直接盈利或[编辑后售卖]进行间接盈利)。
2、本站所有内容均由合作方或网友上传,本站不对文档的完整性、权威性及其观点立场正确性做任何保证或承诺!文档内容仅供研究参考,付费前请自行鉴别。
3、如文档内容存在违规,或者侵犯商业秘密、侵犯著作权等,请点击“违规举报”。

碎片内容

深层搅拌桩施工记录表

您可能关注的文档

确认删除?
VIP
微信客服
  • 扫码咨询
会员Q群
  • 会员专属群点击这里加入QQ群
客服邮箱
回到顶部