电脑桌面
添加小米粒文库到电脑桌面
安装后可以在桌面快捷访问

混凝土拌和物质量检查记录表VIP专享VIP免费

混凝土拌和物质量检查记录表_第1页
1/22
混凝土拌和物质量检查记录表_第2页
2/22
混凝土拌和物质量检查记录表_第3页
3/22
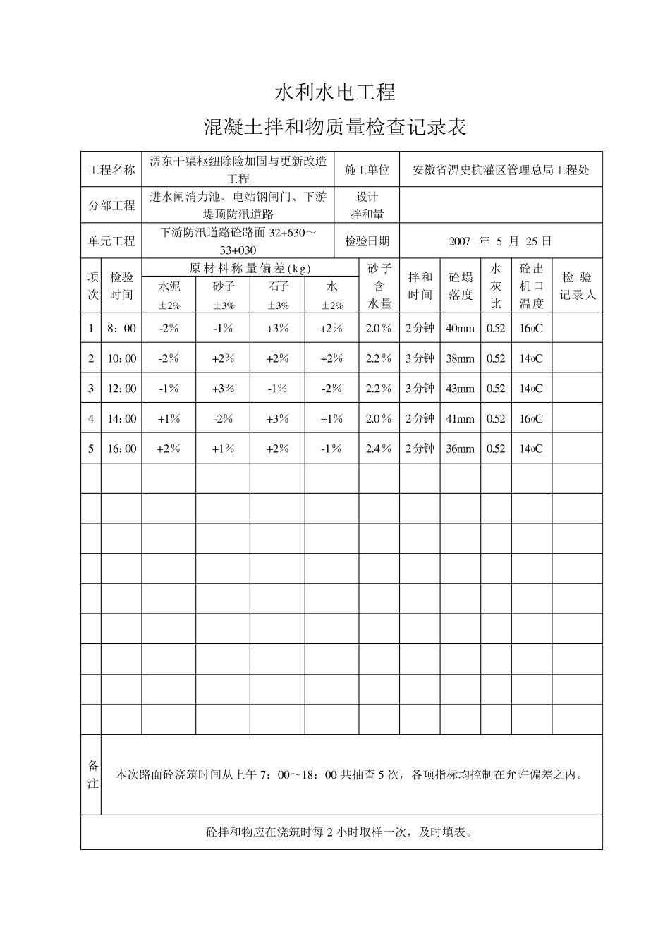
水利水电工程 混凝土拌和物质量检查记录表 工程名称 淠史杭灌区淠河总干渠五里墩大桥至华山路大桥段除险加固工程施工Ⅰ标 施工单位 安徽省淠史杭灌区管理总局工程处 分部工程 设计 拌和量 单元工程 检验日期 年 月 日 项次 检验时间 原材料称量偏差(kg) 砂子含 水量 拌和时间 砼塌落度m m 水灰比 砼出机口温度 检 验 记录人 水泥 ±2% 砂子 ±3% 石子 ±3% 水 ±2% 1 2 3 4 5 备注 砼拌和物应在浇筑时每 2 小时取样一次,及时填表。 水利水电工程 混凝土拌和物质量检查记录表 工程名称 淠东干渠枢纽除险加固与更新改造工程 施工单位 安徽省淠史杭灌区管理总局工程处 分部工程 进水闸消力池、电站钢闸门、下游堤顶防汛道路 设计 拌和量 单元工程 下游防汛道路砼路面32+230~32+630 检验日期 2007 年 5 月 21 日 项次 检验时间 原材料称量偏差(kg) 砂子含 水量 拌和时间 砼塌落度 水灰比 砼出机口温度 检 验 记录人 水泥 ±2% 砂子 ±3% 石子 ±3% 水 ±2% 1 8:00 -1% -2% +3% +1% 2.2% 2分钟 38m m 0.52 160C 2 10:00 -2% +2% +2% +2% 2.0% 2分钟 35m m 0.52 100C 3 12:00 -1% +1% -1% -2% 2.0% 3分钟 45m m 0.52 120C 4 14:00 +1% -2% +1% +1% 2.1% 2分钟 41m m 0.52 120C 5 16:00 +2% +1% +2% -1% 2.6% 2分钟 39m m 0.52 140C 备注 本次路面砼浇筑时间从上午 7:00~18:00 共抽查5 次,各项指标均控制在允许偏差之内。 砼拌和物应在浇筑时每 2 小时取样一次,及时填表。 水利水电工程 混凝土拌和物质量检查记录表 工程名称 淠东干渠枢纽除险加固与更新改造工程 施工单位 安徽省淠史杭灌区管理总局工程处 分部工程 进水闸消力池、电站钢闸门、下游堤顶防汛道路 设计 拌和量 单元工程 下游防汛道路砼路面32+630~33+030 检验日期 2007 年 5 月 25 日 项次 检验时间 原材料称量偏差(kg) 砂子含 水量 拌和时间 砼塌落度 水灰比 砼出机口温度 检 验 记录人 水泥 ±2% 砂子 ±3% 石子 ±3% 水 ±2% 1 8:00 -2% -1% +3% +2% 2.0% 2分钟 40m m 0.52 160C 2 10:00 -2% +2% +2% +2% 2.2% 3分钟 38m m 0.52 140C 3 12:00 -1% +3% -1% -2% 2.2% 3分钟 43m m 0.52 14...

1、当您付费下载文档后,您只拥有了使用权限,并不意味着购买了版权,文档只能用于自身使用,不得用于其他商业用途(如 [转卖]进行直接盈利或[编辑后售卖]进行间接盈利)。
2、本站所有内容均由合作方或网友上传,本站不对文档的完整性、权威性及其观点立场正确性做任何保证或承诺!文档内容仅供研究参考,付费前请自行鉴别。
3、如文档内容存在违规,或者侵犯商业秘密、侵犯著作权等,请点击“违规举报”。

碎片内容

混凝土拌和物质量检查记录表

确认删除?
VIP
微信客服
  • 扫码咨询
会员Q群
  • 会员专属群点击这里加入QQ群
客服邮箱
回到顶部