电脑桌面
添加小米粒文库到电脑桌面
安装后可以在桌面快捷访问

混凝土施工平行检验记录VIP专享VIP免费

混凝土施工平行检验记录_第1页
1/8
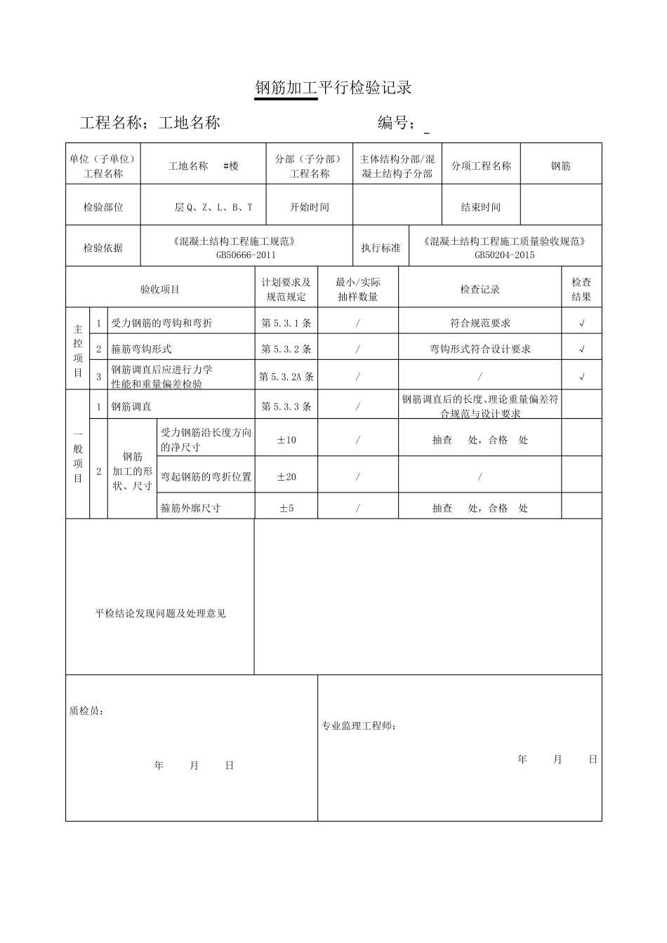
混凝土施工平行检验记录_第2页
2/8
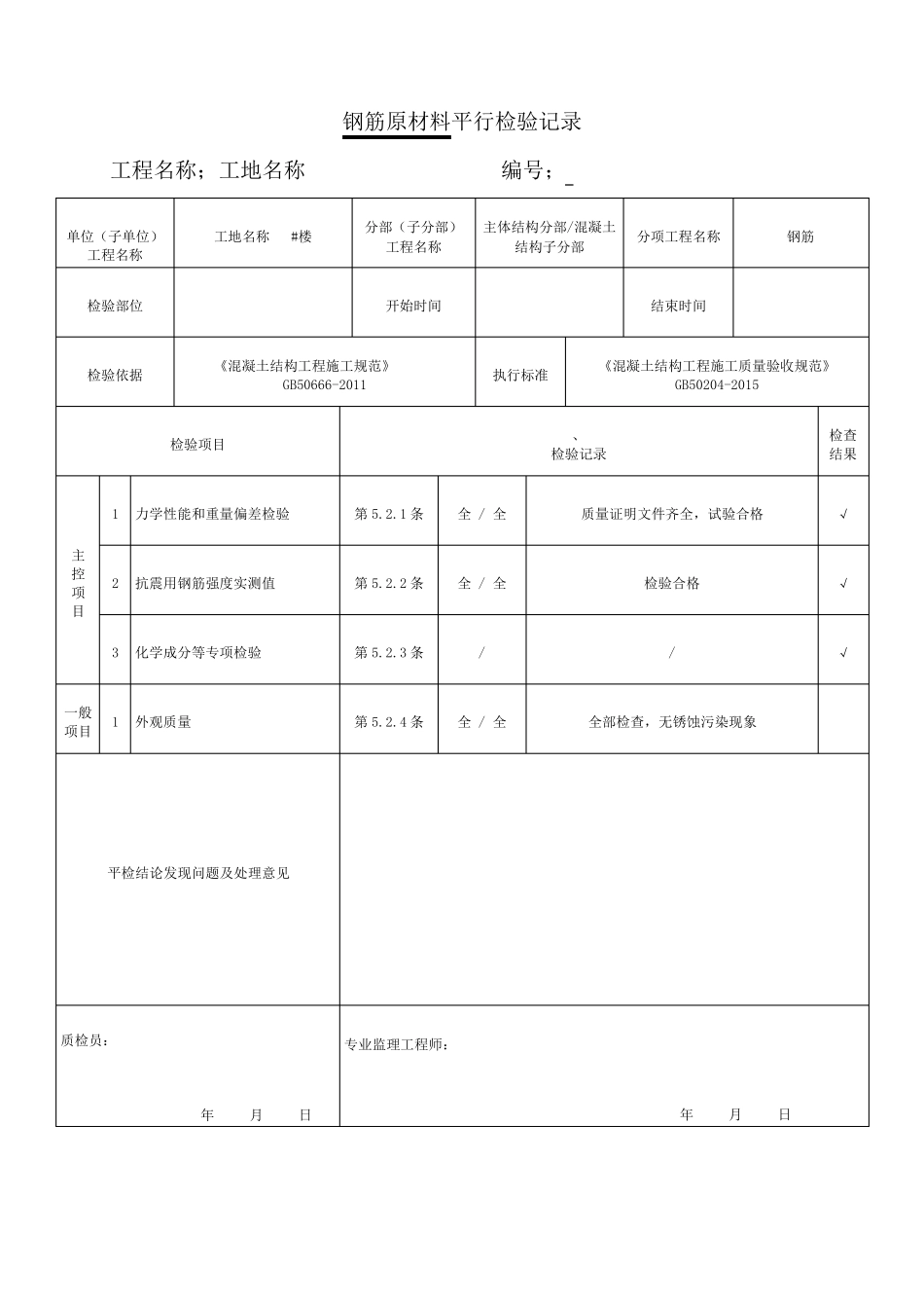
混凝土施工平行检验记录_第3页
3/8
模 板 安 装 平 行 检 验 记 录 工 程 名 称 ; 工 地 名 称 编 号 ; 单 位 ( 子 单 位 )工 程 名 称 工 地 名 称 #楼 分 部 ( 子 分 部 ) 工 程 名 称 主 体 结 构 分 部 /混 凝土 结 构 子 分 部 分 项 工 程 名 称 模 板 检 验 部 位 层 Q、 Z、 L、 B、 T 开 始 时 间 结 束 时 间 检 验 依 据 《 混 凝 土 结 构 工 程 施 工 规 范 》 GB50666-2011 执 行 标 准 《 混 凝 土 结 构 工 程 施 工 质 量 验 收 规 范 》GB50204-2015 平 行 检 验 项 目 检 验 记 录 检 查 结 果 主控 项目 1 模 板 支 撑 、 立 柱 位 置 和 垫 板 第 4.2.1 条 全 / 全 模 板 的 支 撑 系 统 稳 定 可 靠 , 立 柱 位 置 正 确 ,方 便 施 工 , 垫 板 设 置 规 范 2 避 免 隔 离 剂 沾 污 第 4.2.2 条 全 / 全 全 数 检 查 模 板 面 层 , 无 污 染 现 象 一 般 项 目 1 模 板 安 装 的 一 般 要 求 第 4.2.3 条 全 / 全 拼 缝 严 密 , 无 杂 物 , 隔 离 剂 涂 刷 层 均 匀 2 用 作 模 板 的 地 坪 、 胎 膜 质 量 第 4.2.4 条 / / / 3 模 板 起 拱 高 度 第 4.2.5 条 / / 4 预埋件、预留孔允许偏差 预 埋 钢 板 中 心线位 置 mm 3 / / / 预 埋 管、 预 留 孔 中 心线位 置mm 3 / / 插筋 中 心线位 置 mm 5 / / / 外露长度 mm +10, 0 / / / 预 埋 螺栓 中 心线位 置 mm 2 / / / 外露长度 mm +10, 0 / / / 预 留 洞 中 心线位 置 mm 10 / / / 尺寸mm +10, 0 / / / 5 模板安装允许偏差 轴线位 置 5 / 抽查 处, 合格 处 底模 上表面 标 高 mm ±5 / 抽查 处, 合格 处 / 截面 内部 尺寸mm 基础 ±10 / / 柱 、 墙、 梁 +4, -5 / 抽查 处, 合格 处 层 高 垂直度 mm 不大于 5m 6 / 抽查 处, 合格 处 大于 5m 8 / / / 相 邻 两 板 表面 高 低 差 mm 2 / 抽查 处, 合格 处 表面 平 整 度 mm 5 / 抽查 处, 合格 处 平 检 结 论 发 现 问 题 及 处理 意 见 质 ...

1、当您付费下载文档后,您只拥有了使用权限,并不意味着购买了版权,文档只能用于自身使用,不得用于其他商业用途(如 [转卖]进行直接盈利或[编辑后售卖]进行间接盈利)。
2、本站所有内容均由合作方或网友上传,本站不对文档的完整性、权威性及其观点立场正确性做任何保证或承诺!文档内容仅供研究参考,付费前请自行鉴别。
3、如文档内容存在违规,或者侵犯商业秘密、侵犯著作权等,请点击“违规举报”。

碎片内容

混凝土施工平行检验记录

确认删除?
VIP
微信客服
  • 扫码咨询
会员Q群
  • 会员专属群点击这里加入QQ群
客服邮箱
回到顶部