电脑桌面
添加小米粒文库到电脑桌面
安装后可以在桌面快捷访问

混凝土构件拆除VIP免费

混凝土构件拆除_第1页
1/11
混凝土构件拆除_第2页
2/11
混凝土构件拆除_第3页
3/11
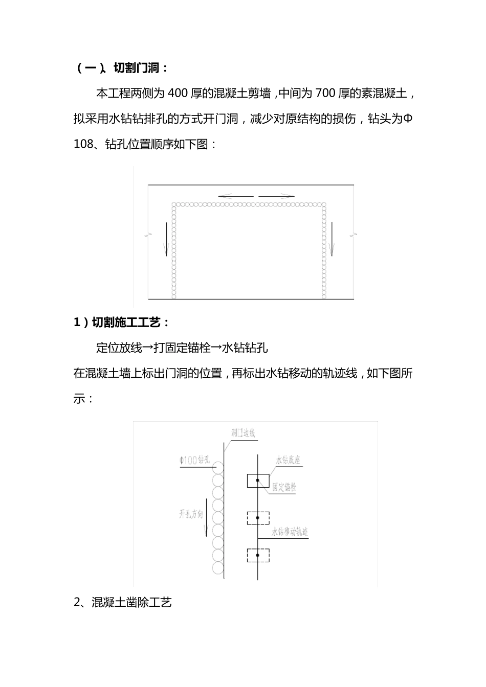
( 一 )、切割门洞: 本 工 程 两 侧 为 400 厚 的 混 凝 土 剪 墙 , 中 间 为 700 厚 的 素 混 凝 土 ,拟 采 用 水 钻 钻 排 孔 的 方 式 开 门 洞 , 减 少 对 原 结 构 的 损 伤 , 钻 头 为 Φ108、 钻 孔 位 置 顺 序 如 下 图 : 1) 切割施工工艺: 定 位 放 线 →打固定 锚栓→水 钻 钻 孔 在混 凝 土 墙 上标出门 洞 的 位 置 , 再标出水 钻 移动的 轨迹线 , 如 下 图 所示: 2、 混 凝 土 凿除工 艺 凿 除 混 凝 土 墙 体 保 护 层 →剥离第一层 钢筋→风钻钻孔→用钢钎剔除 混 凝 土 →剥离第二层 钢筋→风钻钻孔→再用钢钎剔除 混 凝 土 在水钻钻孔完成后,采用风镐、风钻及人工敲凿 粉碎砼块,同时及时清理产生的混 凝 土 垃圾,在门洞形成后留下锯齿型的断面应修平。 (三)拆除施工工艺 拆 除 顺 序 : 脚 手 架 搭 设 →墙体拆 除 →屋盖板拆 除 →梁拆 除 →柱拆 除 3.3.1 脚 手 架 搭 设 房屋外围搭 设 双排脚 手 架 ,外立杆间距 1200,高度应满足现场拆 除 施工的要求,超出屋面 1.5 米以上,立杆间距为1200,横杆间距为 1800,并设 置剪刀撑,外部挂安全网,如下图所示: 180018001800180018001800180012001200120012001200120012001200120012001200120012001200垃圾运输滑道11 脚手架示意图 为了确保拆 除 的建筑垃圾能及时运到地面,脚 手 架 上设置垃圾运输滑槽。 100*50木方钢管支架木工板900900 垃圾滑槽剖面图 3.3.2 墙 体 拆 除 墙 体 拆 除 时 如 下 图 所 示 , 墙 体 至 上 而 下 每 900 为 一 段 ,拆 除 第 一 段 前 , 先 将 1 号 和 2 号 平 台 搭 设 完 毕 , 第 一 段 拆 除时 , 垃 圾 通 过 滑 槽 运 至 地 面 并 及 时 外 运 , 第 一 段 墙 体 拆 除 后 ,将 1 号 平 台 移 至 3 号 平 台 处 , 继 续 拆 除 第 二 段 墙 体 , 依 次 类推 。 6.5290020090090090018001800一段二段三段四段五段1号平台2号平台3号平台4号平台5号平台墙体拆除示意图 脚手板墙体600900240 墙体拆除节点大样图 3.3.3 屋 盖 板 拆 除 屋 盖 楼 板 拆 除 前 , 先 搭 设 满 堂 脚 手 架 如 下...

1、当您付费下载文档后,您只拥有了使用权限,并不意味着购买了版权,文档只能用于自身使用,不得用于其他商业用途(如 [转卖]进行直接盈利或[编辑后售卖]进行间接盈利)。
2、本站所有内容均由合作方或网友上传,本站不对文档的完整性、权威性及其观点立场正确性做任何保证或承诺!文档内容仅供研究参考,付费前请自行鉴别。
3、如文档内容存在违规,或者侵犯商业秘密、侵犯著作权等,请点击“违规举报”。

碎片内容

混凝土构件拆除

您可能关注的文档

确认删除?
VIP
微信客服
  • 扫码咨询
会员Q群
  • 会员专属群点击这里加入QQ群
客服邮箱
回到顶部