电脑桌面
添加小米粒文库到电脑桌面
安装后可以在桌面快捷访问

管道防腐施工方案VIP免费

管道防腐施工方案_第1页
1/25
管道防腐施工方案_第2页
2/25
管道防腐施工方案_第3页
3/25
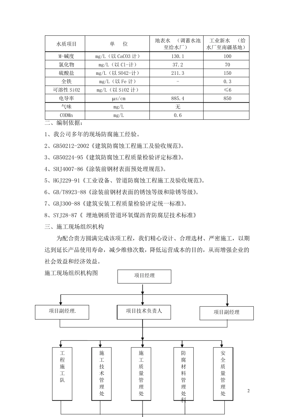
八钢公司南疆基地外部供水管道 防腐工程 施 工 方 案 编制单位:河南省神华建安工程有限责任公司 1 日期:2011 年5 月14 日 施工方案 序 言 我公司在认真阅读技术文件和对本工程现场实地勘察基础上,进行深刻地研究,针对本工程的特点、各项技术要求及我公司同类工程的施工经验,对本工程上述情况特编制如下施工方案: 一、工程概况: 八钢公司拟进行南疆基地外部供水管道工程的发包工作,本次发包施工内容主要包括调蓄水池(拜城县建设)至给水厂之间的双路供水管线(DN800),给水厂至南疆钢铁基地的双路供水管线(DN800)工程。本工程管道主材采用螺旋焊管(管道总长度约为 18km),由于钢管耐蚀性能相对较差,八钢公司要求管道内外壁必须进行防腐处理。 为保证管道防腐工程的施工质量,现对管道防腐工艺技术及防腐材料单独提出进行交流审查,要求各防腐施工单位或供应商依据本规定提供的相关参数制定详细的防腐施工工艺及防腐材料的选型 ,并 提交相应的资 质文件和业 绩 表 。 1、工作介 质及外部环 境 工作介 质为地表 水及工业 新 水,设计 水质条 件如下: 水质项目 单 位 地表 水 (调蓄水池至给水厂) 工业 新 水 (给水厂至南疆基地) pH 8.18 7~8 TDS mg/L 475.6 600 悬 浮 物 mg/L - 10 全 硬 度 mg/L(以 CaCO3 计 ) 330.3 150 Ca 硬 度 mg/L(以 CaCO3 计 ) 200.2 150 2 水质项目 单 位 地表水 (调蓄水池至给水厂) 工业新水 (给水厂至南疆基地) M-碱度 mg/L(以CaCO3 计) 130.1 100 氯化物 mg/L(以Cl-计) 37.2 70 硫酸盐 mg/L(以SO42-计) 211.3 150 全铁 mg/L(以Fe 计) - 0.3 可溶性SiO2 mg/L(以SiO2 计) ≤6 电导率 s/cm 885.4 850 气味 mg/L 无 CODMn mg/L 0.6 二、编制依据: 1、我公司多年的现场防腐施工经验。 2、GB50212-2002《建筑防腐蚀工程施工及验收规范》。 3、GB50224-95《建筑防腐蚀工程质量检验评定标准》。 4、SHJ4007-86《涂装前钢材表面预处理规范》。 5、HGJ229-91《工业设备、管道防腐蚀工程施工及验收规范》。 6、GB/T8923-88《涂装前钢材表面的锈蚀等级和除锈等级》。 7、GBJ300-88《建筑安装工程质量检验评定统一标准》。 8、SYJ28-87《 埋地钢质管道环氧煤沥青防腐层技术标准》 三、施工现场组织机构 为配合贵方圆满完成该项工程,我们精心设计、合理选...

1、当您付费下载文档后,您只拥有了使用权限,并不意味着购买了版权,文档只能用于自身使用,不得用于其他商业用途(如 [转卖]进行直接盈利或[编辑后售卖]进行间接盈利)。
2、本站所有内容均由合作方或网友上传,本站不对文档的完整性、权威性及其观点立场正确性做任何保证或承诺!文档内容仅供研究参考,付费前请自行鉴别。
3、如文档内容存在违规,或者侵犯商业秘密、侵犯著作权等,请点击“违规举报”。

碎片内容

管道防腐施工方案

您可能关注的文档

确认删除?
VIP
微信客服
  • 扫码咨询
会员Q群
  • 会员专属群点击这里加入QQ群
客服邮箱
回到顶部