电脑桌面
添加小米粒文库到电脑桌面
安装后可以在桌面快捷访问

复合风管施工方法和技术措施VIP免费

复合风管施工方法和技术措施_第1页
1/7
复合风管施工方法和技术措施_第2页
2/7
复合风管施工方法和技术措施_第3页
3/7
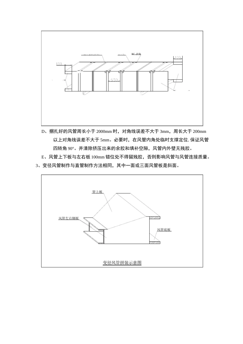
复合风管施工方法和技术措施第一节复合风管施工工艺和方法(一)、复合风管板的切割:1、切割线平直,风管板对角线长度误差应小于 5mm。梯阶线深度,25mm 厚的保温板18-21mm,18mm 厚的非保温板 11-14mm。切割线与板面必须成 90°角,为风管黑心角拼接成 90°角创造条件。2、异径风管板材的切割:先在风管板上划出切割线,然后用手提切割机切割如小于或大于 90°角的截面切割,其角度要正确,以保证拼接质量。(二)、风管制作方法:1、专用胶的配制:专用胶由粉剂 A 组和液剂 B 组二部份组成。为了运输方便,液剂是由片剂(粒剂)按说明书在现场配制。A 组与 B 组混合的重量比为 10:6 左右,搅拌后的专用胶不宜过稠有流动性为宜。采用电动搅拌机拌和,不得采用棒、手拌和。专用胶配制后要及时使用,如发现胶体过稠硬化,不能加液剂再稀释使用。舌 U 去左右板余料形成台梯型粘接面 B、在左右板台阶处敷上专用胶。胶要均匀、饱满、不缺浆。C、先将风管底面板放于组装架上。再将左右侧板插在底面板边沿,左右侧板与上下板对口纵向粘接方向错位 100mm,然后将上面板合入左右侧板间。先用口型箍定位,再用捆扎带将组合的风管捆扎紧。捆扎带间距 600mm 左右,捆扎带与风管四转角接合处应用 90°护角保护。■QIT风管左右侧□□冂型定位箍(角捆扎风管上下将风管上面板合于左右侧板间,然后用冂型定位箍定位,并用捆扎带紧D、捆扎好的风管周长小于 2000mm 时,对角线误差不大于 3mm,周长大于 200mm以上对角线误差不大于 5mm。必要时,在风管内角处临时支撑定位,保证风管四转角 90°。并清除挤压出来的余胶和填补空隙,风管内外壁无残胶。E、风管上下板与左右板 100mm 错位处不得留残胶,否则影响风管与风管连接质量。3、变径风管制作与直管制作方法相同,其中一面或三面风管板是斜面。4、三通风管的制作(蝴蝶三通)A、相同截面的三通制作:按图纸尺寸切割风管板,顺风方向设置 45°导流角,导流角的长度不得小于支风管宽度的二分之一。侧面板切割成台阶形,在台阶位置敷上专用胶,然后用捆扎带固定。清理余胶,填补空隙,放在平整处固化。B、相同截面的蝴蝶三通制作:按图切割风管板,侧面板用多块小板拼接而成。C、四通风管制作:四通风管参照三通风管制作方法。D、切割产生的边角小板可用专用胶拼接,用于边长小于 600mm 的风管。(三)、风管连接方法:1、风管连接采用专用胶粘接。侧板小块拼接三通风管上下板蝴蝶...

1、当您付费下载文档后,您只拥有了使用权限,并不意味着购买了版权,文档只能用于自身使用,不得用于其他商业用途(如 [转卖]进行直接盈利或[编辑后售卖]进行间接盈利)。
2、本站所有内容均由合作方或网友上传,本站不对文档的完整性、权威性及其观点立场正确性做任何保证或承诺!文档内容仅供研究参考,付费前请自行鉴别。
3、如文档内容存在违规,或者侵犯商业秘密、侵犯著作权等,请点击“违规举报”。

碎片内容

复合风管施工方法和技术措施

wxg+ 关注
实名认证
内容提供者

该用户很懒,什么也没介绍

相关文档

确认删除?
VIP
微信客服
  • 扫码咨询
会员Q群
  • 会员专属群点击这里加入QQ群
客服邮箱
回到顶部