电脑桌面
添加小米粒文库到电脑桌面
安装后可以在桌面快捷访问

微机接口技术综合题解答VIP免费

微机接口技术综合题解答_第1页
1/6
微机接口技术综合题解答_第2页
2/6
微机接口技术综合题解答_第3页
3/6
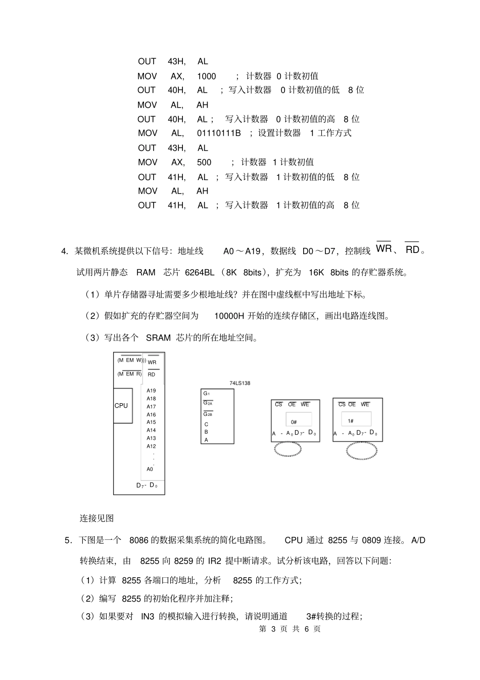
第 1 页 共 6 页2. 8255A 与开关 K1 、K2 及发光管 L1 、L2 的连接如下图所示,试回答下列问题:① 当 A15 ~A2=11000011101011 时,译码电路输出为低电平0,系统不用中断,请写出 8255A 的 4 个端口地址。② 确定 8255 的 A 口和 B 口的工作方式。③ 要求当 K1 闭合时 L1 灯点亮, K1 短开时 L1 熄灭;当 K2 闭合时 L2 灯点亮,K2 短开时 L2 熄灭,分别写出初始化程序段和控制程序段。解:(1)由 A15~A2=11000011101011,可知 A 口地址为: OC3ACH, B 口地址为: OC3AEH, C 口地址为: OC3ADH, 控制口 D 地址为: OC3AFH (2) A 口:工作于方式0 输出;B 口工作方式0 输入(3)初始化程序:MOV DX ,0C3AFH MOV AL ,82H OUT DX , AL ;写 8255 的控制字AA : MOV DX ,0C3AEH IN AL ,DX ;读 B 口的内容MOV DX ,0C3ACH OUT DX ,AL ;送数据到A 口CALL DELAY ;调用延时子程序第 2 页 共 6 页JMP AA 3.某 8 位 CPU 控制系统,要用8253 生成周期为0.2s 的时钟信号供外设使用,设系统可以提供的时钟频率是2.5MHZ,8253 的端口地址是40H~43H。问:①根据题意分析计算,设计出8253 硬件电路?② 根据所设计的硬件电路进行8253 初始化编程。解:①根据题意分析,计算计数初值N:N = f cl k/ fout = 2.5MHZ/5HZ=500000 500000>65536(最大计数初值) ,所以要两个计数器级联使用。设计数器 0 和计数器 1 级联使用,电路图如下:⋯⋯②初始化编成:计数器 0、1 工作在方式3,都采用 BCD 码计数,初始值分别为:1000 和 500。即: 1000×500=500000 初始化编成参考代码:MOV AL, 00100111B ;设置计数器0 工作方式第 3 页 共 6 页OUT 43H, AL MOV AX, 1000 ; 计数器 0 计数初值OUT 40H, AL ;写入计数器0 计数初值的低8 位MOV AL, AH OUT 40H, AL ; 写入计数器0 计数初值的高8 位MOV AL, 01110111B ;设置计数器1 工作方式OUT 43H, AL MOV AX, 500 ;计数器 1 计数初值OUT 41H, AL ;写入计数器1 计数初值的低8 位MOV AL, AH OUT 41H, AL ;写入计数器1 计数初值的高8 位4.某微机系统提供以下信号:地址线A0 ~A19 ,数据线 D0 ~D7,控制线 WR 、 RD 。试用两片静态RAM 芯片 6264BL (8K 8bits),扩充为16K 8bits 的存...

1、当您付费下载文档后,您只拥有了使用权限,并不意味着购买了版权,文档只能用于自身使用,不得用于其他商业用途(如 [转卖]进行直接盈利或[编辑后售卖]进行间接盈利)。
2、本站所有内容均由合作方或网友上传,本站不对文档的完整性、权威性及其观点立场正确性做任何保证或承诺!文档内容仅供研究参考,付费前请自行鉴别。
3、如文档内容存在违规,或者侵犯商业秘密、侵犯著作权等,请点击“违规举报”。

碎片内容

微机接口技术综合题解答

文库当当响+ 关注
实名认证
内容提供者

该用户很懒,什么也没介绍

确认删除?
VIP
微信客服
  • 扫码咨询
会员Q群
  • 会员专属群点击这里加入QQ群
客服邮箱
回到顶部