电脑桌面
添加小米粒文库到电脑桌面
安装后可以在桌面快捷访问

200乳化液泵使用说明书VIP免费

200乳化液泵使用说明书_第1页
1/8
200乳化液泵使用说明书_第2页
2/8
200乳化液泵使用说明书_第3页
3/8
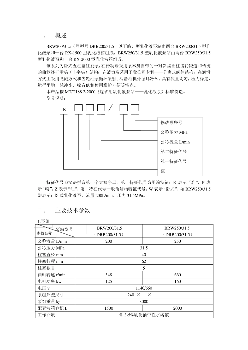
泵站型号 参数名称 一. 概述 BRW200/31.5(原型号 DRB200/31.5,以下略)型乳化液泵站由两台 BRW200/31.5 型乳化液泵和一台 RX-1500 型乳化液箱组成。BRW250/31.5 型乳化液泵站由两台 BRW250/31.5型乳化液泵和一台 RX-2000 型乳化液箱组成。 该系列为卧式五柱塞往复泵,在传动端采用泵本身自带的一对斜齿圆柱齿轮减速和传统的曲柄连杆滑头(十字头)结构;在液力端采用了我公司专利——分离式阀体结构;在润滑方式上采用飞溅方式和齿轮油泵循环喷射;润滑油机外循环冷却。具有流量均匀,压力稳定,运行平稳,脉冲小,噪音低和使用维护方便等特点。 本产品按 MT/T188.2-2000《煤矿用乳化液泵站——乳化液泵》标准制造。 型号说明: 特征代号为汉语拼音第一个大写字母。第一特征代号为用途特征:R 表示“乳”,P 表示“喷”,Z 表示“注”。第二特征代号一般为结构特征代号,W 表示“卧式”。如BRW250/31.5即表示:卧式乳化液泵,流量 200L/min,压力 31.5MPa。 二. 主要技术参数 1.泵组 BRW200/31.5 (DRB200/31.5) BRW250/31.5 (DRB200/31.5) 公称流量 L/min 200 250 公称压力 MPa 31.5 柱塞直径mm 40 柱塞行程mm 62 柱塞数目 5 曲轴转速 r/min 548 660 电机功率kw 125 160 电压 v 1140/660 泵组外型尺寸 2400×960×1100 泵组重量 kg 3000 配套液箱容积 L 1500 2000 工作介质 含 3-5%乳化油中性水溶液 B 修改顺序号 公称压力 MPa 泵 第一特征代号 第二特征代号 公称流量 L/min 2. RX-1500 型乳化液箱: 液箱有效容积:1500L 吸液过滤精度:473μ M 高压过滤精度:40μ M 工作介质:含3~5%乳化油的中性水溶液 外形尺寸:2850ⅹ950ⅹ1160 重量:1000Kg 吸液口:通过供液阀门与Ф 76吸液软管连接。 高压过滤进口:与 32通径 K型高压软管(KJR32-32)连接。 泵卸载回液口:与 50通径 K型高压软管(KJR50-8)连接。 向支架系统供液:(高压供液出口)在交替阀上通过出口截止球阀与 32通径 K型高压软管(KJR32-32)连接。 支架系统回液口:与 B40型高压软管连接。 配液口:与 19通径 K型高压软管(KJR19-32)连接。 三.结构说明 1.机械传动部分: 本系列乳化液泵卧式五柱塞往复泵。由卧式四极防爆电动机驱动,经联轴器和一级斜齿圆柱齿轮减速后带动曲轴旋转,再经过连杆滑块机构使曲轴的旋转运动转变为柱塞的直线往复运动。 曲轴以两...

1、当您付费下载文档后,您只拥有了使用权限,并不意味着购买了版权,文档只能用于自身使用,不得用于其他商业用途(如 [转卖]进行直接盈利或[编辑后售卖]进行间接盈利)。
2、本站所有内容均由合作方或网友上传,本站不对文档的完整性、权威性及其观点立场正确性做任何保证或承诺!文档内容仅供研究参考,付费前请自行鉴别。
3、如文档内容存在违规,或者侵犯商业秘密、侵犯著作权等,请点击“违规举报”。

碎片内容

200乳化液泵使用说明书

您可能关注的文档

确认删除?
VIP
微信客服
  • 扫码咨询
会员Q群
  • 会员专属群点击这里加入QQ群
客服邮箱
回到顶部