电脑桌面
添加小米粒文库到电脑桌面
安装后可以在桌面快捷访问

MSP430[比较器_A]实现电压、电流、电容、电阻测量VIP免费

MSP430[比较器_A]实现电压、电流、电容、电阻测量_第1页
1/16
MSP430[比较器_A]实现电压、电流、电容、电阻测量_第2页
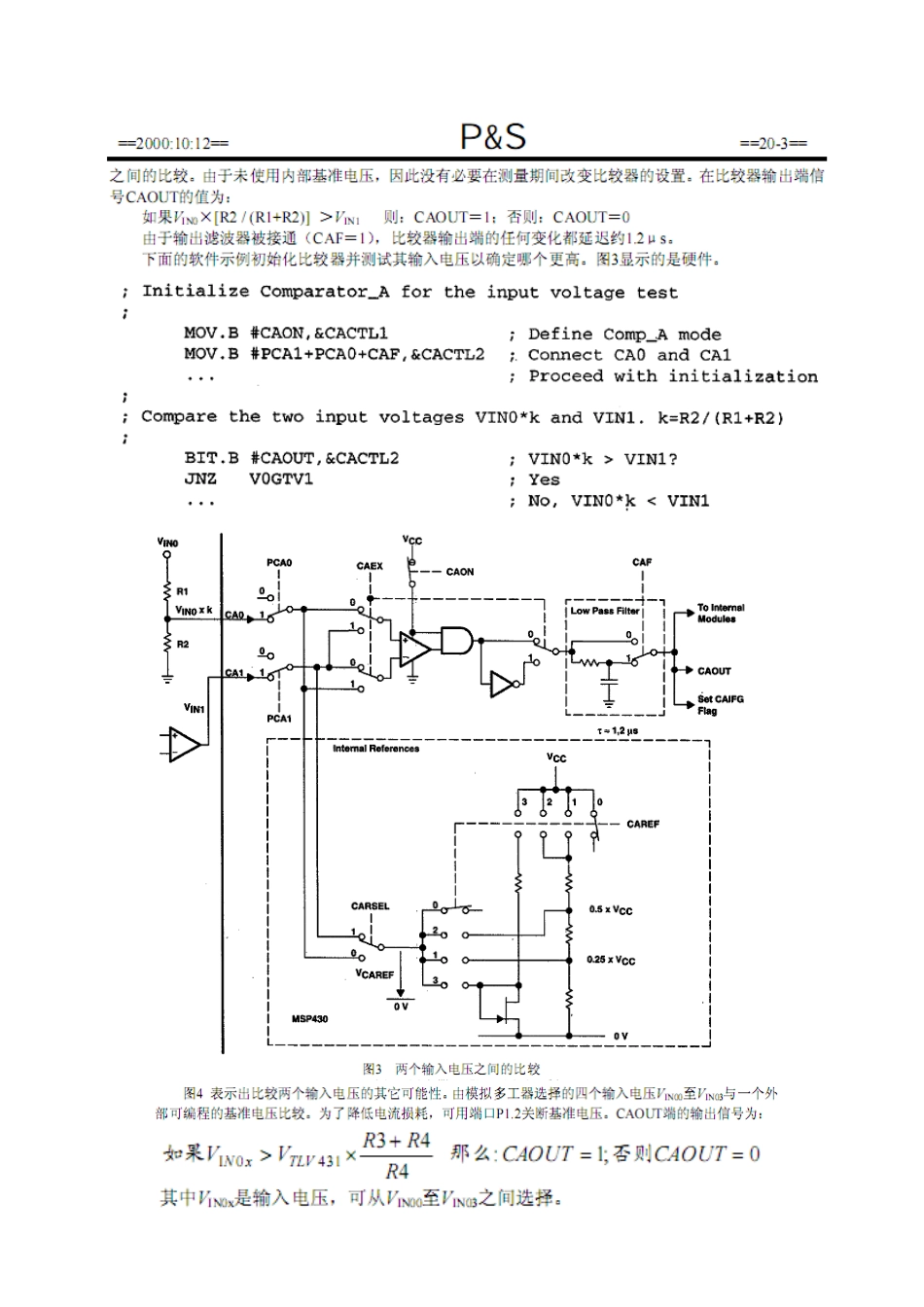
2/16
MSP430[比较器_A]实现电压、电流、电容、电阻测量_第3页
3/16
注:原文为武汉力源电子股份有限公司译制。由于其使用专用 PDF 阅读器,本人将其作为DOC 文档方便大家学习,由此引起之版权争论,与本人无关。

1、当您付费下载文档后,您只拥有了使用权限,并不意味着购买了版权,文档只能用于自身使用,不得用于其他商业用途(如 [转卖]进行直接盈利或[编辑后售卖]进行间接盈利)。
2、本站所有内容均由合作方或网友上传,本站不对文档的完整性、权威性及其观点立场正确性做任何保证或承诺!文档内容仅供研究参考,付费前请自行鉴别。
3、如文档内容存在违规,或者侵犯商业秘密、侵犯著作权等,请点击“违规举报”。

碎片内容

MSP430[比较器_A]实现电压、电流、电容、电阻测量

确认删除?
VIP
微信客服
  • 扫码咨询
会员Q群
  • 会员专属群点击这里加入QQ群
客服邮箱
回到顶部