电脑桌面
添加小米粒文库到电脑桌面
安装后可以在桌面快捷访问

2024年道路工程劳动力、机械设备和材料投入计划VIP专享VIP免费

2024年道路工程劳动力、机械设备和材料投入计划_第1页
1/6
2024年道路工程劳动力、机械设备和材料投入计划_第2页
2/6
2024年道路工程劳动力、机械设备和材料投入计划_第3页
3/6
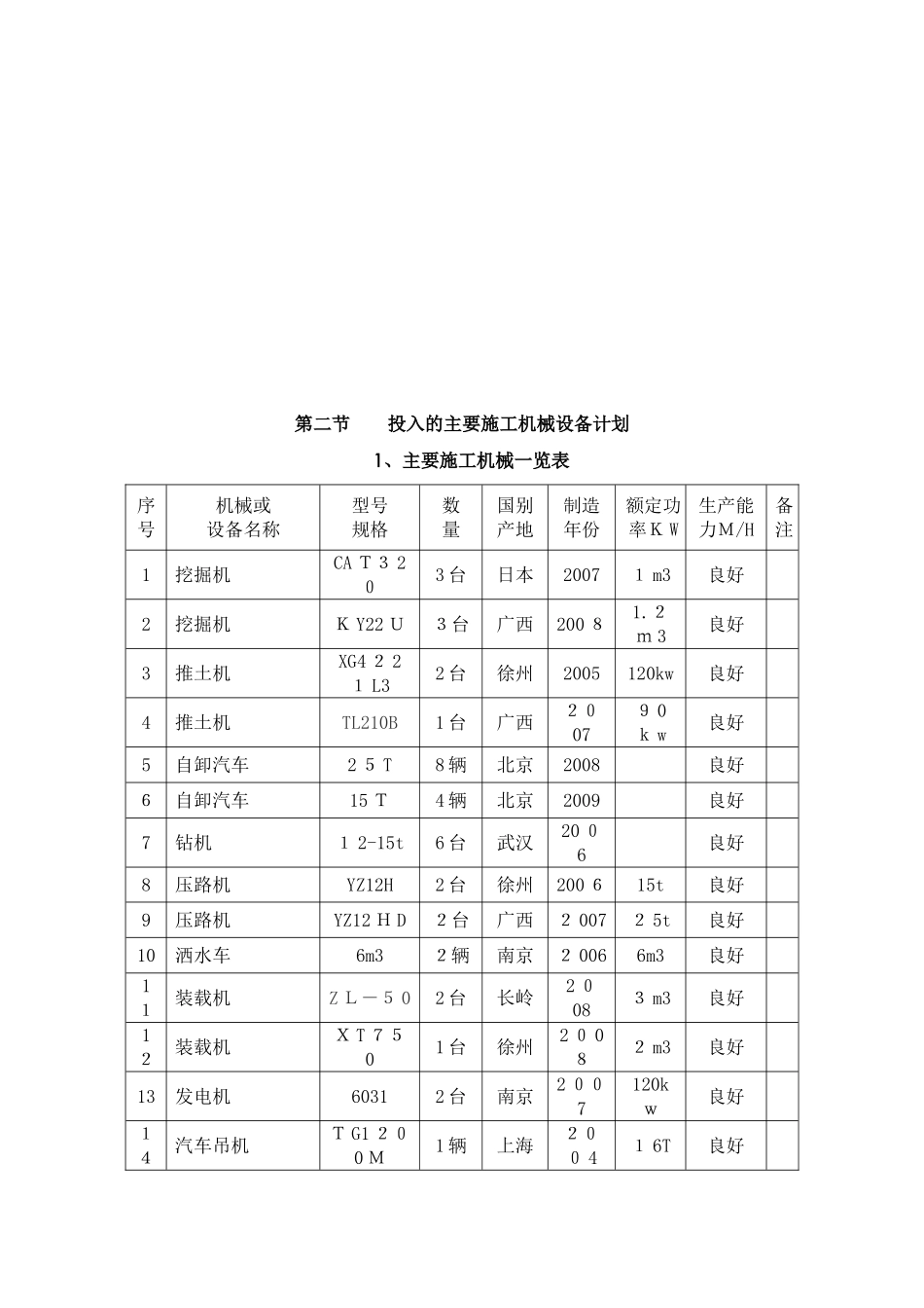
劳动力、机械设备和材料投入计划第一节劳动力安排计划在工程正式开工前,应加强岗前学习、培训工作,组织项目部全体管理人员和工人进行上岗技术、规范学习及特殊工种培训。在上岗前由公司技术部有关人员和分公司技术负责人对项目部管理施工人员进行技术及安全教育与交底,确保本工程的安全、优质施工。劳动力安排计划根据各分部分项工程的工程量、施工方法和现行的施工定额,并结合当时当地的具体情况加以安排。劳动力安排计划应满足连续、均衡施工,且应考虑各分项工程工人班组的每个工人都应有足够的工作面(不能少于最小工作面),以发挥高效率并保证施工安全;各分项工程在进行正常施工时所必须的最低限度的工人队组人数及合理组合(不能小于最小劳动组合),以达到最高的劳动生产率。根据本工程工期要求,工程特点及施工部署,拟投入土工组2个配合机械施工,木(模)工组1个,钢筋组1个,砼工组1个,瓦工组2个,管道安装工组2个,沥青摊铺组2个,机操组2个,后勤组一个,并且劳动力按地面以下阶段工程、地面以上阶段工程等不同施工阶段分别考虑和安排。为了保证施工质量、提高效率、便于核算,施工作业班组保持相对稳定,根据本工程各阶段、各部分的具体施工情况和劳动力需求,由项目经理统一安排调度现场劳动力。各阶段劳动力需求情况详见下表:阶段工种涵箱施工阶段污水施工阶段雨水施工阶段路基施工阶段路面施工阶段人行道阶段收尾阶段土方工203030503010模板工1510106钢筋工10106砼工20303020202010瓦工20202040203010技术工202020203010粘贴工4020沥青工3010安装工1020205机电工30303030302020其它人员20202020202020为了保证总工期的兑现,将从以下几个方面来挖掘潜力,争取时间,确保工程如期交工验收。1、农忙季节,所有施工人员均不得请假回家。项目部要及早做好劳动力安排,在进场之前已约法三章,农忙准备回家的临时用工人员,不得进入该工地施工。农忙季节及春节期间均采取特殊奖励措施(发补助费),改善后勤管理,春节期间提高职工伙食标准,调动职工的积极性。2、假期来临之前,提前做好各种材料计划的申报工作,配备充足的材料,确保工程的顺利进展。3、充分发挥我公司劳务富裕的优势,加大施工力量的投入。组织一支战斗力强的施工队伍,由项目经理部按工序、分区域组织流水段交叉施工,组织工人轮班作业,不闲置工作面。4、根据方案实施要求及施工进度和劳动力需求计划,优化组合施工队伍,让劳动力按施工需要分批进场,并针对本工程建立相应的组织管理体系和管理制度。5、根据工程项目需要,所有的劳动力以本项目部职工为主,不足时由公司统一调配或由优秀劳务分包人参与施工,决不因工期紧张滥用外地民工。6、认真做好后勤保障工作,安排好工人的衣、食、住、行,解决好职工的后顾之忧,激发工人的劳动热情和主人翁精神,从而提高工作效率,缩短工期。7、我公司承诺:参与本工程项目部施工的各个班组,在本工程结束前决不承接其他工程;以确保工程施工速度和后续工作的开展。如果发现工期滞后,我们将从其他工地调动施工人员。8、由项目经理进行全过程监控,确保工期目标实现。第二节投入的主要施工机械设备计划1、主要施工机械一览表序号机械或设备名称型号规格数量国别产地制造年份额定功率KW生产能力M/H备注1挖掘机CAT3203台日本20071m3良好2挖掘机KY22U3台广西20081.2m3良好3推土机XG4221L32台徐州2005120kw良好4推土机TL210B1台广西200790kw良好5自卸汽车25T8辆北京2008良好6自卸汽车15T4辆北京2009良好7钻机12-15t6台武汉2006良好8压路机YZ12H2台徐州200615t良好9压路机YZ12HD2台广西200725t良好10洒水车6m32辆南京20066m3良好11装载机ZL-502台长岭20083m3良好12装载机XT7501台徐州20082m3良好13发电机60312台南京2007120kw良好14汽车吊机TG1200M1辆上海200416T良好15汽车吊机QUY351辆常州200235T良好16潜水泵Ф10012台南京2000Ф100良好17砼搅拌机JS5002台扬州200950KW良好18砼振动机械10套南京20072.5KW良好19机动翻斗车10辆山东2008良好20水稳料机械ABG4222套...

1、当您付费下载文档后,您只拥有了使用权限,并不意味着购买了版权,文档只能用于自身使用,不得用于其他商业用途(如 [转卖]进行直接盈利或[编辑后售卖]进行间接盈利)。
2、本站所有内容均由合作方或网友上传,本站不对文档的完整性、权威性及其观点立场正确性做任何保证或承诺!文档内容仅供研究参考,付费前请自行鉴别。
3、如文档内容存在违规,或者侵犯商业秘密、侵犯著作权等,请点击“违规举报”。

碎片内容

2024年道路工程劳动力、机械设备和材料投入计划

您可能关注的文档

确认删除?
VIP
微信客服
  • 扫码咨询
会员Q群
  • 会员专属群点击这里加入QQ群
客服邮箱
回到顶部