电脑桌面
添加小米粒文库到电脑桌面
安装后可以在桌面快捷访问

总包项目管理及措施VIP免费

总包项目管理及措施_第1页
1/33
总包项目管理及措施_第2页
2/33
总包项目管理及措施_第3页
3/33
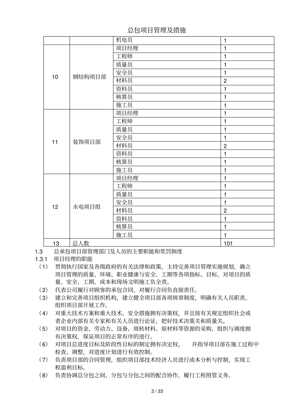
总包项目管理及措施1 / 33 1 总包管理方案与措施1.1 总承包组织架构总承包项目部项目经理项目总工程师项目副经理土建专业兼协调员项目副经理安装专业兼协调员项目副经理钢结构专业项目副经理装饰专业兼协调员技术部生产计划部质量安全部经济合约部采购部财务部行政办公室一区项目部二区项目部三区项目部四区项目部专业分包指定分包指定供应商技术部土建专业项目工程师安装工程专业项目工程师钢结构工程专业项目工程师装饰工程专业项目工程师测量组技术组图纸深化设计组分区项目部专业构成土建组安装组钢结构组装饰组各专业操作基层各分区项目部人员构成工程师质量员安全员材料员资料员核算员施工员机电员生活后勤各专业操作基层总包项目管理及措施2 / 33 1.2 项目部主要人员构成序号部门名称部门构成人员数量1 项目经理部项目经理1 项目副经理(各专业协调)4 项目总工程师1 2 技术部主管(总工程师兼)1 测量组7 技术组3 深化设计组4 资料员1 3 生产计划部主管(副经理兼)1 施工管理2 计划统计2 4 质量安全部主管(总工程师兼)1 质量2 安全2 5 经济合约部主管(项目经理兼)1 合同管理员1 预算员4 6 采购部主管(副经理兼)1 材料2 机械设备2 7 财务部主管1 成本2 出纳1 8 行政办公室主管1 安保、治安、保卫8 后勤1 现场文明管理2 档案1 秘书1 卫生保健1 9 分 区 项 目 部 /土建组项目经理1 工程师1 质量员1 安全员1 材料员2 资料员1 核算员1 施工员2 生活后勤1 总包项目管理及措施3 / 33 机电员1 10 钢结构项目部项目经理1 工程师1 质量员1 安全员1 材料员2 资料员1 核算员1 施工员1 11 装饰项目部项目经理1 工程师1 质量员1 安全员1 材料员2 资料员1 核算员1 施工员1 12 水电项目组项目经理1 工程师1 质量员1 安全员1 材料员2 资料员1 核算员1 施工员1 13 总人数101 1.3 总承包项目部管理部门及人员的主要职能和奖罚制度1.3.1 项目经理的职能(1) 贯彻执行国家及各级政府的有关法律和政策,主持完善项目管理实施规划,确立项目管理的质量、环境、职业健康与安全、工期等各项指标、目标,对项目的质量、安全、工期、成本和现场文明施工负全责。(2) 代表公司履行对顾客的承包合同,对履行合同负直接责任。(3) 建立和完善项目组织机构,建立健全项目部各项规章制度,明确有关人员职责,组织项目部开展工作。(4) 对重大技术方案和...

1、当您付费下载文档后,您只拥有了使用权限,并不意味着购买了版权,文档只能用于自身使用,不得用于其他商业用途(如 [转卖]进行直接盈利或[编辑后售卖]进行间接盈利)。
2、本站所有内容均由合作方或网友上传,本站不对文档的完整性、权威性及其观点立场正确性做任何保证或承诺!文档内容仅供研究参考,付费前请自行鉴别。
3、如文档内容存在违规,或者侵犯商业秘密、侵犯著作权等,请点击“违规举报”。

碎片内容

总包项目管理及措施

您可能关注的文档

确认删除?
VIP
微信客服
  • 扫码咨询
会员Q群
  • 会员专属群点击这里加入QQ群
客服邮箱
回到顶部