电脑桌面
添加小米粒文库到电脑桌面
安装后可以在桌面快捷访问

供应商质保协议VIP免费

供应商质保协议_第1页
1/12
供应商质保协议_第2页
2/12
供应商质保协议_第3页
3/12
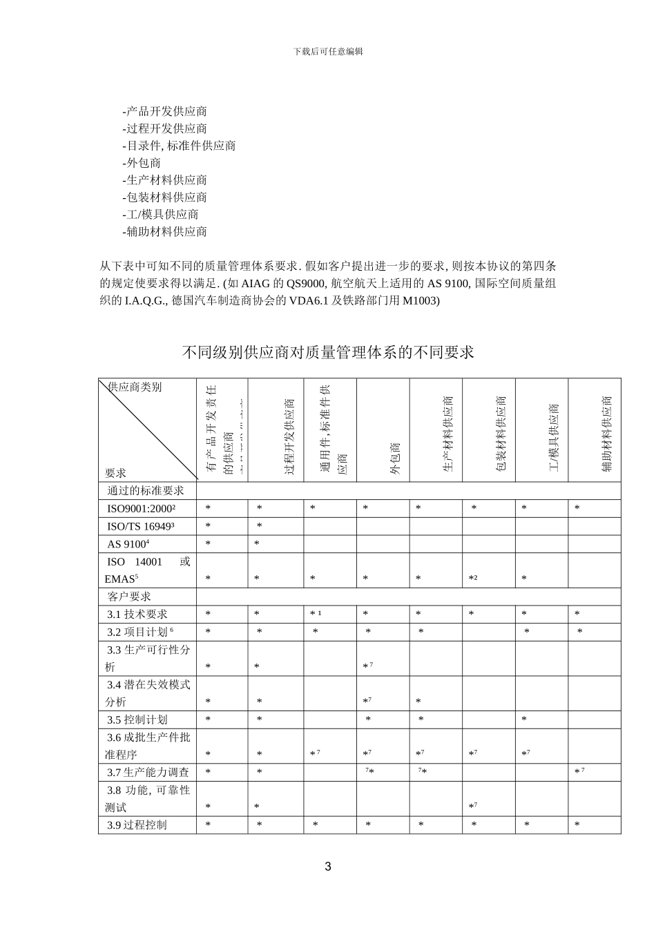
下载后可任意编辑供应商质保协议(以下简称供应商)与 (以下简称客户)就质量管理体系的实施, 确保产品的开发和质量保证与供应商所达成的质量保证协议前言我们的产品质量决定了我们在国际市场的竞争能力和地位. 我们所采购的产品( 原材料, 部件, 辅助材料和生产原料以及工 / 模具)的完整性和可靠性将直接影响到产品质量. 为了保证产品质量, 供应商要建立一个适时的, 行之有效的质量管理体系.质量保证协议是指客户与供应商之间达成的,以合同规定的形式规定的,关于技术与组织的框架条件, 这些条件是实现质量目标必不可少的.质量协议在质量保证方面对供应商的管理体系提出了最低要求. 签定质量保证协议是成为一个战略供应商必不可缺少的条件。目录1供应商对所供产品的质量和服务承担的责任32质量管理体系要求32.1 概述32.2 客户质量管理体系要求32.3 质量管理体系证明52.4 客户对质量管理体系, 过程和产品质量进行审核53前提条件与措施53.1 技术要求53.2 项目计划53.3 产品生产可行性分析 63.4 潜在缺陷分析 63.5 控制计划63.6 生产件批准程序63.7 生产能力调查 63.8 功能, 可靠性及寿命试验73.9 过程控制和批量生产检测73.9.1统计技术的体系应用/过程控制的步骤 73.9.2抽样尺寸和检测频率73.10 出现缺陷时供应商所实行的措施73.10.1特别许可81下载后可任意编辑3.10.2产品的返工83.10.3发货后发现缺陷时供应商所实行的措施83.11 供应商进行的产品终审 83.12 发货标记83.12.1新规格的应用83.12.2发货单批次号的说明 93.13 包装93.14 员工培训93.15 质量记录存档93.16 检测工具93.17 环境, 安全与再利用 93.18 检查已交货的合同产品103.19 投诉分析103.20 发货表现 103.21 更改通知104其它协议115参考文件 116质量保证协议的其它部分117承诺声明121.供应商对所供产品质量和服务的责任根据第 3.1 条供应商负责按技术资料的要求准确无误的生产出产品,并检查文件是否完整正确, 如有必要, 向客户索要更详细的信息. 研发过程中, 供应商应向客户了解对产品生产的要求和安装环境. 供应商的质量文件要围绕他的产品, 服务和过程不断调整和提高. 目标是”零缺陷”和 100%的发货满意度及降低成本.假如供应商有分供商, 那么供应商应应对所购产品的质量负全部责任, 也要为此向分供商提出质量保证要求.这份质量保证协议并不会免除供应商对其他产品所负的全部责任, 并不会与由此可能产生的问题脱离干系....

1、当您付费下载文档后,您只拥有了使用权限,并不意味着购买了版权,文档只能用于自身使用,不得用于其他商业用途(如 [转卖]进行直接盈利或[编辑后售卖]进行间接盈利)。
2、本站所有内容均由合作方或网友上传,本站不对文档的完整性、权威性及其观点立场正确性做任何保证或承诺!文档内容仅供研究参考,付费前请自行鉴别。
3、如文档内容存在违规,或者侵犯商业秘密、侵犯著作权等,请点击“违规举报”。

碎片内容

供应商质保协议

您可能关注的文档

确认删除?
VIP
微信客服
  • 扫码咨询
会员Q群
  • 会员专属群点击这里加入QQ群
客服邮箱
回到顶部