电脑桌面
添加小米粒文库到电脑桌面
安装后可以在桌面快捷访问

2024年低温省煤器项目建设方案VIP免费

2024年低温省煤器项目建设方案_第1页
1/22
2024年低温省煤器项目建设方案_第2页
2/22
2024年低温省煤器项目建设方案_第3页
3/22
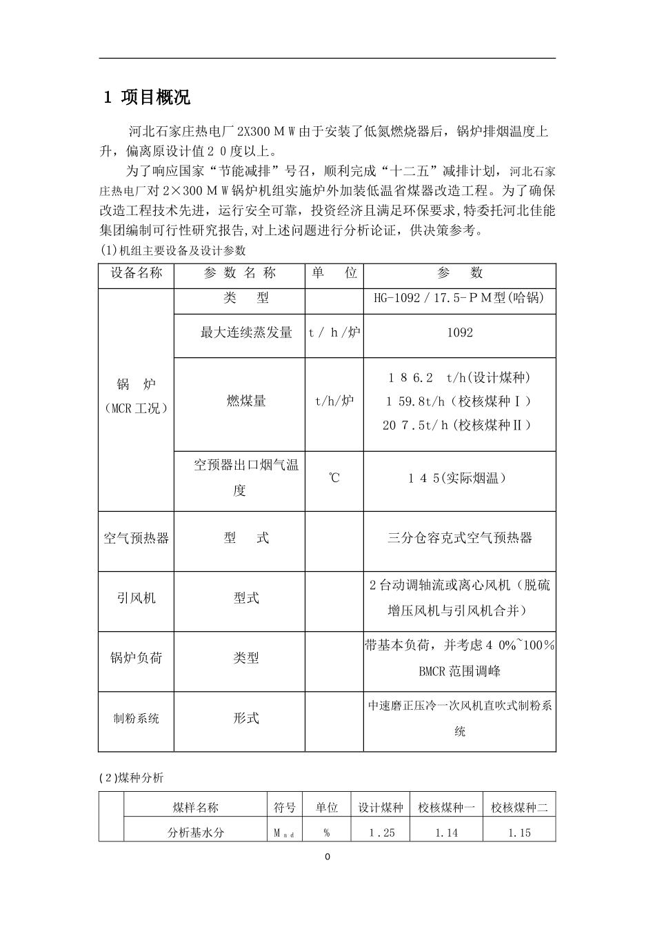
河北石家庄热电厂2×300MW机组配套低温省煤器项目建设方案河北佳能集团2014年10月目录1项目概况ﻩ12方案说明..............................................................................................................42.1总体改造方案....................................................................................................52.1.1对加装低温省煤器的说明ﻩ52.1.2低温省煤器系统方案总体的说明ﻩ62.2结构设计方案说明及降温计算参数ﻩ62.2.1设计方案ﻩ62.2.2烟气降温情况...............................................................................72.2.3凝结水温升情况...........................................................................72.3技术特点和保证措施ﻩ82.3.1技术特点ﻩ82.3.2主要措施ﻩ92.3.2.1防止换热面磨损主要措施ﻩ92.3.2.2防止换热面腐蚀主要措施..............................................102.3.2.2系统设计与配置,有效预防和清除积灰............................102.3.2.3预防换热管泄漏主要措施ﻩ013经济效益分析..................................................................................................114工程范围...........................................................................................................145改造工程工期ﻩ146工程造价ﻩ147参考附图ﻩ161项目概况河北石家庄热电厂2X300MW由于安装了低氮燃烧器后,锅炉排烟温度上升,偏离原设计值20度以上。为了响应国家“节能减排”号召,顺利完成“十二五”减排计划,河北石家庄热电厂对2×300MW锅炉机组实施炉外加装低温省煤器改造工程。为了确保改造工程技术先进,运行安全可靠,投资经济且满足环保要求,特委托河北佳能集团编制可行性研究报告,对上述问题进行分析论证,供决策参考。(1)机组主要设备及设计参数设备名称参数名称单位参数锅炉(MCR工况)类型HG-1092/17.5-PM型(哈锅)最大连续蒸发量t/h/炉1092燃煤量t/h/炉186.2t/h(设计煤种)159.8t/h(校核煤种Ⅰ)207.5t/h(校核煤种Ⅱ)空预器出口烟气温度℃145(实际烟温)空气预热器型式三分仓容克式空气预热器引风机型式2台动调轴流或离心风机(脱硫增压风机与引风机合并)锅炉负荷类型带基本负荷,并考虑40~100%BMCR范围调峰制粉系统形式中速磨正压冷一次风机直吹式制粉系统(2)煤种分析煤样名称符号单位设计煤种校核煤种一校核煤种二分析基水分Mad%1.251.141.150干燥无灰基挥发分Vd.af%19.8018.5022.60应用基灰Aar%41.2532.5542.98应用基碳Car%40.6550.0038.80应用基氢Har%3.102.802.40应用基氧Oar%4.603.645.60应用基氮Nar%1.150.810.85应用基硫Sar%1.251.350.98应用基水分(全水分)Mt.ar%8.008.858.39应用基总成分%100100.00100应用基挥发分Var%10.0510.8410.99应用基低位发热量Qnet.arkJ/kg164081936314912kcal/kg392446313566灰成分分析二氧化硅SiO2%52.8552.4648.25三氧化二铝Al2O3%30.8531.5033.40三氧化二铁Fe2O3%2.053.021.85氧化钙CaO%5.005.976.50氧化镁MgO%5.223.354.20二氧化钛TiO2%0.951.100.91氧化钾K2O%0.720.921.10氧化钠Na2O%0.650.781.35三氧化硫SO3%1.350.422.10五氧化二磷P2O5%0.140.260.23灰熔融特性变形温度(弱还原性)DT℃>1500>1500>1500软化温度(弱还原性)ST℃>1500>1500>1500流动温度(弱还原性)FT℃>1500>1500>1500(3)气象条件多年年平均气温12.6多年极端最高气温41.91多年极端最低气温-23.1℃多年年平均最高气温多年年平均最低气温最冷月一月平均气温最热月七月平均气温最冷月一月平均最低气温-2.7℃多年平均气压964.2多年年平均相对湿度历年一小时最大降水量35.9mm多年年平均降水量437mm多年年平均风速50年一遇10米高10分钟平均最大风速25m/s全年主导风向N夏季主导风向N冬季主导风向N历年年最大降雨量:559.3mm多年平均...

1、当您付费下载文档后,您只拥有了使用权限,并不意味着购买了版权,文档只能用于自身使用,不得用于其他商业用途(如 [转卖]进行直接盈利或[编辑后售卖]进行间接盈利)。
2、本站所有内容均由合作方或网友上传,本站不对文档的完整性、权威性及其观点立场正确性做任何保证或承诺!文档内容仅供研究参考,付费前请自行鉴别。
3、如文档内容存在违规,或者侵犯商业秘密、侵犯著作权等,请点击“违规举报”。

碎片内容

2024年低温省煤器项目建设方案

山水人家+ 关注
实名认证
内容提供者

读万卷书,行万里路。

确认删除?
VIP
微信客服
  • 扫码咨询
会员Q群
  • 会员专属群点击这里加入QQ群
客服邮箱
回到顶部