电脑桌面
添加小米粒文库到电脑桌面
安装后可以在桌面快捷访问

TMEIC主传动VIP免费

TMEIC主传动_第1页
1/38
TMEIC主传动_第2页
2/38
TMEIC主传动_第3页
3/38
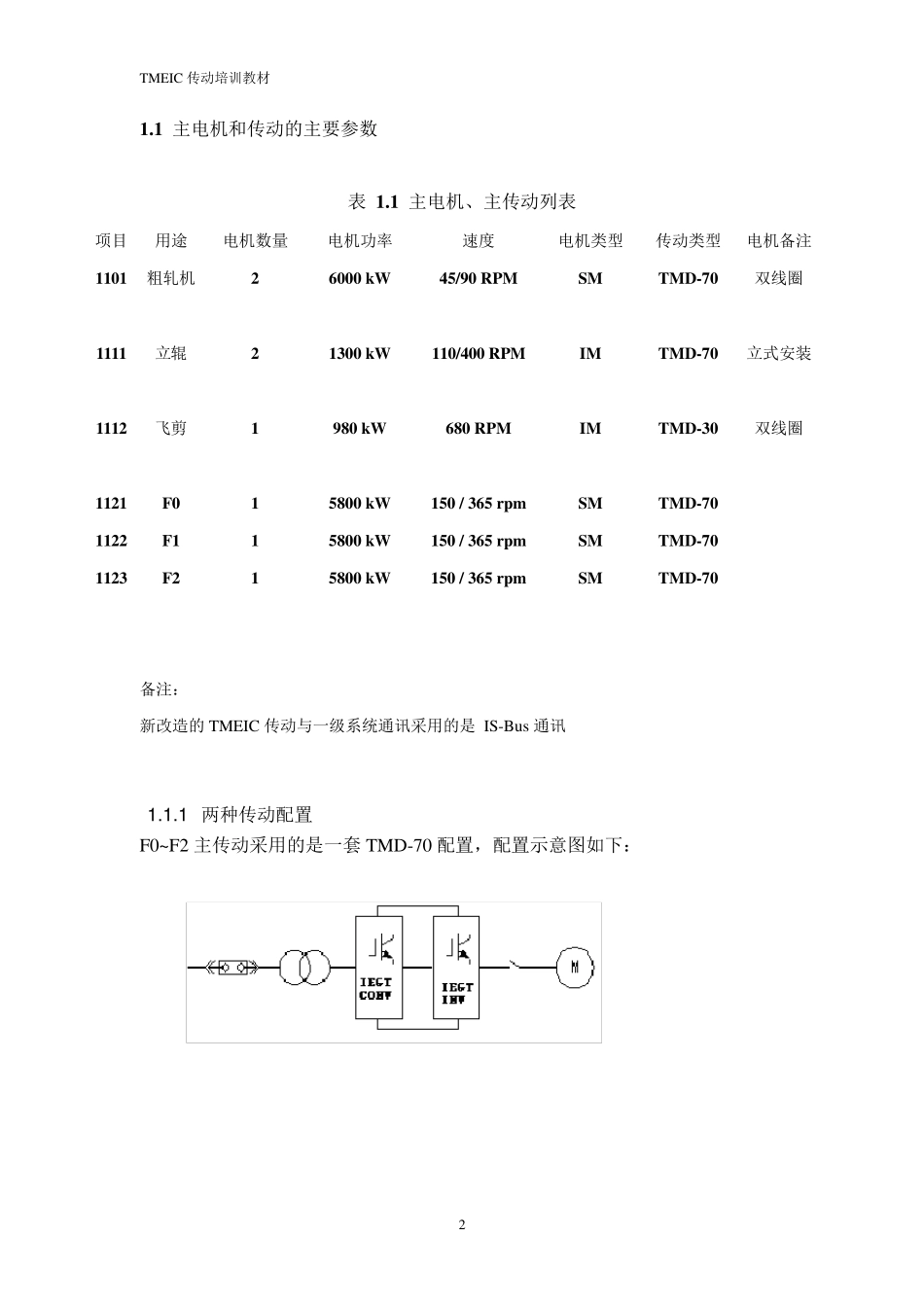
TMEIC 传动培训教材 1 TMEIC主传动(TMD-70) 本次粗轧技改中将对粗轧机R2、立辊、精轧机F0、F1、F2 主传动进行改造,采用的设备为 TMEIC 传动系列,TMEIC 是东芝、三菱电气公司的缩写;TMEIC传动系列包括 TMD-10,TMD-30、TMD-70、TMD-80(以上简称是对整个变频器而言的,如 TMD-70 包括逆变器 TMdrive-70、整流器 Tmdrive-P70 、励磁装置等),本次技改中传动的型号涉及前面三种,传动所采用的功率器件有可控硅、IGBT、IEGT,IEGT 是东芝最新开发的大功率半导体器件。以上变频器类型为交-直-交变频器,控制对象为交流异步电机和交流同步电机。 本教材中对TMEIC 传动的结构、工作原理、维护等方面作了一些介绍,同时对传动的选型、电机、IEGT 冷却装置以及最新功率器件 IEGT 作了简要说明。 第一章 传动类型和电机 本次粗轧技改中采用的 TMEIC 传动系列包括 TMD-10,TMD-30、TMD-70,TMD-10 采用的 IGBT 功率器件,主要用于低电压传动和辅传动;主要用于精轧I8 传动、CS 前入口辊道传动、CB 传动以及 F0 临时辊道传动。TMD-30 为三电平IGBT 电压型 PWM 变频器,主要用于中压传动。新飞剪传动就是采用的TMD-30 传动,它的整流器为 TMDrive-T30,采用晶闸管整流,逆频器为 IGBT的 TMDrive-30,可以实现矢量控制和无传感器矢量控制。R2、立辊、F0、F1、F2 传动采用的 TMD-70 传动,为三电平IEGT 电压型 PWM 变频器,均采用 IEGT。它包括整流器为 TMDrive-P70,逆变器为 TMDrive-70,均采用 IEGT。 为了电机检修方便,R2、立辊、飞剪、F0~F2 主传动逆变器和电机间增加了电机隔离盘,操作方式为手动;由 于 R2 上下 辊电机、飞剪电机为双 线 圈 驱 动,所以都 配 置了 2 台 隔离盘。 TMEIC 传动培训教材 2 1.1 主电机和传动的主要参数 表 1.1 主电机、主传动列表 项目 用途 电机数量 电机功率 速度 电机类型 传动类型 电机备注 1101 粗轧机 2 6000 kW 45/90 RPM SM TMD-70 双线圈 1111 立辊 2 1300 kW 110/400 RPM IM TMD-70 立式安装 1112 飞剪 1 980 kW 680 RPM IM TMD-30 双线圈 1121 F0 1 5800 kW 150 / 365 rpm SM TMD-70 1122 F1 1 5800 kW 150 / 365 rpm SM TMD-70 1123 F2 1 5800 kW 150 / 365 rpm SM TMD-70 备注: 新改造的TMEIC 传动与一级系统通讯采用的是 IS-Bus 通讯 1 ....

1、当您付费下载文档后,您只拥有了使用权限,并不意味着购买了版权,文档只能用于自身使用,不得用于其他商业用途(如 [转卖]进行直接盈利或[编辑后售卖]进行间接盈利)。
2、本站所有内容均由合作方或网友上传,本站不对文档的完整性、权威性及其观点立场正确性做任何保证或承诺!文档内容仅供研究参考,付费前请自行鉴别。
3、如文档内容存在违规,或者侵犯商业秘密、侵犯著作权等,请点击“违规举报”。

碎片内容

确认删除?
VIP
微信客服
  • 扫码咨询
会员Q群
  • 会员专属群点击这里加入QQ群
客服邮箱
回到顶部