电脑桌面
添加小米粒文库到电脑桌面
安装后可以在桌面快捷访问

tvp5150寄存器说明VIP免费

tvp5150寄存器说明_第1页
1/7
tvp5150寄存器说明_第2页
2/7
tvp5150寄存器说明_第3页
3/7
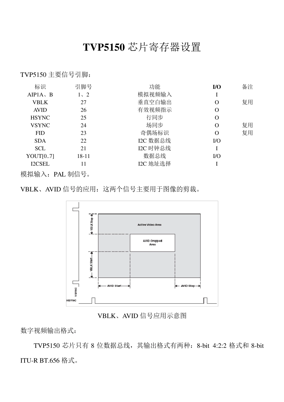
TVP5150 芯片寄存器设置 TVP5150 主要信号引脚: 标识 引脚号 功能 I/O 备注 AIP1A、B 1、2 模拟视频输入 I VBLK 27 垂直空白输出 O 复用 AVID 26 有效视频指示 O HSYNC 25 行同步 O VSYNC 24 场同步 O 复用 FID 23 奇偶场标识 O 复用 SDA 22 I2C 数据总线 I/O SCL 21 I2C 时钟总线 I YOUT[0..7] 18-11 数据总线 I/O I2CSEL 11 I2C 地址选择 I 模拟输入:PAL 制信号。 VBLK、AVID 信号的应用:这两个信号主要用于图像的剪裁。 VBLK、AVID 信号应用示意图 数字视频输出格式: TVP5150 芯片只有 8 位数据总线,其输出格式有两种:8-bit 4:2:2 格式和 8-bit ITU-R BT.656 格式。 两种格式的区别:8-bit 4:2:2 格式需要输出行、场同步信号,数据总线上只有图像数据;ITU-R BT.656 格式不需要输出行、场同步信号,该格式的行、场起始与结束都是通过嵌入到图像数据中的标志码来指示的,因此该格式又称为嵌入同步方式。 输出格式说明 模拟视频标准 行频率(kHz) 每行像素数 每行有效像素数 时钟频率 (MHz) PAL(B,D,G,H,I) 15.625 864 720 27 TVP5150 寄存器设置: TVP5150 内部寄存器通过I2C 总线进行设置。I2C 总线地址由I2CSEL 引脚的高低电平决定。I2CSEL=‘1’,写地址为0xBA;I2CSEL=‘0’,写地址为0xB8。 设置TVP5150 内部一个寄存器的顺序如下: 1. 主机发送开始信号; 2. 主机发送 TVP5150 芯片地址; 3. 从机应答; 4. 主机发送 TVP5150 内部寄存器地址; 5. 从机应答; 6. 主机发送要写入TVP5150 内部寄存器的数据; 7. 从机应答; 8. 主机发送停止信号; 注意:当向TVP5150 内部地址为00h-8Fh 的寄存器写入时,在上述第7、8 步骤间TVP5150 芯片需要一个延时,用以等待数据写入寄存器。有两种方法判断是否数据写入寄存器:1、完成第7 步后检测 SCL 总线的状态,当SCL 总线为高时表示数据已写入寄存器,执行第8 步;2、完成第7 步后,等待 64u S 后执行第8 步。 常用寄存器设置说明: 1. 视频输入源选择寄存器 寄存器地址:00h 默认值:00h Bit0: 0=复合视频输入 1=S-v ideo 输入 Bit1: 0=选择 AIP1A 1=选择 AIP1B Bit3: 0=正常操作 1=强制黑屏输出 2. 杂项控制寄存器 寄存器地址:03h 默认值:01h 设置值:8Fh Bit7:27 引脚功能选择。 0=GPCL 1=VBLK Bit6:GPCL 输出...

1、当您付费下载文档后,您只拥有了使用权限,并不意味着购买了版权,文档只能用于自身使用,不得用于其他商业用途(如 [转卖]进行直接盈利或[编辑后售卖]进行间接盈利)。
2、本站所有内容均由合作方或网友上传,本站不对文档的完整性、权威性及其观点立场正确性做任何保证或承诺!文档内容仅供研究参考,付费前请自行鉴别。
3、如文档内容存在违规,或者侵犯商业秘密、侵犯著作权等,请点击“违规举报”。

碎片内容

tvp5150寄存器说明

确认删除?
VIP
微信客服
  • 扫码咨询
会员Q群
  • 会员专属群点击这里加入QQ群
客服邮箱
回到顶部