电脑桌面
添加小米粒文库到电脑桌面
安装后可以在桌面快捷访问

技术参数响应表VIP免费

技术参数响应表_第1页
1/16
技术参数响应表_第2页
2/16
技术参数响应表_第3页
3/16
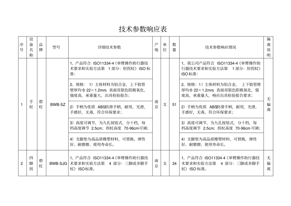
技术参数响应表序号设备名称品牌型号详细技术参数产地单位数量技术参数响应情况偏离说明1 手杖碧旺BWB-SZ 1、产品符合 ISO11334-4《单臂操作助行器技术要求和实验方法第1 部分:肘拐杖》ISO 标准:南京支51 1、我公司产品符合 ISO11334-4《单臂操作助行器技术要求和实验方法第1 部分:肘拐杖》ISO 标准:无偏离2、规格: 1)主体材料为铝合金,上下肢管壁厚均 Ф 22×1.2mm,表面亮银色阳极氧化,强度高,承重量大,出具检验报告;2、规格:1)主体材料为铝合金, 上下肢管壁厚均Ф 22×1.2mm,表面亮银色阳极氧化,强度高,承重量大,响应出具检验报告要求;2)手柄为优质 ABS防滑手柄,耐用,光滑,手感好,无毒,符合环保要求;2)手柄为优质 ABS防滑手柄,耐用,光滑,手感好,无毒,符合环保要求;3)高度可调节,为九孔按钮式,分十档,每档高度调节 2.5cm;拐杖高度 70-96cm可调;3)高度可调节,为九孔按钮式,分十档,每档高度调节 2.5cm;拐杖高度 70-96cm 可调;4)支脚垫为高品质橡塑材料,可替换,弹性好、耐磨擦、使用寿命长。4)支脚垫为高品质橡塑材料,可替换,弹性好、耐磨擦、使用寿命长。2 四脚拐碧旺BWB-SJG 1、产品符合 ISO11334-4《单臂操作助行器技术要求和实验方法第4 部分:三脚或多脚手杖》ISO标准。南京支34 1、产品符合 ISO11334-4《单臂操作助行器技术要求和实验方法第4 部分:三脚或多脚手杖》ISO 标准。无偏离2、规格: 1)高度调节范围65~88cm,承重90KG;2、规格: 1)高度调节范围65~88cm,承重90KG;2)高档铝合金材质,壁厚1.5mm,表面光亮氧化处理,永不生锈;底座钢管喷塑处理,更牢固,出具检验报告;2)高档铝合金材质,壁厚1.5mm,表面光亮氧化处理, 永不生锈; 底座钢管喷塑处理, 更牢固,响应出具检验报告要求;3)高度十档调节,并配有金属顶扣;3)高度十档调节,并配有金属顶扣;4)四个支脚和固定板为钢质材料,更平稳、更安全;4)四个支脚和固定板为钢质材料,更平稳、更安全;5)拐杖四脚上配有防滑橡胶脚垫, 内径 13mm,提供良好的地面摩擦能力,内藏金属垫片,更加强其耐用性;5)拐杖四脚上配有防滑橡胶脚垫, 内径 13mm,提供良好的地面摩擦能力, 内藏金属垫片, 更加强其耐用性;6)发泡海绵拐杖头环保无毒、不吸汗、不易破损、变形,使用寿命长。6)发泡海绵拐杖头环保无毒、不吸汗、不易破损、变形,使用寿命长。3 铝合金腋拐碧旺BWB-Y...

1、当您付费下载文档后,您只拥有了使用权限,并不意味着购买了版权,文档只能用于自身使用,不得用于其他商业用途(如 [转卖]进行直接盈利或[编辑后售卖]进行间接盈利)。
2、本站所有内容均由合作方或网友上传,本站不对文档的完整性、权威性及其观点立场正确性做任何保证或承诺!文档内容仅供研究参考,付费前请自行鉴别。
3、如文档内容存在违规,或者侵犯商业秘密、侵犯著作权等,请点击“违规举报”。

碎片内容

技术参数响应表

您可能关注的文档

确认删除?
VIP
微信客服
  • 扫码咨询
会员Q群
  • 会员专属群点击这里加入QQ群
客服邮箱
回到顶部