电脑桌面
添加小米粒文库到电脑桌面
安装后可以在桌面快捷访问

分项工程质量验收报告VIP免费

分项工程质量验收报告_第1页
1/21
分项工程质量验收报告_第2页
2/21
分项工程质量验收报告_第3页
3/21
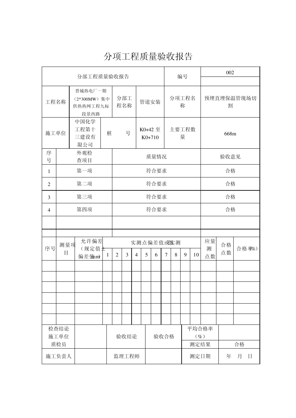
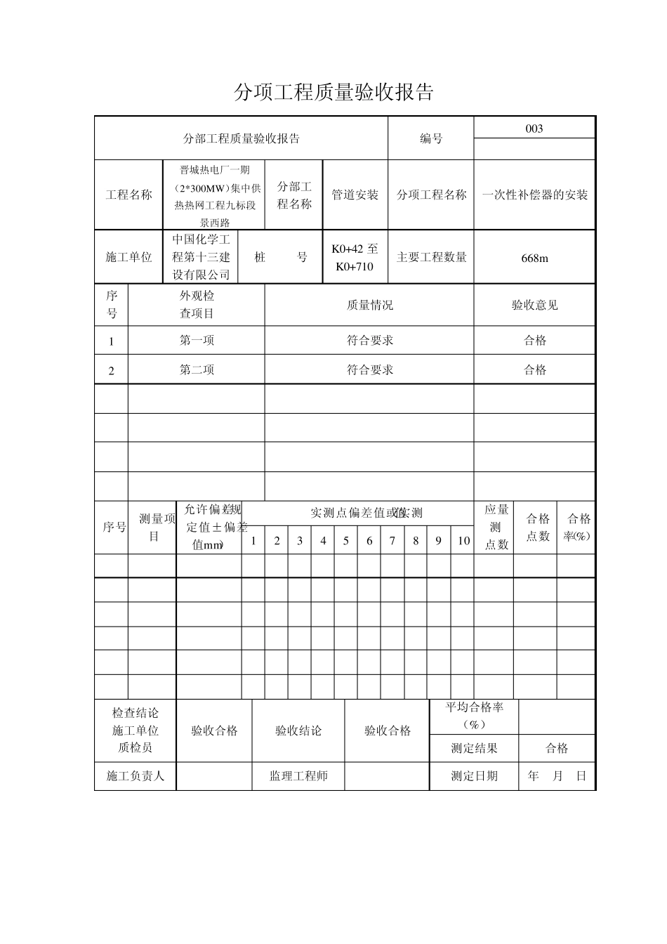
分项工程质量验收报告 分部工程质量验收报告 编号 001 工程名称 晋城热电厂一期(2*300MW)集中供热热网工程九标段景西路 分部工程名称 管道安装 分项工程名称 管道安装 施工单位 中国化学工程第十三建设有限公司 桩 号 K0+42 至K0+710 主要工程数量 668m 序号 外观检 查项目 质量情况 验收意见 1 第一项 符合设计要求 合格 序号 测量项目 允许偏差(规定值±偏差值mm) 实测点偏差值或实测值 应量测 点数 合格 点数 合格率(%) 1 2 3 4 5 6 7 8 9 10 第一项 ±10 2 2 1 3 1 3 4 1 2 1 10 10 100% 第二项 每 10 米不超过 5 0 2 1 1 2 1 3 4 1 2 10 10 100% 第四项 间隙 1.2 1.3 1.6 1.7 1.3 1 0 0 1.2 2 10 10 100% 检查结论 施工单位 质检员 验收结论 验收合格 平均合格率(%) 100% 测定结果 合格 施工负责人 监理工程师 测定日期 年 月 日 分项工程质量验收报告 分部工程质量验收报告 编号 002 工程名称 晋城热电厂一期(2*300MW)集中供热热网工程九标段景西路 分部工程名称 管道安装 分项工程名称 预埋直埋保温管现场切割 施工单位 中国化学工程第十三建设有限公司 桩 号 K0+42 至K0+710 主要工程数量 668m 序号 外观检 查项目 质量情况 验收意见 1 第一项 符合要求 合格 2 第二项 符合要求 合格 3 第三项 符合要求 合格 4 第四项 符合要求 合格 序号 测量项目 允许偏差(规定值±偏差值mm) 实测点偏差值或实测值 应量测 点数 合格 点数 合格率(%) 1 2 3 4 5 6 7 8 9 10 检查结论 施工单位 质检员 验收结论 验收合格 平均合格率(%) 测定结果 合格 施工负责人 监理工程师 测定日期 年 月 日 分项工程质量验收报告 分部工程质量验收报告 编号 003 工程名称 晋城热电厂一期(2*300MW)集中供热热网工程九标段景西路 分部工程名称 管道安装 分项工程名称 一次性补偿器的安装 施工单位 中国化学工程第十三建设有限公司 桩 号 K0+42 至K0+710 主要工程数量 668m 序号 外观检 查项目 质量情况 验收意见 1 第一项 符合要求 合格 2 第二项 符合要求 合格 序号 测量项目 允许偏差(规定值±偏差值mm) 实测点偏差值或实测值 应量测 点数 合格 点数 合格率(%) 1 2 3 4 5 6 7 8 9 10 检查结论 施工...

1、当您付费下载文档后,您只拥有了使用权限,并不意味着购买了版权,文档只能用于自身使用,不得用于其他商业用途(如 [转卖]进行直接盈利或[编辑后售卖]进行间接盈利)。
2、本站所有内容均由合作方或网友上传,本站不对文档的完整性、权威性及其观点立场正确性做任何保证或承诺!文档内容仅供研究参考,付费前请自行鉴别。
3、如文档内容存在违规,或者侵犯商业秘密、侵犯著作权等,请点击“违规举报”。

碎片内容

分项工程质量验收报告

小辰6+ 关注
实名认证
内容提供者

出售各种资料和文档

相关文档

确认删除?
VIP
微信客服
  • 扫码咨询
会员Q群
  • 会员专属群点击这里加入QQ群
客服邮箱
回到顶部