电脑桌面
添加小米粒文库到电脑桌面
安装后可以在桌面快捷访问

排水管道隐蔽工程验收记录12VIP免费

排水管道隐蔽工程验收记录12_第1页
1/4
排水管道隐蔽工程验收记录12_第2页
2/4
排水管道隐蔽工程验收记录12_第3页
3/4
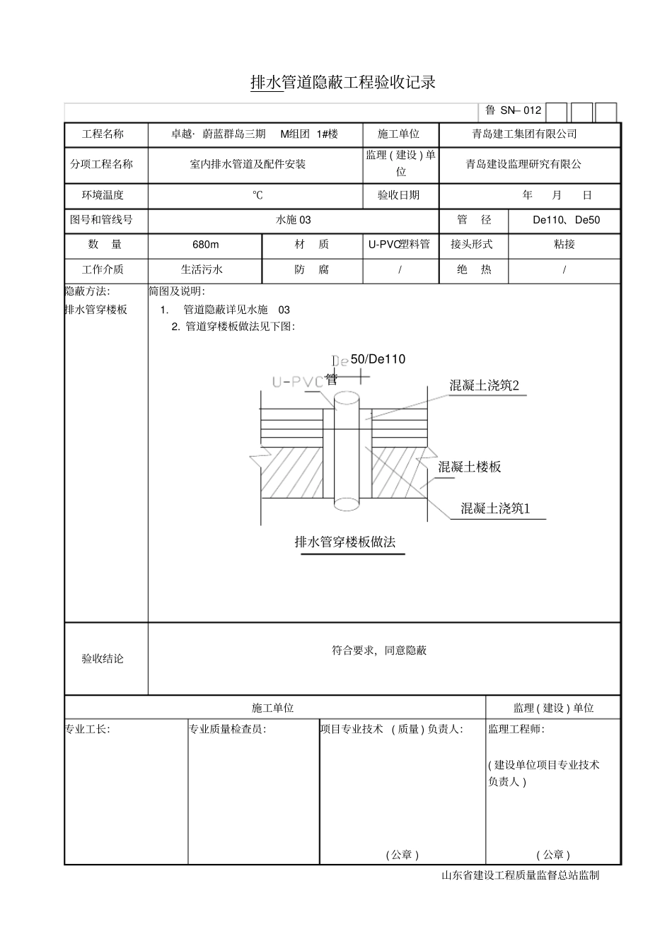
排水管道隐蔽工程验收记录鲁 SN— 012 工程名称卓越· 蔚蓝群岛三期M组团 1#楼施工单位青岛建工集团有限公司分项工程名称室内排水管道及配件安装监理 ( 建设 ) 单位青岛建设监理研究有限公环境温度℃验收日期年月日图号和管线号水施 02、水施 03 管径De110、De50 数量500m 材质U-PVC塑料管接头形式粘接工作介质生活污水防腐/ 绝热/ 隐蔽方法:排水管穿楼板简图及说明: 1.管道隐蔽详见水施水施02、水施 03 2. 管道穿楼板做法见下图:50/De110混凝土楼板管排水管穿楼板做法混凝土浇筑1混凝土浇筑2验收结论符合要求,同意隐蔽施工单位监理 ( 建设 ) 单位专业工长:专业质量检查员:项目专业技术 ( 质量 ) 负责人:监理工程师:( 建设单位项目专业技术负责人 ) ( 公章 ) ( 公章 ) 山东省建设工程质量监督总站监制排水管道隐蔽工程验收记录鲁 SN— 012 工程名称卓越· 蔚蓝群岛三期M组团 1#楼施工单位青岛建工集团有限公司分项工程名称室内排水管道及配件安装监理 ( 建设 ) 单位青岛建设监理研究有限公环境温度℃验收日期年月日图号和管线号水施 03 管径De110、De50 数量680m 材质U-PVC塑料管接头形式粘接工作介质生活污水防腐/ 绝热/ 隐蔽方法:排水管穿楼板简图及说明: 1.管道隐蔽详见水施03 2. 管道穿楼板做法见下图:50/De110混凝土楼板管排水管穿楼板做法混凝土浇筑1混凝土浇筑2验收结论符合要求,同意隐蔽施工单位监理 ( 建设 ) 单位专业工长:专业质量检查员:项目专业技术 ( 质量 ) 负责人:监理工程师:( 建设单位项目专业技术负责人 ) ( 公章 ) ( 公章 ) 山东省建设工程质量监督总站监制排水管道隐蔽工程验收记录鲁 SN— 012 工程名称卓越· 蔚蓝群岛三期M组团 1#楼施工单位青岛建工集团有限公司分项工程名称室内排水管道及配件安装监理 ( 建设 ) 单位青岛建设监理研究有限公环境温度℃验收日期年月日图号和管线号水施 03 管径De110、De50 数量680m 材质U-PVC塑料管接头形式粘接工作介质生活污水防腐/ 绝热/ 隐蔽方法:排水管穿楼板简图及说明: 1.管道隐蔽详见水施03 2. 管道穿楼板做法见下图:50/De110混凝土楼板管排水管穿楼板做法混凝土浇筑1混凝土浇筑2验收结论符合要求,同意隐蔽施工单位监理 ( 建设 ) 单位专业工长:专业质量检查员:项目专业技术 ( 质量 ) 负责人:监理工程师:( 建设单位项目专业技术负责人 ) (公章 ) (...

1、当您付费下载文档后,您只拥有了使用权限,并不意味着购买了版权,文档只能用于自身使用,不得用于其他商业用途(如 [转卖]进行直接盈利或[编辑后售卖]进行间接盈利)。
2、本站所有内容均由合作方或网友上传,本站不对文档的完整性、权威性及其观点立场正确性做任何保证或承诺!文档内容仅供研究参考,付费前请自行鉴别。
3、如文档内容存在违规,或者侵犯商业秘密、侵犯著作权等,请点击“违规举报”。

碎片内容

排水管道隐蔽工程验收记录12

确认删除?
VIP
微信客服
  • 扫码咨询
会员Q群
  • 会员专属群点击这里加入QQ群
客服邮箱
回到顶部