电脑桌面
添加小米粒文库到电脑桌面
安装后可以在桌面快捷访问

接地装置隐蔽验收记录VIP免费

接地装置隐蔽验收记录_第1页
1/2
接地装置隐蔽验收记录_第2页
2/2
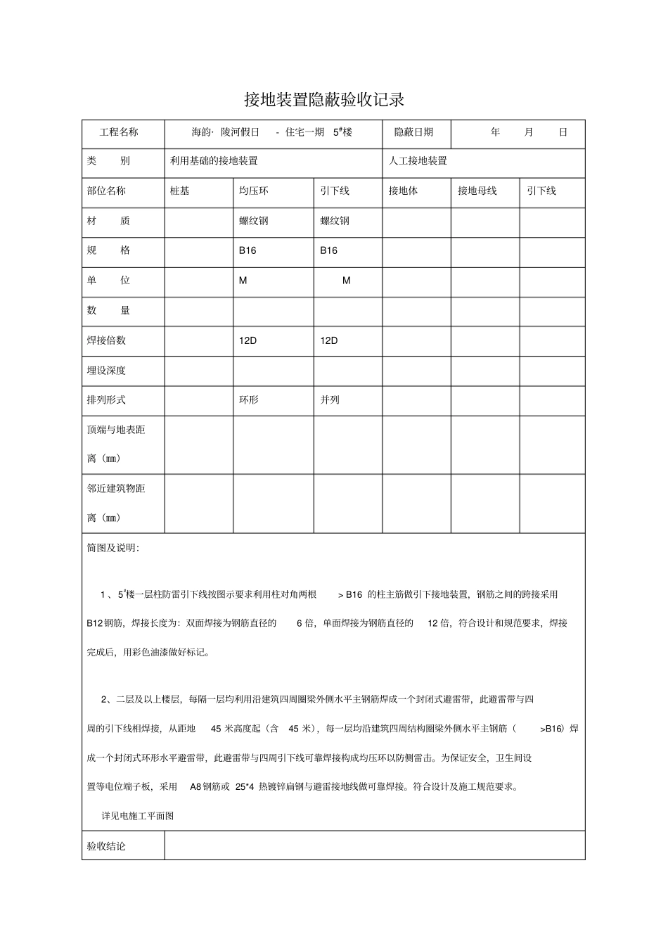
接地装置隐蔽验收记录工程名称海韵· 陵河假日- 住宅一期5#楼隐蔽日期年月日类别利用基础的接地装置人工接地装置部位名称桩基均压环引下线接地体接地母线引下线材质螺纹钢螺纹钢规格B16B16单位MM数量焊接倍数12D12D埋设深度排列形式环形并列顶端与地表距离(㎜)邻近建筑物距离(㎜)简图及说明: 1 、 5#楼一层柱防雷引下线按图示要求利用柱对角两根> B16 的柱主筋做引下接地装置,钢筋之间的跨接采用B12钢筋,焊接长度为:双面焊接为钢筋直径的6 倍,单面焊接为钢筋直径的12 倍,符合设计和规范要求,焊接完成后,用彩色油漆做好标记。2、二层及以上楼层,每隔一层均利用沿建筑四周圈梁外侧水平主钢筋焊成一个封闭式避雷带,此避雷带与四周的引下线相焊接,从距地45 米高度起(含45 米),每一层均沿建筑四周结构圈梁外侧水平主钢筋(>B16)焊成一个封闭式环形水平避雷带,此避雷带与四周引下线可靠焊接构成均压环以防侧雷击。为保证安全,卫生间设置等电位端子板,采用A8 钢筋或 25*4 热镀锌扁钢与避雷接地线做可靠焊接。符合设计及施工规范要求。详见电施工平面图验收结论监理(建设)单位设计单位施工单位中国对外建设有限公司专业技术负责人专业质检员专业工长专业监理工程师:(建设单位项目专业技术负责人)

1、当您付费下载文档后,您只拥有了使用权限,并不意味着购买了版权,文档只能用于自身使用,不得用于其他商业用途(如 [转卖]进行直接盈利或[编辑后售卖]进行间接盈利)。
2、本站所有内容均由合作方或网友上传,本站不对文档的完整性、权威性及其观点立场正确性做任何保证或承诺!文档内容仅供研究参考,付费前请自行鉴别。
3、如文档内容存在违规,或者侵犯商业秘密、侵犯著作权等,请点击“违规举报”。

碎片内容

接地装置隐蔽验收记录

您可能关注的文档

确认删除?
VIP
微信客服
  • 扫码咨询
会员Q群
  • 会员专属群点击这里加入QQ群
客服邮箱
回到顶部