电脑桌面
添加小米粒文库到电脑桌面
安装后可以在桌面快捷访问

地铁车站盖挖法施工方案VIP免费

地铁车站盖挖法施工方案_第1页
1/20
地铁车站盖挖法施工方案_第2页
2/20
地铁车站盖挖法施工方案_第3页
3/20
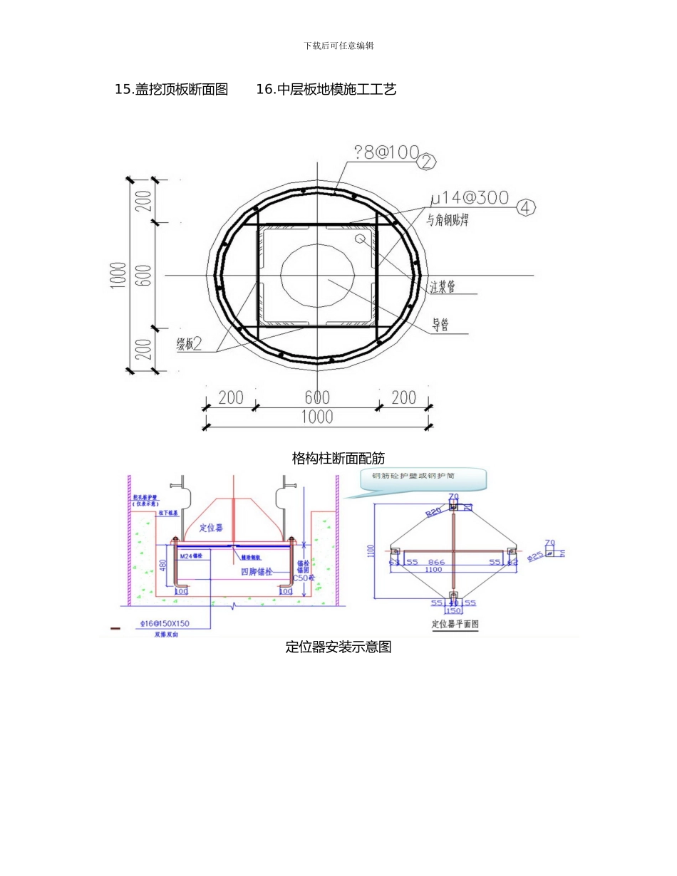
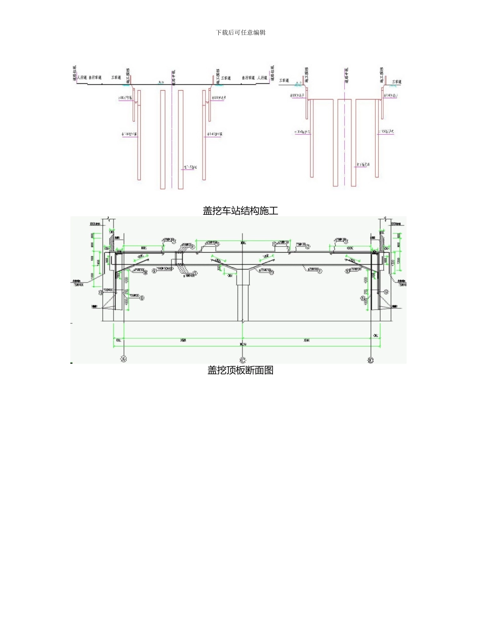
下载后可任意编辑[北京]地铁车站盖挖法施工方案【工程概况】 车站结构:三层三跨框架结构 车站总长:172.6 米 施工方法:顶板纵向分幅盖挖逆作法施工【内容节选】 护筒采纳 0.8~1.0cm 厚钢板卷制焊接而成,内径比桩径大 100~150mm。护筒在探明地下无障碍物时用人工或机械方法埋设,护筒…… 当出现断桩相象,实行调整桩间距,紧临断桩位置再补做一根桩,在开挖时,在断桩位置增设…… 钢管柱采纳上下两端同时定位法固定。钢管柱下端定位主要依赖于自动定位器,上端用花篮螺栓调节定位。自动定位器…… 结合盖挖逆作钢管柱的结构特点,选择高位抛落无振捣法。其原理是利用混凝土自管口自由下落时所获得的重力加速度冲击能量,使混凝土挤密而无须振捣。其抛落高度…… 当基坑开挖时顶板以下位置时,进行车站主体结构施工,主要包括钢筋工程、模板及支架、防水工程、混凝土工程。在进行顶板…… 模板安装时,应从一端向另一侧顺序铺设,相邻两块模板的肋孔均用 U 型卡卡紧,卡紧方向应正反相间,不得按在同一方向。在结构拐……【内附图表】 1.盖挖系统施工流程 2.格构柱立面图 3.格构柱基础配筋示意图 4.钻孔灌注桩质量控制标准 5.格构柱吊装允许偏差 6.加工成型的四角锚栓 7.加工成型的定位器 8.定位器安装示意图 9.钢管柱顶部定位示意图 10.冠梁施工工艺流程 11.冠梁配筋图 12.盖挖车站结构施工流程总图 13.盖挖逆作车站工序图 14.支护示意图下载后可任意编辑 15.盖挖顶板断面图 16.中层板地模施工工艺 格构柱断面配筋定位器安装示意图下载后可任意编辑盖挖车站结构施工盖挖顶板断面图下载后可任意编辑北京地铁 XX 号车站盖挖法专项施工方案1.编制依据1)(北京地铁 XX 号线工程结构通用标准)(2024 年 4 月)2)《北京地铁 XX 号线工程 XX 站岩石工程勘察报告》(2024 年 12 月 29 日)3) (北京市地铁 XX 工程初步设计专家审查意见)4)有关会议纪要、公文及政府部门提供的基础资料;5)相关法律规范、规程: 《地铁设计法律规范》(GB50157-2024) 《混凝土结构设计法律规范》(GB50010-2024) 《建筑结构荷载法律规范》(GB50009-2001)(2024 年修订版) 《建筑桩基技术法律规范》(JGJ94-2024) 《建筑地基基础设计法律规范》(GB50007-2024) 《地下工程防水技术法律规范》(GB50108-2024) 《建筑基坑支护技术规程》(JGJ 120-99);6)北京市轨道交通工程合同段工程施工招...

1、当您付费下载文档后,您只拥有了使用权限,并不意味着购买了版权,文档只能用于自身使用,不得用于其他商业用途(如 [转卖]进行直接盈利或[编辑后售卖]进行间接盈利)。
2、本站所有内容均由合作方或网友上传,本站不对文档的完整性、权威性及其观点立场正确性做任何保证或承诺!文档内容仅供研究参考,付费前请自行鉴别。
3、如文档内容存在违规,或者侵犯商业秘密、侵犯著作权等,请点击“违规举报”。

碎片内容

地铁车站盖挖法施工方案

您可能关注的文档

确认删除?
VIP
微信客服
  • 扫码咨询
会员Q群
  • 会员专属群点击这里加入QQ群
客服邮箱
回到顶部