电脑桌面
添加小米粒文库到电脑桌面
安装后可以在桌面快捷访问

地铁基坑监测方案VIP免费

地铁基坑监测方案_第1页
1/23
地铁基坑监测方案_第2页
2/23
地铁基坑监测方案_第3页
3/23
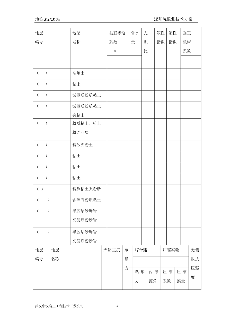
地铁X X X X 站 深基坑监测技术方案 武汉中汉岩土工程技术开发公司 1 地铁XXXX深基坑监测技术方案 第一章 工程概况 1、工程概况 XXXX是XXXX轨道交通二号线一期工程的第三个车站,车站位于金雅二路中段,东侧是正在建设中的XXXXC区,西侧是XXX移动公司,站前折返线上部地面东侧为常青花园空地,西侧为建设中的XXXXD区。周边空间比较狭窄。长港路以北西北角拟占用作为轨排基地。车站外包尺寸为530.2×30.5×12.61m(长×宽×高),车站顶部覆土约 3.0m。车站所处位置周边交通处于发育中,车流量不大。 XXXX主体结构为两层两跨局部单跨双层矩形框架结构,采用明挖法施工。车站标准段明挖基坑深度 15.89米,宽度 18.5米;盾构井加宽段明挖基坑北侧深度约 17.8米,宽度约 30.5米;南侧深度 16.822米,宽度约为23.3米。根据本站基坑深度和周边环境条件,确定本基坑安全等级为一级,支护结构的水平位移ε≤3‰H,且ε ≤30mm。 2、工程地质、水文地质情况 2.1工程地质 拟建场区地形平坦,原始地貌属长江冲积一级阶地。根据钻探揭示及对地层成因、年代的分析,本代地层主要由第四纪全新统人工堆积层(Q4ml)组成,岩性为粉质粘土、淤泥质粉质粘土、淤泥质粉质粘土夹粉土、粉质粘土粉土粉砂互层、粉砂夹粉土、粉砂、砂类土。各土层描述如下: (1-1)层杂填土:松散,由粘性土,砂土与砖块、碎石、块石、炉渣等建筑及生活垃圾混成。该层全场地分布,层厚约 0.6~2.4m。 (1-2)素填土:褐黄~灰色,松散,高压缩性,粘性土及砂土为主组成,混少量碎石,砖瓦片等。该层局部分布,层厚1.1~1.7m。 (1-3)层淤土:灰黑色,软~流塑,高压缩性,含有机质及生活垃圾。该层局部分布,层厚 2.8~3.9m。 (3-1)层粘土:黄褐~褐黄~灰褐色,可塑(局部偏硬塑),中压缩性,含氧化钛、铁锰质结核。该层大部分地段分布,厚 1.0~6.8m。 (3-1a)层粘土:褐黄色,中偏高压缩性,含氧化铁、铁锰质结核。该层局部分地铁X X X X 站 深基坑监测技术方案 武汉中汉岩土工程技术开发公司 2 布,厚1.0~4.2m。 (3-3)层淤泥质粉质粘土:褐灰,深灰色,软~流塑,高压缩性,含有机质,腐植物,局部夹薄层粉土。该层大部分地段分布,层厚1.2~10m。 (3-4)层粉质粘土夹粉土、粉砂:灰色,中密,少夹粉质粘土薄层。含长石、石英、云母等。该层连续分布,层厚6.4~12.3m。 (3-5)层粉质粘土、粉土和粉沙的互层:灰褐色,粉质粘土~可塑状...

1、当您付费下载文档后,您只拥有了使用权限,并不意味着购买了版权,文档只能用于自身使用,不得用于其他商业用途(如 [转卖]进行直接盈利或[编辑后售卖]进行间接盈利)。
2、本站所有内容均由合作方或网友上传,本站不对文档的完整性、权威性及其观点立场正确性做任何保证或承诺!文档内容仅供研究参考,付费前请自行鉴别。
3、如文档内容存在违规,或者侵犯商业秘密、侵犯著作权等,请点击“违规举报”。

碎片内容

地铁基坑监测方案

您可能关注的文档

确认删除?
VIP
微信客服
  • 扫码咨询
会员Q群
  • 会员专属群点击这里加入QQ群
客服邮箱
回到顶部