电脑桌面
添加小米粒文库到电脑桌面
安装后可以在桌面快捷访问

塑料管道施工方案VIP免费

塑料管道施工方案_第1页
1/6
塑料管道施工方案_第2页
2/6
塑料管道施工方案_第3页
3/6
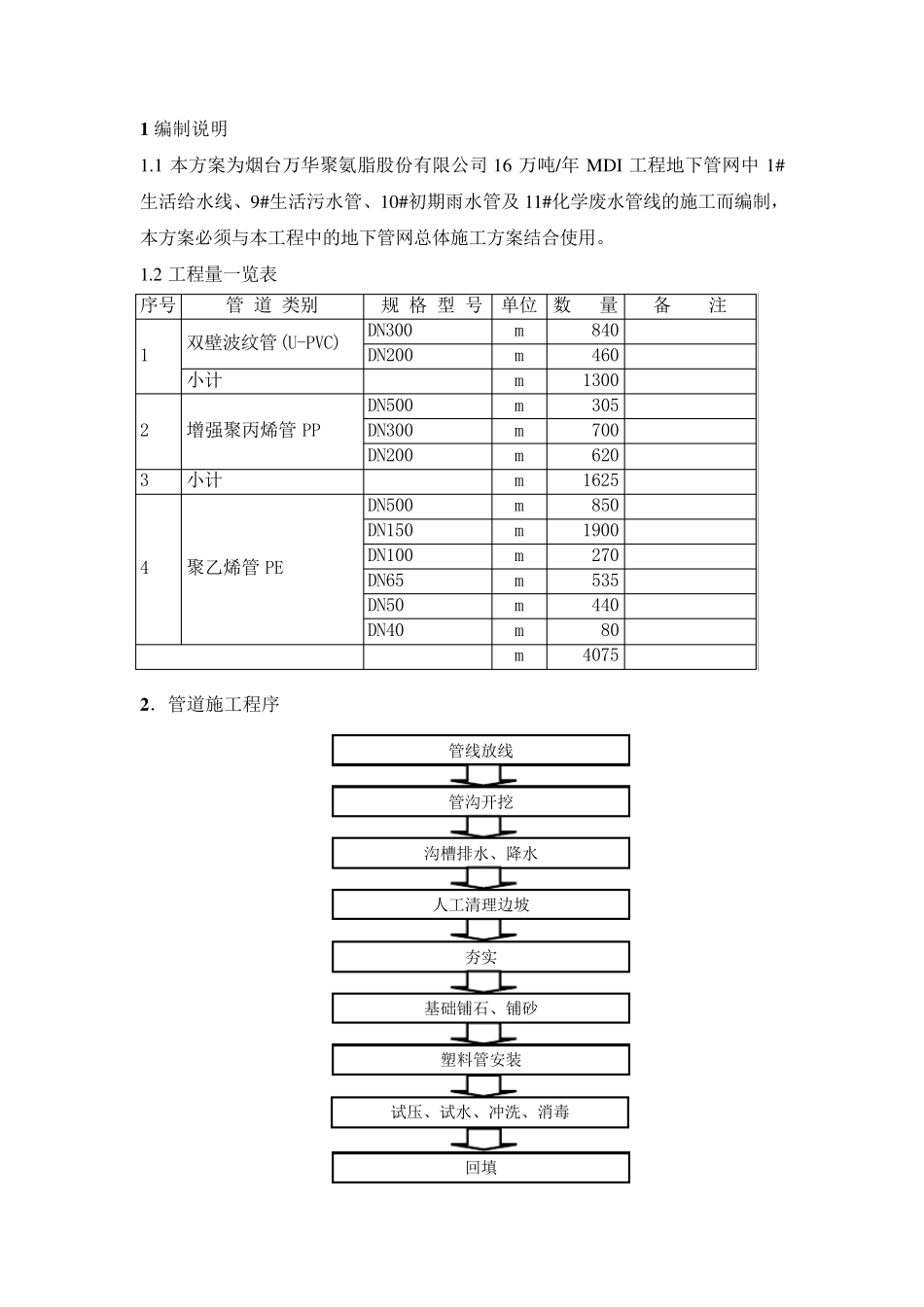
1 编制说明 1.1 本方案为烟台万华聚氨脂股份有限公司16 万吨/年M DI 工程地下管网中1#生活给水线、9#生活污水管、10#初期雨水管及 11#化学废水管线的施工而编制,本方案必须与本工程中的地下管网总体施工方案结合使用。 1.2 工程量一览表 序号 管 道 类别 规 格 型 号 单位 数 量 备 注 1 双壁波纹管(U-PVC) DN300 m 840 DN200 m 460 小计 m 1300 2 增强聚丙烯管PP DN500 m 305 DN300 m 700 DN200 m 620 3 小计 m 1625 4 聚乙烯管PE DN500 m 850 DN150 m 1900 DN100 m 270 DN65 m 535 DN50 m 440 DN40 m 80 m 4075 2 .管道施工程序 管线放线 管沟开挖 沟槽排水、降水 夯实 基础铺石、铺砂 塑料管安装 试压、试水、冲洗、消毒 回填 人工清理边坡 3.材料管理 3.1 本工程所使用的非金属材料有Q235A/HRL、FRP/UPVC、FRP/PVC、PE/CS、CPVC、UPVC。 3.2 各种材料都需具有出厂合格证。其质量应符合相应的管材及管件标准。 3.3 各种材料需有明确标识,防止混乱,要按其品种、规格和材质分类摆放整齐。 3.4 管材及配件在运输、装卸及堆放过程中严禁抛扔或激烈碰撞;管材堆放时应放平垫实,堆放高度不宜超过 1.5m;本工程中所用材料为承插式,堆放时相邻两层管材的承口应相互倒置并让出承口部位,以免承口受集中荷载;管材堆放时不得与金属材料或其它物质混放,并防止遭受日晒和冷冻而变形。 3.5 所有阀门施工前须按所标公称压力,根据规范规定进行水压试验。 4.管沟开挖 管沟开挖按《地下管道总体施工方案》进行。并应按如下图所示挖出管道接口处的焊接操作坑。 5 沟槽排水、降水 沟槽排水、降水按《地下管道总体施工方案》进行。 6.管底 基 础 处理 土 方开挖完 毕 ,边 波 及沟底 人 工理好 后 ,在沟底 铺 200mm 厚 的碎 石 垫层,上铺 200mm 的细 砂 层。如遇 淤 泥 或其它粘 土 时,应首 先 采 用抛石 挤 淤 法 或清 除 软 土 ,至 稳 固 地基 ,再 按上 述 作法 进行施工。 7.塑 料管安 装 7.1 管子 的切 割 7.1.1 所有管子 切 割 前都应移 植 原 有标记 ,所有管子 使用前必 须调 直 。 图4.2 焊接操作坑示意 图 深 500 现 场 接口 单 位: m m 操作坑 400 600 900 700 排水沟 塑 料管 7.1.2 管子切割采用木工锯或粗齿钢锯; 7.1.3 管子切口表面...

1、当您付费下载文档后,您只拥有了使用权限,并不意味着购买了版权,文档只能用于自身使用,不得用于其他商业用途(如 [转卖]进行直接盈利或[编辑后售卖]进行间接盈利)。
2、本站所有内容均由合作方或网友上传,本站不对文档的完整性、权威性及其观点立场正确性做任何保证或承诺!文档内容仅供研究参考,付费前请自行鉴别。
3、如文档内容存在违规,或者侵犯商业秘密、侵犯著作权等,请点击“违规举报”。

碎片内容

塑料管道施工方案

您可能关注的文档

确认删除?
VIP
微信客服
  • 扫码咨询
会员Q群
  • 会员专属群点击这里加入QQ群
客服邮箱
回到顶部