电脑桌面
添加小米粒文库到电脑桌面
安装后可以在桌面快捷访问

塔吊基础施工方案VIP免费

塔吊基础施工方案_第1页
1/13
塔吊基础施工方案_第2页
2/13
塔吊基础施工方案_第3页
3/13
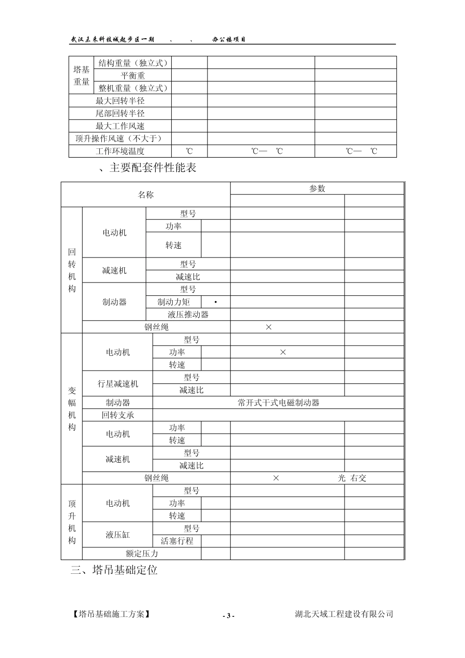
武汉未来科技城起步区一期 A5-1、A5-2、A5-4办公楼项目 2012-2 【塔吊基础施工方案】 - 1 - 湖北天域工程建设有限公司 目 录 一、编制依据 ....................................................................................... - 2 - 二、塔吊选型 ....................................................................................... - 2 - 1、主要技术性能表 ....................................................................... - 2 - 2、主要配套件性能表 ................................................................... - 3 - 三、塔吊基础定位 ............................................................................... - 3 - 1、基础定位 ................................................................................... - 4 - 四、塔吊基础施工方法 ....................................................................... - 5 - 五、塔吊基础验算书 ........................................................................... - 6 - 1、参数信息 ................................................................................... - 6 - 2. 塔吊基础承载力计算 ............................................................... - 7 - 3、地基基础承载力验算 ............................................................... - 8 - 4、受冲切承载力验算 ................................................................... - 8 - 5、承台配筋计算 ......................................................................... - 1 0 - 武汉未来科技城起步区一期 A5-1、A5-2、A5-4办公楼项目 2012-2 【塔吊基础施工方案】 - 2 - 湖北天域工程建设有限公司 一、编制依据 1、武汉未来科技城A5项目—北区办公楼工程施工图纸; 2、塔吊租赁公司出据的塔吊固定基础图; 3、武汉未来科技城A5项目—北区办公楼工程工程地质勘探报告; 4、《塔式起重机设计规范》(GB/T13752-1992); 5、《地基基础设计规范》(GB50007-2002); 6、《建筑结构荷载规范》(GB50009-2001); 7、《建筑安全检查标准》(JGJ59-99); 8、《混凝土结构设计规范》(GB50010-2002)。 二、塔吊选型 本...

1、当您付费下载文档后,您只拥有了使用权限,并不意味着购买了版权,文档只能用于自身使用,不得用于其他商业用途(如 [转卖]进行直接盈利或[编辑后售卖]进行间接盈利)。
2、本站所有内容均由合作方或网友上传,本站不对文档的完整性、权威性及其观点立场正确性做任何保证或承诺!文档内容仅供研究参考,付费前请自行鉴别。
3、如文档内容存在违规,或者侵犯商业秘密、侵犯著作权等,请点击“违规举报”。

碎片内容

塔吊基础施工方案

小辰+ 关注
实名认证
内容提供者

出售各种文档和资料

确认删除?
VIP
微信客服
  • 扫码咨询
会员Q群
  • 会员专属群点击这里加入QQ群
客服邮箱
回到顶部