电脑桌面
添加小米粒文库到电脑桌面
安装后可以在桌面快捷访问

塔吊电气控制线路原理说明VIP免费

塔吊电气控制线路原理说明_第1页
1/7
塔吊电气控制线路原理说明_第2页
2/7
塔吊电气控制线路原理说明_第3页
3/7
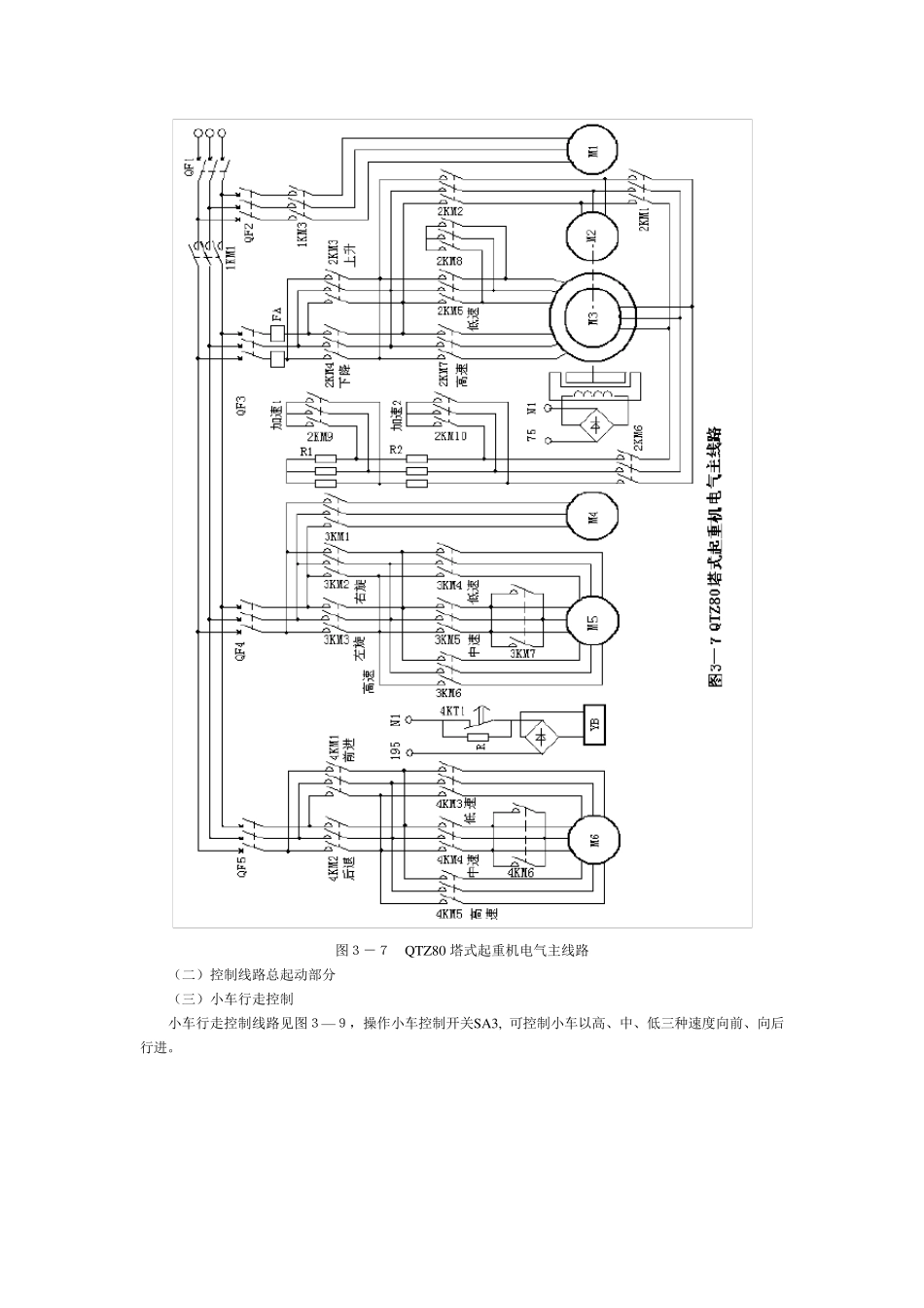
塔式起重机电气控制线路 塔式起重机简称塔机,具有回转半径大、提升高度高、操作简单、装卸容易等优点,是建筑工地普遍使用的一种起重机械。 塔机外型示意图见图3—6,由金属结构部分、机械传动部分、电气系统和安全保护装置组成。电气系统由电动机、控制系统、照明系统组成。通过操作控制开关完成重物升降、塔臂回转和小车行走操作。 图3—6 塔式起重机外型示意图 1-机座;2-塔身;3-顶升机构;4-回转机构; 5-行走小车;6-塔臂;7-驾驶室;8-平衡臂;9-配重 塔机又分为轨道行走式、固定式、内爬式、附着式、平臂式、动臂式等,目前建筑施工和安装工程中使用较多的是上回转自升固定平臂式。下面以QTZ80型塔式起重机为例,对电气控制原理进行分析。 (一) 主回路部分 图3-7 QTZ80 塔式起重机电气主线路 (二)控制线路总起动部分 (三)小车行走控制 小车行走控制线路见图3—9,操作小车控制开关SA3, 可控制小车以高、中、低三种速度向前、向后行进。 图3—9 小车行走控制线路 控制原理如下: 1、小车行走控制 2、线路保护 (1)终点极限保护:当小车前进(后退)到终点时,终点极限开关4SQ1(4SQ2)断开,控制线路中前进(后退)支路被切断,小车停止行进。 (2)临近终点减速保护:当小车行走临近终点时,限位开关4SQ3、4SQ4断开,中间继电器4KA1失电,中速支路、高速支路同时被切断,低速支路接通,电动机低速运转。 (3)力矩超限保护:力矩超限保护接触器1KM2常开触头接入向前支路,当力矩超限时,1KM2失电,向前支路被切断,小车只能向后行进。 (四)塔臂回转控制 塔臂回转控制线路见图3—10,操作回转控制开关SA2 , 可控制塔臂以高、中、低三种速度向左、向右旋转。 控制原理如下: 1、右(左)回转控制 1、 制动器控制 图3— 10 塔臂回转控制线路 3、线路保护 (1)回转角度限位保护:当向右(左)旋转到极限角度时,限位器3SQ1(3SQ2)动作,3KM2(3KM3)失电,回转电动机停转,只能做反向旋转操作; (2)回转角度临界减速保护:当向右(左)旋转接近极限角度时,减速限位开关3SQ3(3SQ4)动作断开,3KA1、3KM5、3KM6、3KM7失电,3KM4得电,回转电动机低速运行。 (五)、起升控制, 操作起升控制开关SA1分别置于不同档位,可用低、中、高三种速度起吊。 起升控制线路如图3— 11所示,为了便于分析电气控制过程,现将提升状态五个档位对应控制线路...

1、当您付费下载文档后,您只拥有了使用权限,并不意味着购买了版权,文档只能用于自身使用,不得用于其他商业用途(如 [转卖]进行直接盈利或[编辑后售卖]进行间接盈利)。
2、本站所有内容均由合作方或网友上传,本站不对文档的完整性、权威性及其观点立场正确性做任何保证或承诺!文档内容仅供研究参考,付费前请自行鉴别。
3、如文档内容存在违规,或者侵犯商业秘密、侵犯著作权等,请点击“违规举报”。

碎片内容

塔吊电气控制线路原理说明

您可能关注的文档

小辰4+ 关注
实名认证
内容提供者

出售各种资料和文档

确认删除?
VIP
微信客服
  • 扫码咨询
会员Q群
  • 会员专属群点击这里加入QQ群
客服邮箱
回到顶部