电脑桌面
添加小米粒文库到电脑桌面
安装后可以在桌面快捷访问

壁挂炉安装流程VIP免费

壁挂炉安装流程_第1页
1/12
壁挂炉安装流程_第2页
2/12
壁挂炉安装流程_第3页
3/12
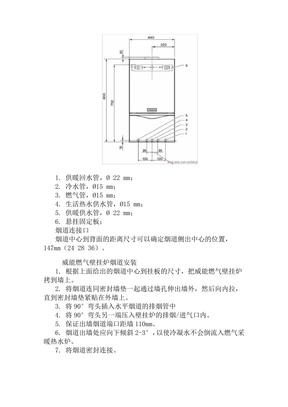
1. 装 修 时 , 燃 气 管 道 及 表 具 严 禁 业 主 私 自 拆 卸 改 造 , 详 情 请联 系 燃 气 公 司 ; 2. 装 修 时 , 如 业 主 需 拆 卸 壁 挂 炉 , 必 须 提 前 与 燃 气 公 司 联 系或 到 物 业 进 行 咨 询 登 记 , 由 燃 气 公 司 指 定 的 专 业 技 术 人 员 上 门 服务 ; 3. 装 修 时 , 若 发 现 设 备 或 管 道 漏 水 , 请 立 即 关 闭 冷 水 进 水 管道 阀 门 和 采 暖 系 统 阀 门 ; 若 闻 到 燃 气 气 味 包 括 怀 疑 燃 气 泄 露 时 ,请 立 即 打 开 门 窗 通 风 , 并 关 闭 燃 气 总 阀 门 。 4. 装 修 时 ,确 保 壁 挂 炉 体 及 相 应 设 备 周 围 有 充 足 的 维 修 空 间 ,切 不 可 包 在 壁 橱 内 , 周 围 物 体 与 壁 挂 炉 及 相 应 设 备 的 最 小 距 离 :上 方 和 下 方 : 300mm; 左 右 两 侧 : 50mm; 前 方 : 600mm; 5. 装 修 时 , 确 保 壁 挂 炉 旁 边 装 有 220V 电 源 插座, 电 路改 造 需按电 工相 关 规范要求进 行 ; 6. 壁 挂 炉 的 点火调试均由 燃 气 设 备 公 司 进 行 实施, 业 主 请 勿自 行 调试。 安装 地点的 选择: 1、安装 燃 气 壁 挂 炉 的 墙壁 应 为承重墙。 2、安装 地点接近燃 气 、水 和 地漏 。 3、容易安装 烟道 , 排放烟气 。 4、便于用户操作, 保 留足 够维 修 保 养空 间 。 5、安装 房间 温度空 气 湿度不 超过85%。 9、当安装 在 其他燃 具 上 方 时 , 炉 体 与 该燃 气 具 水 平净距 离 不 得小 于300mm。 散热系 统 适合威能燃 气 壁 挂 炉 1、采 暖 系 统 供、回水 管 之间 的 温差一般在 10-20℃左 右 。 最 小 流量应 满足 500L/h。 2、系 统 设 计必 须 容易将管 路中的 残余气 体 排出。 管 路系 统 的 最高点应 设 置自 动排气 阀 。 3、在 安装 燃 气 采 暖 热水 炉 (威能燃 气 壁 挂 炉 )之前 , 必 须 彻底冲洗采 暖 系 统 管 路, 保 证杂质或 泥沙不 会影响设 备 正常运行 , 同时 在设 备 进 水 口应...

1、当您付费下载文档后,您只拥有了使用权限,并不意味着购买了版权,文档只能用于自身使用,不得用于其他商业用途(如 [转卖]进行直接盈利或[编辑后售卖]进行间接盈利)。
2、本站所有内容均由合作方或网友上传,本站不对文档的完整性、权威性及其观点立场正确性做任何保证或承诺!文档内容仅供研究参考,付费前请自行鉴别。
3、如文档内容存在违规,或者侵犯商业秘密、侵犯著作权等,请点击“违规举报”。

碎片内容

壁挂炉安装流程

确认删除?
VIP
微信客服
  • 扫码咨询
会员Q群
  • 会员专属群点击这里加入QQ群
客服邮箱
回到顶部