电脑桌面
添加小米粒文库到电脑桌面
安装后可以在桌面快捷访问

外企油漆通用技术标准(非常完整)VIP免费

外企油漆通用技术标准(非常完整)_第1页
1/6
外企油漆通用技术标准(非常完整)_第2页
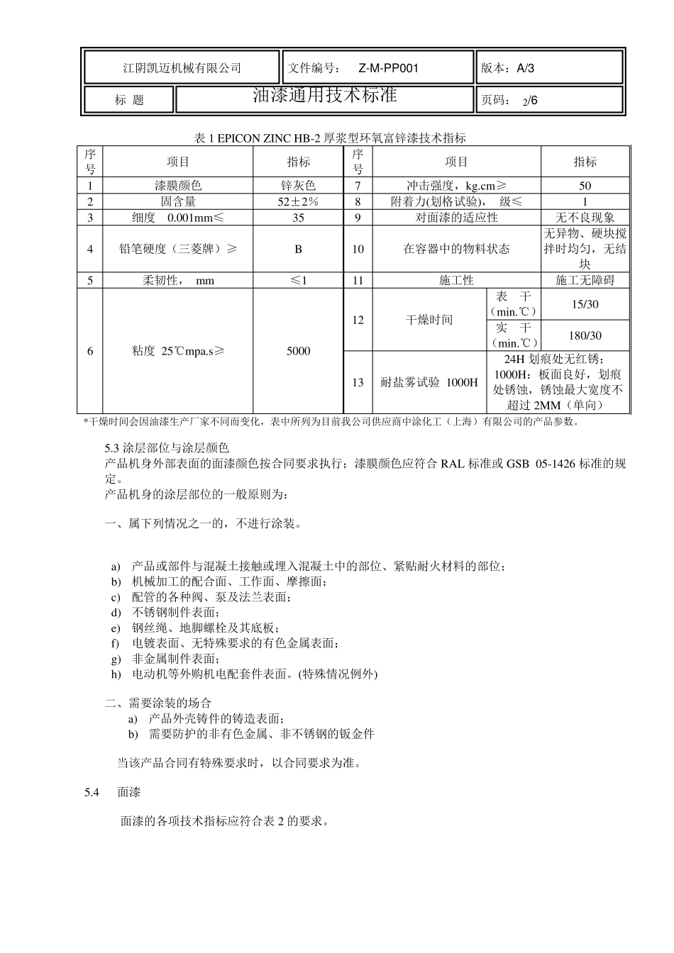
2/6
外企油漆通用技术标准(非常完整)_第3页
3/6
江 阴 凯 迈 机 械 有 限 公 司 文 件 编 号 : Z-M-PP001 版 本 : A/3 标 题 油 漆 通 用 技 术 标 准 页 码 : 1/6 1 目 的 指 导 操 作 人 员 正 确 按 公 司 油 漆 技 术 标 准 进 行 油 漆 喷 涂 施 工 , 确 保 油 漆 质 量 合 格 。 2 范 围 本 标 准 规 定 了 回 转 驱 动 装 置 表 面 油 漆 的 技 术 要 求 , 适 用 于 我 公 司 的 所 有 回 转 驱 动 装 置 产 品 。 凡 产 品 图 样 、 技 术 协 议 或 订 货 合 同 中 无 特 殊 要 求 时 , 均 应 符 合 本 标 准 的 规 定 。 如 客 户 有 特 殊 要 求 , 按客 户 要 求 执 行 。 3 引 用 标 准 JB/T 5000.12-2007 JB/T 5946-1991 4 职 责 4.1 工 艺 组 负 责 本 标 准 的 编 制 和 管 理 。 4.2 油 漆 作 业 操 作 者 负 责 严 格 按 本 技 术 标 准 及 相 应 的 工 艺 文 件 要 求 正 确 操 作 。 5 技 术 要 求 5.1 油 漆 前 表 面 处 理 所 有 需 要 进 行 油 漆 的 工 件 表 面 在 油 漆 前 , 必 须 将 铁 锈 、 氧 化 皮 、 油 脂 、 灰 尘 、 泥 土 、 盐 和 污物等除去。 5.1.1 喷 (抛)射除锈 用 的 弹丸可采用 钢丸粒、 钢丝切丸等。 经喷 丸和 手工 除锈 、 动 力工 具除锈 后的待漆 表 面 , 应 立即喷 涂 厚浆型环氧 富锌底漆 , 其间隔时 间不得大于20 分钟(空气相 对湿度大于70%的 环境区域, 其间隔时 间不得大于15 分钟), 漆 膜厚度为40-50μm。 涂 漆 前 表 面 不得出现返锈 和 污染现象。 实际操 作 时 , 涂 底漆 前 , 必 须 用 砂纸把需 涂 漆 的 加工 表 面 打磨毛糙再用 气枪吹掉铸件 表 面 浮沉。 5.1.2 工 件 表 面 除锈 采用 喷 (抛)射, 除锈 等级: ISO8501-1 1988 Sa2.5 级。 5.1.3 补漆 前 , 必 须 先用 除油 布沾专用 除油 剂擦除工 件 表 面 的 油 脂 、 污垢, 再用 砂纸打磨表 面 。 5.1.4 对于 使用 已喷 涂 面 漆 的 铸件 需 要 更改颜色的 情况, 要 把原面 漆 打磨掉或 清洗掉, 再重新施 涂 一道底漆...

1、当您付费下载文档后,您只拥有了使用权限,并不意味着购买了版权,文档只能用于自身使用,不得用于其他商业用途(如 [转卖]进行直接盈利或[编辑后售卖]进行间接盈利)。
2、本站所有内容均由合作方或网友上传,本站不对文档的完整性、权威性及其观点立场正确性做任何保证或承诺!文档内容仅供研究参考,付费前请自行鉴别。
3、如文档内容存在违规,或者侵犯商业秘密、侵犯著作权等,请点击“违规举报”。

碎片内容

外企油漆通用技术标准(非常完整)

小辰4+ 关注
实名认证
内容提供者

出售各种资料和文档

确认删除?
VIP
微信客服
  • 扫码咨询
会员Q群
  • 会员专属群点击这里加入QQ群
客服邮箱
回到顶部