电脑桌面
添加小米粒文库到电脑桌面
安装后可以在桌面快捷访问

外墙保温真石漆工程施工方案VIP免费

外墙保温真石漆工程施工方案_第1页
1/14
外墙保温真石漆工程施工方案_第2页
2/14
外墙保温真石漆工程施工方案_第3页
3/14
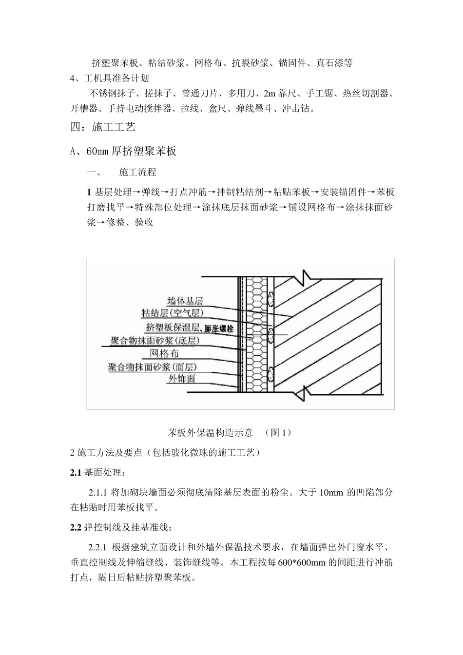
外墙保温、真石漆工程 施 工 方 案 2 0 1 4 年 7 月 2 日 一、工程概况: 本工程为外墙保温、真石漆工程,采用 B1 级挤塑聚苯板厚 60厚 , 真 石 漆 。 二 、 技 术 说 明 : 1 、 编 制 依 据 :《 居 住 建 筑 节 能 设 计 标 准 》 DBJ01-602-2004, 以 及 《 公 共 建 筑 节 能设 计 标 准 》 DBJ01-621-2005。 2 、 保 温 系 统 构 造 外 保 温 系 统 构 造 表 表 1.0.2.2 基 层 墙 体 挤 塑 聚 苯 板 聚 合 物 砂 浆 做 法 外 墙 外 保 温 系 统 基 本 构 造 构 造 示 意 粘 结 层 保 温 层 底 层 防 护层 增 强 材 面 层 防 护层 外 饰 面 混 凝 土墙 , 各 种砌 体 墙 聚 合 物 粘 结剂 , 加 设 机 械锚 固 件 挤 塑 板 聚 合 物 抹面 砂 浆 网 格 布 聚 合 物 抹面 砂 浆 涂 料 三 、 材 料 准 备 1、 编 写 技 术 施 工 方 案 , 经 报 批 后 方 可 进 场 施 工 。 2、 外 墙 结 构 基 面 处 理 : A、 节 构 外 墙 经 过 工 程 验 收 达 到 标 准 的 , 方 可 进 行 外 墙 外 保 温 施 工 , 外 保 温 施 工 前 由 总 包 牵 头 与 主 体 结 构 办 理 中 间 交 接 验 收 。 B、 进 行 外 墙 外 保 温 施 工 的 墙 体 基 面 的 尺 寸 偏 差还应符合 下表 一之规定: 主 体 结 构 墙 体 基 面 的 允许偏 差 表 一 结 构 做 法 项目 允许偏 差, ≤, ㎜ 砌 体 墙 面 垂直度 每层 5(2m 托线板 检查) 工 程 全高 ≤10m 10 经 纬仪或吊线检查 >10m 20 表 面 平 整 度 5 2m 直尺 和 楔 形 塞 尺 检查 3、 材 料 准 备 : 挤塑聚苯板、粘结砂浆、网格布、抗裂砂浆、锚固件、真石漆等 4、工机具准备计划 不锈钢抹子、搓抹子、普通刀片、多用刀、2m 靠尺、手工锯、热丝切割器、开槽器、手持电动搅拌器、拉线、盒尺、弹线墨斗、冲击钻。 四:施工工艺 A、60mm 厚挤塑聚苯板 一、 施工流程 1 基层处理→弹线→打点冲筋→拌制粘结剂→粘贴苯板→安装锚固件→苯板打磨找平→特殊部位处理→涂抹底层抹面砂浆→铺设网格布→涂抹抹面砂浆→修整、验收 苯板外保温构造...

1、当您付费下载文档后,您只拥有了使用权限,并不意味着购买了版权,文档只能用于自身使用,不得用于其他商业用途(如 [转卖]进行直接盈利或[编辑后售卖]进行间接盈利)。
2、本站所有内容均由合作方或网友上传,本站不对文档的完整性、权威性及其观点立场正确性做任何保证或承诺!文档内容仅供研究参考,付费前请自行鉴别。
3、如文档内容存在违规,或者侵犯商业秘密、侵犯著作权等,请点击“违规举报”。

碎片内容

外墙保温真石漆工程施工方案

您可能关注的文档

确认删除?
VIP
微信客服
  • 扫码咨询
会员Q群
  • 会员专属群点击这里加入QQ群
客服邮箱
回到顶部