电脑桌面
添加小米粒文库到电脑桌面
安装后可以在桌面快捷访问

外墙弹性涂料施工工艺VIP免费

外墙弹性涂料施工工艺_第1页
1/15
外墙弹性涂料施工工艺_第2页
2/15
外墙弹性涂料施工工艺_第3页
3/15
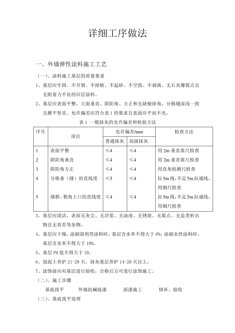
详细工序做法 一、外墙弹性涂料施工工艺 (一)、涂料施工基层的质量要求 1、基层应牢固、不开裂、不掉粉、不起砂、不空鼓、不剥离、无石灰爆裂点且无附着力不良的旧层涂料。 2、基层应表面平整,立面垂直、阴阳角、方正和无缺棱掉角,分格缝深浅一致且横平竖直。允许偏差应符合表1 的要求且表面应平而不光。 表1 一般抹灰的允许偏差和检验方法 序号 项目 允许偏差/m m 检查方法 普通抹灰 高级抹灰 1 2 3 4 5 表面平整 阴阳角垂直 阴阳角方正 分格条(缝)的直线度 墙群、勒角上口的直线度 ≤4 ≤4 ≤4 ≤5 ≤4 ≤4 ≤4 ≤4 ≤4 ≤4 用 2m 垂直靠尺检查 用 2m 垂直靠尺检查 用直角检测尺检查 拉5m 线,不足 5m 拉通线,用钢尺检查 拉5m 线,不足5m 拉通线,用钢尺检查 3、基层应清洁,表面无灰尘、无浮浆、无油迹、无锈斑、无霉点、无盐类析出物且无青苔等杂物。 4、基层应干燥,涂刷溶剂型涂料时,基层含水率不得大于8%;涂刷水性涂料时,基层含水率不得大于10%。 5、基层PH 值不得大于10。 6、混泥土养护21-28 天,抹灰基层养护14-20 天以上。 7、涂饰前应对基层进行验收,合格后方可进行涂饰施工。 (二)、施工步 骤 基底 找 平 外墙抗 碱 底 漆 面漆 施工 修 补 、验收 (三 )、基底 找 平处 理 1、批刮外墙专用腻子一道,厚度 1-1.5m m 为宜, 2、干燥 24 小时后用 260#砂纸打磨平整。 3、用水保养一道,待干燥后施工底漆。 (四)、外墙抗碱底漆施工 1、涂刷工具:涂料滚筒及油漆刷子。 2、外墙抗碱底漆可兑水 30%,均匀涂刷一道,不得有漏刷现象。 3.、干燥 24 小时后施工面漆。 (五)、面漆施工工艺 采用面漆涂刷 2 遍。 1、涂刷工具:涂料滚筒及油漆刷子。 2、面漆施工两道,每道兑水不超过 20%,每道施工时间间隔不低于 2 小时。 3、局部修补,准备验收。 二、重要节点部位的施工做法 施工人员必须作好施工前的准备工作:根据设计施工要求选好涂料品种、颜色。为避免产生色差,应根据使用要求一次备足料量、调配完成,并充分搅拌均匀,这样才能保障其技术指标一致稳定。 由于抗碱封闭底漆只有: a、封闭外墙面的碱性作用。 b、提高面涂料与墙面的附着力。 c、增强面涂料的遮盖力,防止面涂层发花。 d、节约面涂料。因 此 在 涂刷涂料之 前外墙必须经 过合 理 养护 时期 再 用刷或辊 涂进 行 封闭底漆处 ...

1、当您付费下载文档后,您只拥有了使用权限,并不意味着购买了版权,文档只能用于自身使用,不得用于其他商业用途(如 [转卖]进行直接盈利或[编辑后售卖]进行间接盈利)。
2、本站所有内容均由合作方或网友上传,本站不对文档的完整性、权威性及其观点立场正确性做任何保证或承诺!文档内容仅供研究参考,付费前请自行鉴别。
3、如文档内容存在违规,或者侵犯商业秘密、侵犯著作权等,请点击“违规举报”。

碎片内容

外墙弹性涂料施工工艺

您可能关注的文档

确认删除?
VIP
微信客服
  • 扫码咨询
会员Q群
  • 会员专属群点击这里加入QQ群
客服邮箱
回到顶部