电脑桌面
添加小米粒文库到电脑桌面
安装后可以在桌面快捷访问

多媒体教室施工规范VIP免费

多媒体教室施工规范_第1页
1/6
多媒体教室施工规范_第2页
2/6
多媒体教室施工规范_第3页
3/6
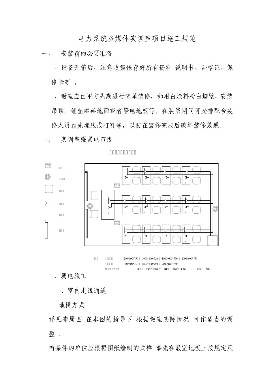
电力系统多媒体实训室项目施工规范 一、 安装前的必要准备 1、设备开箱后,注意收集保存好所有资料(说明书、合格证、保修卡等)。 2、教室应由甲方先期进行简单装修,如用白涂料粉白墙壁,安装吊顶,铺垫磁砖地面或者静电地板等。在装修期间可安排配合装修人员预先埋线或打孔等,以防在装修完成后破坏装修效果。 二、 实训室强弱电布线 TPTPTPTPTPTPTPTPTPTPTPTPTPTP电力系统实训室布局图投影机网络摄像头网络机柜电源插座网络插座投影屏幕说明: 学员桌规格:1200*600*750 , 1600*600*750 , 1800*600*750 , 2000*600*750讲台桌规格:1600*600*750 , 1800*800*750 , 2000*800*750投影屏幕实际安装尺寸:100寸(2300*1700 ),84寸(2000*1400 )单位:M M 1、弱电施工 1.1、室内走线通道 (1)地槽方式 详见布局图(在本图的指导下,根据教室实际情况,可作适当的调整)。 有条件的单位应根据图纸绘制的式样,事先在教室地板上按规定尺寸,方向开槽,再用水泥平整敷好,并按尺寸准备好木质盖板。 (2)PVC线槽方式 详见布局图(在本图的指导下,根据教室实际情况,可作适当的调整)。 如果单位的地板不具备开槽条件,例如出现地板层太薄等情况,可使用PVC线槽替代。 应按照多媒体教室布局图中的地槽位置安装线槽。并使用塑料膨胀加自攻螺钉固定。 (3)PVC套管方式 详见布局图(在本图的指导下,根据教室实际情况,可作适当的调整)。 如果采用静电地板铺设方式,可使用PVC管,施工时注意管线要排列整齐,并用扎带捆扎,管卡固定。 1.2、学员桌安放 学员桌在设计初期应因地制宜,应根据楼层实际高度(如有吊顶和静电地板均应考虑在内)来设计,如学员桌挡板高度要求为 30-40公分,遇楼层偏低时就需考虑挡板高度,或者采用小尺寸屏幕,以免在实际使用时造成学员视线被阻挡。12张学员双人桌分成四排,三列摆放(见布局图)。前后桌间距 80公分以上,通道间距 70公分以上,第一排学员桌距屏幕间距应在280公分以上,末排后的空间应在100公分以上。 1.3、机柜安装 准备1台网络机柜,用于安装交换机,功放,服务器等相关设备,机柜的位置可根据教室的实际情况及使用单位的要求摆放,应注意通风、受潮等情况 各设备应按使用者要求合理安排位置,设备间距应在 5公分以上。. 1.4、双绞线布线 采用8芯超五类 UTP非屏蔽双绞线,星型布线结构。 从机柜内交换机位置起 ,下到机柜底部出线口 ,沿地槽分别引到各个桌子用户点位处 ,两端均按...

1、当您付费下载文档后,您只拥有了使用权限,并不意味着购买了版权,文档只能用于自身使用,不得用于其他商业用途(如 [转卖]进行直接盈利或[编辑后售卖]进行间接盈利)。
2、本站所有内容均由合作方或网友上传,本站不对文档的完整性、权威性及其观点立场正确性做任何保证或承诺!文档内容仅供研究参考,付费前请自行鉴别。
3、如文档内容存在违规,或者侵犯商业秘密、侵犯著作权等,请点击“违规举报”。

碎片内容

多媒体教室施工规范

小辰8+ 关注
实名认证
内容提供者

出售各种资料和文档

确认删除?
VIP
微信客服
  • 扫码咨询
会员Q群
  • 会员专属群点击这里加入QQ群
客服邮箱
回到顶部