电脑桌面
添加小米粒文库到电脑桌面
安装后可以在桌面快捷访问

2025年空气开关工作原理VIP专享VIP免费

2025年空气开关工作原理_第1页
1/2
2025年空气开关工作原理_第2页
2/2
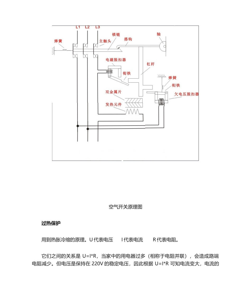
空气开关原理图过热保护用到热胀冷缩的原理。U 代表电压 I 代表电流 R 代表电阻。 它们之间的关系是 U=I*R,当家中的用电器过多(相称于电阻并联),会造成路端电阻减少。但电压是保持在 220V 的稳定电压,因此根据 U=I*R 可知电流变大,电流的增大会产生大量的热,同时空气开关中的空气也开始膨胀。由于在有限的空间里空气膨胀带来一种推力,当推力达成足够大时会把开关推成断路。就是我们说的跳闸了。 过流保护当线路发生短路或严重过载电流时,短路电流超出瞬时脱扣整定电流值,电磁脱扣器产生足够大的吸力,将衔铁吸合并撞击杠杆,使搭钩绕转轴座向上转动与锁扣脱开,锁扣在反力弹簧的作用下将三副主触头分断,切断电源。欠压保护电压正常时,电磁吸力吸住衔铁,主触头闭合。电压严重下降或断电时,电磁吸力释放,衔铁在弹簧力的作用下向上并撞击杠杆,使搭钩绕转轴座向上转动与锁扣脱开,锁扣在反力弹簧的作用下将三副主触头分断,切断电源。

1、当您付费下载文档后,您只拥有了使用权限,并不意味着购买了版权,文档只能用于自身使用,不得用于其他商业用途(如 [转卖]进行直接盈利或[编辑后售卖]进行间接盈利)。
2、本站所有内容均由合作方或网友上传,本站不对文档的完整性、权威性及其观点立场正确性做任何保证或承诺!文档内容仅供研究参考,付费前请自行鉴别。
3、如文档内容存在违规,或者侵犯商业秘密、侵犯著作权等,请点击“违规举报”。

碎片内容

2025年空气开关工作原理

您可能关注的文档

确认删除?
VIP
微信客服
  • 扫码咨询
会员Q群
  • 会员专属群点击这里加入QQ群
客服邮箱
回到顶部