电脑桌面
添加小米粒文库到电脑桌面
安装后可以在桌面快捷访问

石油课程设计--课程设计模板-油库VIP专享VIP免费

石油课程设计--课程设计模板-油库_第1页
1/24
石油课程设计--课程设计模板-油库_第2页
2/24
石油课程设计--课程设计模板-油库_第3页
3/24
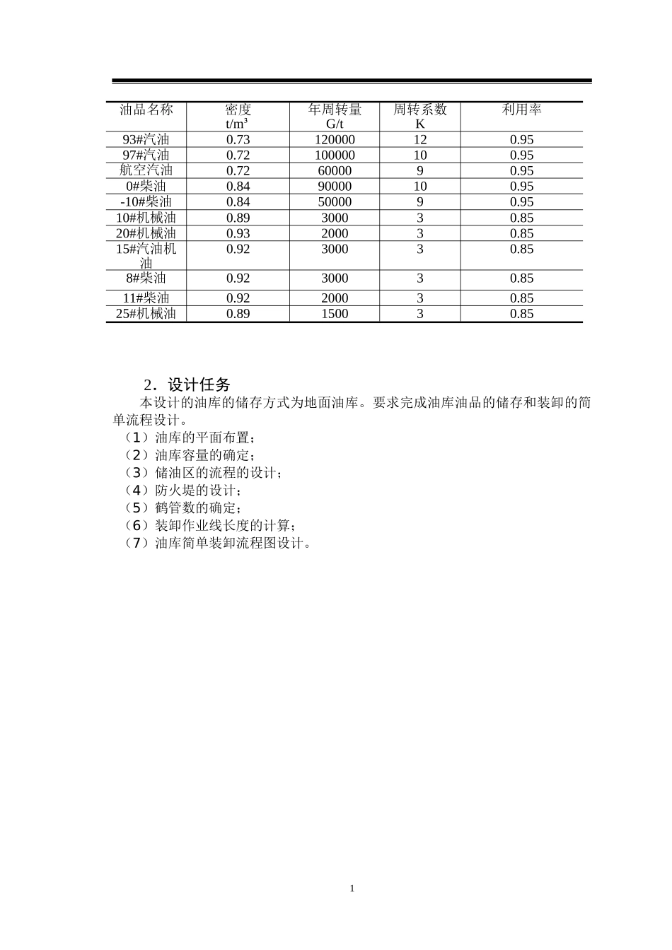
目 录一、课程设计的基本任务...............................................................................................1(一)设计的目的意义...........................................................................................1(二)设计任务.......................................................................................................1二、油库平面布置图及罐区布置图设计.......................................................................3(一)油库平面布置图设计及说明.......................................................................3(二)确定油库容量、油罐个数、油库的等级...................................................4(三)罐区平面布置图设计...................................................................................7三、防火堤、隔堤高度的计算.....................................................................................10(一)汽油区防火堤、隔堤高度计算.................................................................11(二)柴油区防火堤、隔堤高度计算.................................................................11(三)粘油区防火堤、隔堤高度计算.................................................................11四、鹤管数及作业线长度的确定.................................................................................13(一)装卸各种油品需要的鹤管数.....................................................................14(二)作业线长度的设计计算及布置.................................................................15五、轻、粘油罐区流程图设计.....................................................................................19(一)汽油罐区流程图.........................................................................................19(二)柴油罐区流程图.........................................................................................20(三)粘油罐区流程图.........................................................................................21(四)总流程图设计.....................................................

1、当您付费下载文档后,您只拥有了使用权限,并不意味着购买了版权,文档只能用于自身使用,不得用于其他商业用途(如 [转卖]进行直接盈利或[编辑后售卖]进行间接盈利)。
2、本站所有内容均由合作方或网友上传,本站不对文档的完整性、权威性及其观点立场正确性做任何保证或承诺!文档内容仅供研究参考,付费前请自行鉴别。
3、如文档内容存在违规,或者侵犯商业秘密、侵犯著作权等,请点击“违规举报”。

碎片内容

石油课程设计--课程设计模板-油库

确认删除?
VIP
微信客服
  • 扫码咨询
会员Q群
  • 会员专属群点击这里加入QQ群
客服邮箱
回到顶部