电脑桌面
添加小米粒文库到电脑桌面
安装后可以在桌面快捷访问

政工程施工允许偏差VIP免费

政工程施工允许偏差_第1页
1/6
政工程施工允许偏差_第2页
2/6
政工程施工允许偏差_第3页
3/6
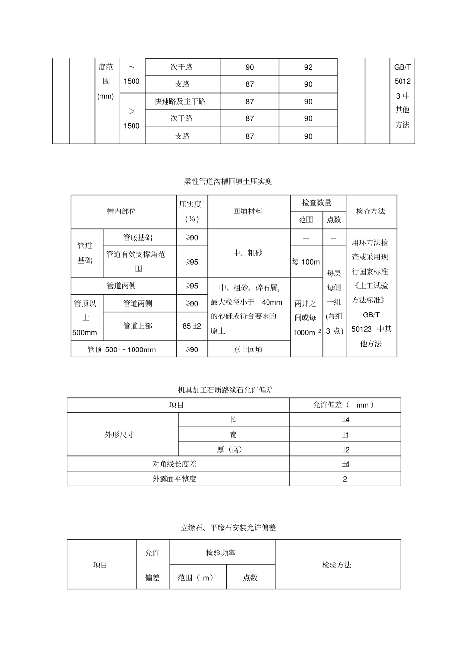
沟槽开挖的允许偏差序号检查项目允许偏差范围点数方法1 槽底高程土方±20 两井之间3 用水准仪测量石方+20 、-200 2 槽底中线每侧宽度不小于规定两井之间6 挂中线钢尺量每侧3 点3 沟槽边坡不陡于规定两井之间6 坡度尺每侧3 点管道基础允许偏差序号检查项目允许偏差范围点数检查方法1 垫层中线每侧宽度不小于设计要求每个验收批每 10米测一点,不少于 3点钢尺检查,每侧一点高程压力管道±30 水准仪测量无压管道0,-15 厚度不小于设计钢尺测量2 砼基础、管座平基中线每侧宽度+10 , 0 挂中线钢尺量每侧一点高程0,-15 水准仪厚度不小于设计钢尺测量管座肩宽+10 ,-5 挂中线,每侧一点肩高±20 井室的允许偏差检查项目允许偏差(mm) 检查数量检查方法范围点数1 平面轴线位置 (轴向、垂直轴向) 15 每座2 用钢尺量测、经纬仪测量2 结构断面尺寸+ 10 ,0 2 用钢尺量测3 井室尺寸长、宽±20 2 用钢尺量测直径4 井口高程农田或绿地+ 20 1 用水准仪测量路面与道路规定一致5 井底高程开槽法管道铺设Di≤1000 ±10 2 Di>1000 ±15 不开槽法管道铺设Di<1500 +10 ,―20 Di≥1500 +20 ,―40 6 踏步安装水平及垂直间距、外露长度±10 1 用尺量测偏差较大值7 脚窝高、宽、深±10 8 流槽宽度+ 10 刚性管道沟槽回填土压实度序号项目最低压实度 (%) 检查数量检查方法重型击实标准轻型击实标准范围点数1 石灰土类垫层93 95 100m 每层每侧一组(每组 3点) 用环刀法检查或采用现行国家标准《土工试验方法标准》2 沟槽在路基范围外胸腔部分管侧87 90 两井之间或1000m2管顶以上 500mm 87 ±2(轻型 ) 其余部分≥90( 轻型 )或按设计要求农田或绿地范围表层500mm 范围内不宜压实, 预留沉降量, 表面整平3 沟槽在路基范围内胸腔部分管侧87 90 管顶以上 250mm 87 ±2(轻型 ) 由路槽底算起的深≤800 快速路及主干路95 98 次干路93 95 支路90 92 >800 快速路及主干路93 95 度范围(mm) ~1500 次干路90 92 GB/T 50123 中其他方法支路87 90 >1500 快速路及主干路87 90 次干路87 90 支路87 90 柔性管道沟槽回填土压实度槽内部位压实度(%) 回填材料检查数量检查方法范围点数管道基础管底基础≥90 中、粗砂——用环刀法检查或采用现行国家标准《土工试验方法标准》GB/T 50123 中其他方法管道有效支撑角范围≥95 每 100m 每层每侧一组(每组3 ...

1、当您付费下载文档后,您只拥有了使用权限,并不意味着购买了版权,文档只能用于自身使用,不得用于其他商业用途(如 [转卖]进行直接盈利或[编辑后售卖]进行间接盈利)。
2、本站所有内容均由合作方或网友上传,本站不对文档的完整性、权威性及其观点立场正确性做任何保证或承诺!文档内容仅供研究参考,付费前请自行鉴别。
3、如文档内容存在违规,或者侵犯商业秘密、侵犯著作权等,请点击“违规举报”。

碎片内容

政工程施工允许偏差

您可能关注的文档

确认删除?
VIP
微信客服
  • 扫码咨询
会员Q群
  • 会员专属群点击这里加入QQ群
客服邮箱
回到顶部