电脑桌面
添加小米粒文库到电脑桌面
安装后可以在桌面快捷访问

政工程试验检测项目VIP免费

政工程试验检测项目_第1页
1/5
政工程试验检测项目_第2页
2/5
政工程试验检测项目_第3页
3/5
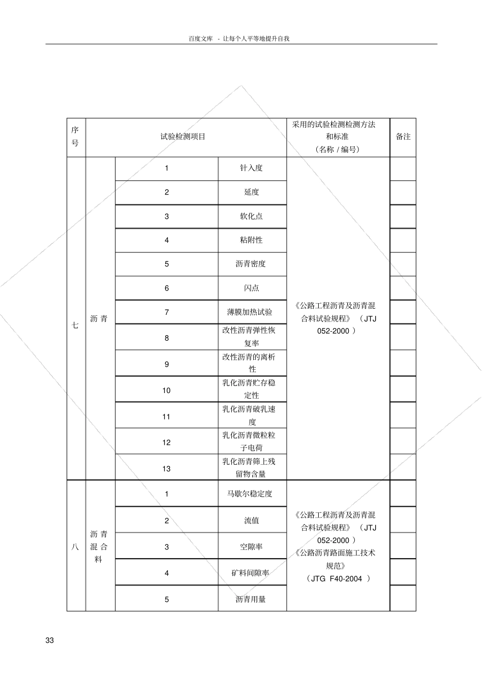
百度文库- 让每个人平等地提升自我11 市政工程试验检测项目第 1页共 4页序号试验检测项目采用的试验检测检测方法和标准(名称 / 编号)备注一土1颗粒级配《公路土工试验规程》(JTG E40-2007)2界限含水量3最大干密度4最佳含水量5CBR二集料1颗粒级配《公路工程集料试验规程》(JTG E42-2005 )2压碎值3针片状颗粒含量4密度5含水率6泥块含量7矿 粉 亲 水系 数8磨 耗 值9细 集 料 含泥 量10砂 当 量11坚固性三水泥1凝结时间《公路工程水泥及水泥混凝土试验规程》(JTG E30-2005 )《水泥化学分析方法》(GB/T 176-2008 )2安定性3胶砂强度4标准稠度用水量5密度6比表面积7胶砂流动度第2页共 4页百度文库- 让每个人平等地提升自我22 序号试验检测项目采用的试验检测检测方法和标准(名称 / 编号)备注四水泥混凝土、砂浆1抗压强度《普通混凝土配合比设计规程》(JGJ 55-2000 )《公路桥涵施工技术规范》( JTJ 041-2000 )《公路水泥混凝土路面施工技术规范》( JTG F30-2003 )《砌筑砂浆配合比设计规程》(JGJ 98-2000 )《公路工程水泥及水泥混凝土试验规程》( JTG E30-2005 )《建筑砂浆基本性能试验方法标准》(JGJ/T 70-2009 )2抗折强度3配合比设计4坍落度5 混 凝 土 凝 结 时 间6 砂 浆 稠 度7 分 层 度8 抗 渗 性9 表 观 密 度10 劈 裂 抗 拉 强 度五外加剂1减 水 率《公路工程无机结合料稳定材料试验规程》 (JTG E51-2009 )《公路路面基层施工技术规范》( JTJ 034-2000 )2抗 压 强 度 比3pH 值4氯 离 子 含 量六无机结合料稳定材料1最大干密度《公路工程无机结合料稳定材料试验规程》 (JTG E51-2009 )《公路路面基层施工技术规范》( JTJ 034-2000 )2最佳含水量3无 侧 限 抗 压 强 度4水 泥 或 石 灰 剂 量第3页共 4页百度文库- 让每个人平等地提升自我33 序号试验检测项目采用的试验检测检测方法和标准(名称 / 编号)备注七沥 青1针入度《公路工程沥青及沥青混合料试验规程》 (JTJ 052-2000 )2延度3软化点4粘附性5沥青密度6闪点7薄膜加热试验8 改性沥青弹性恢复率9 改性沥青的离析性10 乳化沥青贮存稳定性11 乳化沥青破乳速度12 乳化沥青微粒粒子电荷13 乳化沥青筛上残留物含量八沥 青混 合料1马歇尔稳定度《公路工程沥青及沥青混合料试验规程》 (JTJ 052-2000 )《公路沥青路面施工技术规范》...

1、当您付费下载文档后,您只拥有了使用权限,并不意味着购买了版权,文档只能用于自身使用,不得用于其他商业用途(如 [转卖]进行直接盈利或[编辑后售卖]进行间接盈利)。
2、本站所有内容均由合作方或网友上传,本站不对文档的完整性、权威性及其观点立场正确性做任何保证或承诺!文档内容仅供研究参考,付费前请自行鉴别。
3、如文档内容存在违规,或者侵犯商业秘密、侵犯著作权等,请点击“违规举报”。

碎片内容

政工程试验检测项目

文库响当当+ 关注
实名认证
内容提供者

该用户很懒,什么也没介绍

确认删除?
VIP
微信客服
  • 扫码咨询
会员Q群
  • 会员专属群点击这里加入QQ群
客服邮箱
回到顶部