电脑桌面
添加小米粒文库到电脑桌面
安装后可以在桌面快捷访问

教学楼工程混凝土施工方案VIP免费

教学楼工程混凝土施工方案_第1页
1/12
教学楼工程混凝土施工方案_第2页
2/12
教学楼工程混凝土施工方案_第3页
3/12
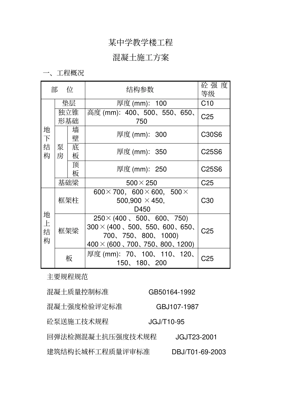
某中学教学楼工程混凝土施工方案一、工程概况部位结构参数砼 强 度等级地下结构垫层厚度 (mm):100 C10 独立锥形基础高度 (mm):400、500、550、650、750 C25 泵房墙壁厚度 (mm):300 C30S6 底板厚度 (mm):350 C25S6 顶板厚度 (mm):250 C25S6 基础梁500×250 C25 地上结构框架柱600×700,600×600,500×500,900 ×450, D450 C30 框架梁250×(400 、500、600、750)300×(400 、500、550、600、650、700、750、800、1000) 400×(600 、700、750、800、1200) C25 板厚度 (mm):70、100、110、120、150、180、200 C25 主要规程规范混凝土质量控制标准 GB50164-1992 混凝土强度检验评定标准 GBJ107-1987 砼泵送施工技术规程 JGJ/T10-95 回弹法检测混凝土抗压强度技术规程 JGJT23-2001 建筑结构长城杯工程质量评审标准 DBJ/T01-69-2003 二、施工准备1、供应商选择选择供应商,考察运距能否满足需求及砼质量;随时抽查搅拌站后台计量、原材料等,确保供应质量;签定供货合同时由技术人员提供具体供应时间、砼强度登级、所需车辆及间隔时间,特殊技术要求如抗渗、防冻剂、入模温度、坍落度、水泥及预防碱集料反应所需提供的资料。本工程地下室及柱基础按京建[1999]230号文件规定属于Ⅱ类工程砼碱含量不大于3kg/m3,商品混凝土搅拌商应编制预防砼碱集料反应的技术措施,浇注地下部位砼前预先上报配合比及所选各种材料的产地、碱活性等级、各项指标检测及砼碱含量的评估报告。2、砼浇筑前,组织施工管理人员学习施工规范规定,对施工方案进行交底,使操作人员明确施工部位,浇筑部位砼强度登记及质量标准。3、组织防线人员做好标高控制工作,在竖向钢筋上做明显标记。4、商品砼必须有出场合格证和开盘鉴定以及砼出厂小票,并且符合设计要求。5、完成钢筋隐检工作,检查支铁、垫块、保护层厚度,核实预埋件,水、电管线、盒、槽、预埋孔洞的位置、标高、数量及固定情况。检查模板下口,洞口及阴阳角处拼缝是否严密,各种埋件是否牢固,检查并清理模板内残留杂物,用风机吹干净,检查电源、线路,并做好照明准备工作。6、主要机具:插入式振捣器、铁锹、汽车泵、木抹子、胶皮水套、胶皮水管、扫帚等。7、人员:工程安排砼工60 人、木工10 人、电工4 人、架子工 20 人、试验工2 人、信号工2 人、测量工2 人,浇筑之前施工现场的操作人员应到位,做好一切施工准备。记录人员做好记录准备,测温人员做好测...

1、当您付费下载文档后,您只拥有了使用权限,并不意味着购买了版权,文档只能用于自身使用,不得用于其他商业用途(如 [转卖]进行直接盈利或[编辑后售卖]进行间接盈利)。
2、本站所有内容均由合作方或网友上传,本站不对文档的完整性、权威性及其观点立场正确性做任何保证或承诺!文档内容仅供研究参考,付费前请自行鉴别。
3、如文档内容存在违规,或者侵犯商业秘密、侵犯著作权等,请点击“违规举报”。

碎片内容

教学楼工程混凝土施工方案

确认删除?
VIP
微信客服
  • 扫码咨询
会员Q群
  • 会员专属群点击这里加入QQ群
客服邮箱
回到顶部