电脑桌面
添加小米粒文库到电脑桌面
安装后可以在桌面快捷访问

安全管理考评表.VIP免费

安全管理考评表._第1页
1/2
安全管理考评表._第2页
2/2
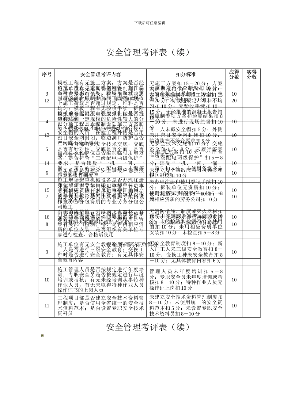
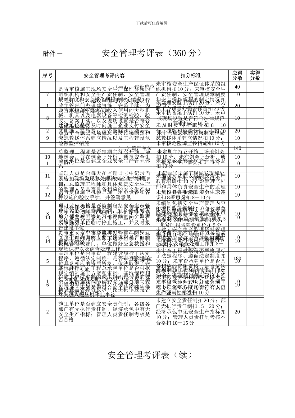
下载后可任意编辑附件一 安全管理考评表(360 分)安全管理考评表(续)序号安全管理考评内容扣分标准应得分数实得分数(一)、建设单位401工程开工前,建设单位是否到市建设行政主管部门办理建筑施工安监手续;为职工办理意外损害保险未办理安监手续扣 20 分;未为职工办理意外损害保险扣 20 分202建设单位是否及时向施工企业支付安全文明施工措施费,是否肢解和违法分包工程未 及 时 支 付 措 施 费 扣 8 - 10分;肢解和违法分包工程扣 10分;20(二)监理单位1401监理单位是否建立企业安全生产管理体系未建立企业安全生产管理体系扣 10 分102是否加强对从业人员的安全生产教育培训;总监理工程师和具体负责安全生产的监理人员是否具备相应的安全生产知识未加强对从业人员的安全生产教育培训扣 10 分;总监理工程师和具体负责安全生产的监理人员不具备相应的安全生产知识扣 8-10 分103项目监理机构是否编制包括安全生产管理内容的项目监理规划;对危险性较大的分部分项工程是否单独编制安全监理实施规划未编制包括安全生产管理内容的项目监理规划扣 10 分;对危险性较大的分部分项工程未单独编制安全监理实施规划扣 5-8 分104是否建立安全生产监理资料管理制度;安全生产方面的主要监理资料是否由注册监理师签字未建立安全生产监理资料管理制度扣 10 分;安全生产方面的主要监理资料未由注册监理师签字扣 8-10 分105监理单位是否审查工程建设履行了法定程序、遵循法定制度;是否审查承建单位具备相应的资质资格、依法取得了安全生产许可证未审查工程建设是否严格履行了法定程序、遵循法定制度扣10 分;未审查承建单位是否具备相应的资质资格,是否依法取得了安全生产许可证扣 10 分106对施工单位编制的施工组织设计中的安全技术措施和危险性较大分部分项工程专项施工方案是否符合安全生产强制性标准是否进行审核未审核安全技术措施扣 10 分;未审核危险性较大分部分项工程专项施工方案是否符合安全生产强制性标准扣 10 分10序号安全管理考评内容扣分标准应得分数实得分数7是否审核施工现场安全生产保证体系的组织机构和安全生产责任制、安全管理规章制度和安全操作规程的制定情况未审核安全生产保证体系的组织机构扣 10 分;未审核安全生产责任制、安全管理规章制度和安全操作规程的制定情况扣10 分108是否审核施工现场拟投入使用的大型机械、机具以及电器设备等检测检验、验收、备案手续,以及现...

1、当您付费下载文档后,您只拥有了使用权限,并不意味着购买了版权,文档只能用于自身使用,不得用于其他商业用途(如 [转卖]进行直接盈利或[编辑后售卖]进行间接盈利)。
2、本站所有内容均由合作方或网友上传,本站不对文档的完整性、权威性及其观点立场正确性做任何保证或承诺!文档内容仅供研究参考,付费前请自行鉴别。
3、如文档内容存在违规,或者侵犯商业秘密、侵犯著作权等,请点击“违规举报”。

碎片内容

安全管理考评表.

您可能关注的文档

确认删除?
VIP
微信客服
  • 扫码咨询
会员Q群
  • 会员专属群点击这里加入QQ群
客服邮箱
回到顶部