电脑桌面
添加小米粒文库到电脑桌面
安装后可以在桌面快捷访问

2025年通信线路施工技术标准VIP专享VIP免费

2025年通信线路施工技术标准_第1页
1/9
2025年通信线路施工技术标准_第2页
2/9
2025年通信线路施工技术标准_第3页
3/9
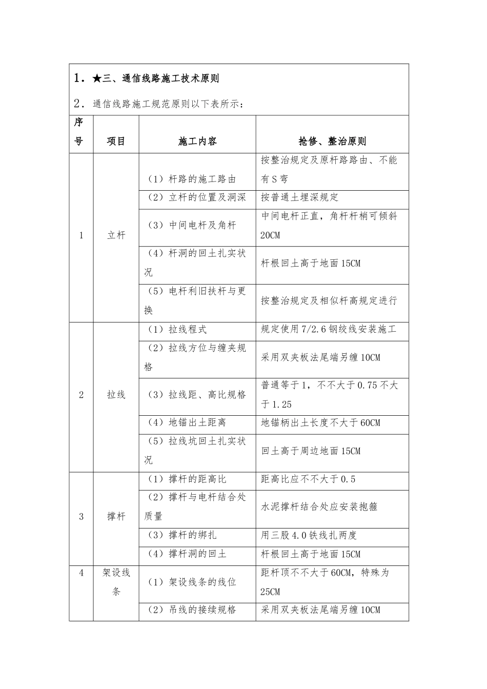
1.★三、通信线路施工技术原则2.通信线路施工规范原则以下表所示:序号项目施工内容抢修、整治原则1立杆(1)杆路的施工路由按整治规定及原杆路路由、不能有 S 弯(2)立杆的位置及洞深按普通土埋深规定(3)中间电杆及角杆中间电杆正直,角杆杆梢可倾斜20CM(4)杆洞的回土扎实状况杆根回土高于地面 15CM(5)电杆利旧扶杆与更换按整治规定及相似杆高规定进行2拉线(1)拉线程式规定使用 7/2.6 钢绞线安装施工(2)拉线方位与缠夹规格采用双夹板法尾端另缠 10CM(3)拉线距、高比规格普通等于 1,不不大于 0.75 不大于 1.25(4)地锚出土距离地锚柄出土长度不大于 60CM(5)拉线坑回土扎实状况回土高于周边地面 15CM3撑杆(1)撑杆的距高比距高比应不不大于 0.5(2)撑杆与电杆结合处质量水泥撑杆结合处应安装抱箍(3)撑杆的绑扎用三股 4.0 铁线扎两度(4)撑杆洞的回土杆根回土高于地面 15CM4架设线条(1)架设线条的线位距杆顶不不大于 60CM,特殊为25CM(2)吊线的接续规格采用双夹板法尾端另缠 10CM(3)吊线的垂度应不不不大于原则垂度 5%(4)终端帮扎规格使用抱箍按双夹板法缠 10CM5其它(1)线路与其它设施间距树木建筑 1.25--2.0 米以上(2)与电力线平行与垂直交叉间距平行时为 2 米、垂直交叉时为 1米。(3)三线交叉保护包扎绝缘管材料解决6架空光缆(1)架挂光缆的挂钩使用挂钩或 1.2 单芯扎线绑扎 3度(2)光缆挂钩或绑扎间距普通为 50CM,偏差±5CM,转弯两侧的卡钩距离为 150~250mm。(3)光缆弯曲弯曲半径不不大于光缆外径 20 倍(4)架空光缆的垂度与水平相比应不大于 22--39CM(5)光缆余长解决杆上预留、制作支撑架绑扎保护(6)线路与其它设施间距树木、建筑 1.25--2.0 米以上(7)与电力线平行与垂直交叉间距平行时为 2 米、垂直交叉时为 1米。(8)三线交叉保护包扎绝缘管材料解决7子管敷设(1)塑料子管占用管孔位置按整治项目规定布放(2)子管在人手孔预留长度应超出人手孔内第一种托架15CM,用尼龙扎带固定(3)子管在人手孔的标志根据光缆性质应设立对应标志(4)子管敷设质量子管在管道孔内不得有接头,不得跨井敷设,子管管孔要封堵8管道光缆(1)敷设管道光缆的规格程式按整治项目规定布放(2)尽量整段敷设管道盘 8 字或倒盘两头布放减少接头光缆(3)人手孔内光缆敷设状况光缆和子管承放在托架上绑扎,无交叉穿越,不妨碍正常维护施工(4)人手孔内光缆弯曲半径弯...

1、当您付费下载文档后,您只拥有了使用权限,并不意味着购买了版权,文档只能用于自身使用,不得用于其他商业用途(如 [转卖]进行直接盈利或[编辑后售卖]进行间接盈利)。
2、本站所有内容均由合作方或网友上传,本站不对文档的完整性、权威性及其观点立场正确性做任何保证或承诺!文档内容仅供研究参考,付费前请自行鉴别。
3、如文档内容存在违规,或者侵犯商业秘密、侵犯著作权等,请点击“违规举报”。

碎片内容

2025年通信线路施工技术标准

您可能关注的文档

确认删除?
VIP
微信客服
  • 扫码咨询
会员Q群
  • 会员专属群点击这里加入QQ群
客服邮箱
回到顶部