电脑桌面
添加小米粒文库到电脑桌面
安装后可以在桌面快捷访问

差压式流量计介绍VIP专享VIP免费

差压式流量计介绍_第1页
1/38
差压式流量计介绍_第2页
2/38
差压式流量计介绍_第3页
3/38
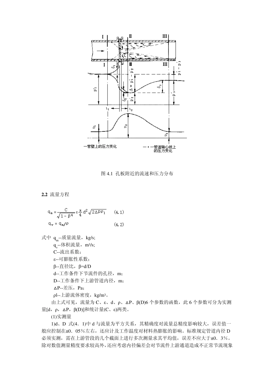
差压式流量计介绍 1 概 述 差压式流量计(以下简称DPF 或流量计)是根据安装于管道中流量检测件产生的差压、已知的流体条件和检测件与管道的几何尺寸来测量流量的仪表。DPF 由一次装置(检测件)和二次装置(差压转换和流量显示仪表)组成。通常以检测件的型式对 DPF 分类,如孔扳流量计、文丘里管流量计及均速管流量计等。二次装置为各种机械、电子、机电一体式差压计,差压变送器和流量显示及计算仪表,它已发展为三化(系列化、通用化及标准化)程度很高的种类规格庞杂的一大类仪表。差压计既可用于测量流量参数,也可测量其他参数(如压力、物位、密度等)。 DPF 按其检测件的作用原理可分为节流式、动压头式、水力阻力式、离心式、动压增益式和射流式等几大类,其中以节流式和动压头式应用最为广泛。 节流式DPF 的检测件按其标准化程度分为标准型和非标准型两大类。所谓标准节流装置是指按照标准文件设计、制造、安装和使用,无须经实流校准即可确定其流量值并估算流量测量误差,非标准节流装置是成熟程度较差,尚未列入标准文件中的检测件。 标准型节流式DPF 的发展经过漫长的过程,早在 20 世纪 20 年代,美国和欧洲即开始进行大规模的节流装置试验研究。用得最普遍的节流装置--孔板和喷嘴开始标准化。现在标准喷嘴的一种型式ISA l932 喷嘴,其几何形状就是30 年代标准化的,而标准孔板亦曾称为ISA l932 孔板。节流装置结构形式的标准化有很深远的意义,因为只有节流装置结构形式标准化了,才有可能把国际上众多研究成果汇集到一起,它促进检测件的理论和实践向深度和广度拓展,这是其他流量计所不及的。1980 年 ISO(国际标准化组织)正式通过国际标准 ISO 5167,至此流量测量节流装置第一个国际标准诞生了。ISO 5167 总结了几十年来国际上对为数有限的几种节流装置(孔板、喷嘴和文丘里管)的理论与试验的研究成果,反映了此类检测件的当代科学与生产的技术水平。但是从 ISO 5167 正式颁布之日起,它就暴露出许多亟待解决的问题,这些问题主要有以下几个方面。 1)ISO 5167 试验数据的陈旧性 ISO 5167 中采用的数据大多是30 年代的试验结果,今天无论节流装置制造技术,流量试验设备及实验技术都有巨大的进步,重新进行系统地试验以获得更高精确度及更可靠的数据是必要的。进入 80 年代美国和欧洲都进行大规模的试验,为修订 ISO 5167 打下基础。 2) ISO 5167 中关于直管段长度规定的问题 在 ISO 投...

1、当您付费下载文档后,您只拥有了使用权限,并不意味着购买了版权,文档只能用于自身使用,不得用于其他商业用途(如 [转卖]进行直接盈利或[编辑后售卖]进行间接盈利)。
2、本站所有内容均由合作方或网友上传,本站不对文档的完整性、权威性及其观点立场正确性做任何保证或承诺!文档内容仅供研究参考,付费前请自行鉴别。
3、如文档内容存在违规,或者侵犯商业秘密、侵犯著作权等,请点击“违规举报”。

碎片内容

差压式流量计介绍

确认删除?
VIP
微信客服
  • 扫码咨询
会员Q群
  • 会员专属群点击这里加入QQ群
客服邮箱
回到顶部