电脑桌面
添加小米粒文库到电脑桌面
安装后可以在桌面快捷访问

帷幕灌浆试验方案VIP免费

帷幕灌浆试验方案_第1页
1/9
帷幕灌浆试验方案_第2页
2/9
帷幕灌浆试验方案_第3页
3/9
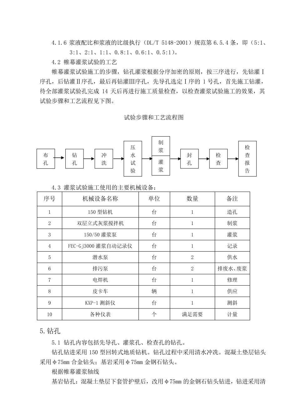
浑源县恒山水库除险加固工程土建01 标 帷幕灌浆试验方案 1.帷幕灌浆试验目的 在有代表性的地段进行帷幕灌浆试验,论证帷幕灌浆施工方案及施工参数的合理性,以指导本工程的施工,确保其满足设计要求。 1.1 论证帷幕灌浆在技术上的可行性、合理性; 1.2 通过检查孔做压水试验,检验透水率是否满足设计防渗标准3Lu; 1.3 提出孔深、孔距、排距、排数、灌浆压力、灌浆配比的技术参数; 1.4 提供灌浆段单位注入水泥量(kg/m)。 2.帷幕灌浆试验依据 1、《山西省浑源县恒山水库除险加固工程土建01 标》合同文件(合同编号:HYHSSK-TJ-2008-01); 2、《水工建筑物水泥灌浆施工技术规范》DL/T-5148-2001; 3、《水利水电钻孔压水试验规范》(SL25-92); 4、建设单位及设计单位的有关文件。 3.帷幕灌浆试验场地的选择和布孔 3.1 工程地质概述 坝基地层为寒武系上统的石灰岩、泥灰岩、页岩。石灰岩呈灰色或褐灰色,以中厚层为主、次为薄层,岩性致密坚硬,仅表层有一层风化薄膜。泥灰岩为薄层,并与薄层石灰岩呈互层状,互层状厚度为 0.1~1.7m 不等 。页岩为黑 色、紫 红 色,单层厚0.2~0.7m ,岩性软 弱 易 风化。第 12-(4)灰质粘 土页岩(多 次化学 分 析 结 果 定 名 )。页岩厚0.1m ,其底 部2~7m m ,在地表以下10~12m 范围 内 全 风化成 泥(粘 土)。 3.2 试验场地的选择 依据有关规范及设计要求, 选定 在左 岸 桩 号灌0+ 153.70~灌0+ 162.70 段之 间 进行单排孔帷幕灌浆试验。 3.3 试验孔的布置 3.3.1 帷幕灌浆试验孔的布置 与示 意 图 帷幕灌浆试验孔为垂 直 孔,分 三 序 孔布置 。试验段共 布置 试验孔 8 个 (其中先 导孔1 个 ),I 序 孔 3 个 ,II 序 孔 2 个 ,III 序 孔 2 个 ,检查孔 1 个 。先 导孔布设用I(WZ-7)序 孔代替 。检查孔在帷幕灌浆试验完 毕 后 ,通过灌浆资 料 的整 理、分 析 ,由 监 理与我 部共 同协 商 确定 。 待凝 检查 提交报告 试验孔的布置与示意图 一 1.5 二 1.5 三 1.5 先导 1.5 二 1.5 三 1.5 一 桩号 桩号 0+161.7 0+152.7 3.4 压水实验吕容值计算 Q q = L*P q 是吕容值 Q 是流量值 L 是段长值 P 是压力值 3.5 实验目的 灌浆结束后,基岩透水率不大于3Lu 3.6 施工工期 根据施工总进度的要求及气候条件的影响,我部拟于3 月7...

1、当您付费下载文档后,您只拥有了使用权限,并不意味着购买了版权,文档只能用于自身使用,不得用于其他商业用途(如 [转卖]进行直接盈利或[编辑后售卖]进行间接盈利)。
2、本站所有内容均由合作方或网友上传,本站不对文档的完整性、权威性及其观点立场正确性做任何保证或承诺!文档内容仅供研究参考,付费前请自行鉴别。
3、如文档内容存在违规,或者侵犯商业秘密、侵犯著作权等,请点击“违规举报”。

碎片内容

帷幕灌浆试验方案

确认删除?
VIP
微信客服
  • 扫码咨询
会员Q群
  • 会员专属群点击这里加入QQ群
客服邮箱
回到顶部