电脑桌面
添加小米粒文库到电脑桌面
安装后可以在桌面快捷访问

常用密封材料,产品选型,贮存VIP免费

常用密封材料,产品选型,贮存_第1页
1/9
常用密封材料,产品选型,贮存_第2页
2/9
常用密封材料,产品选型,贮存_第3页
3/9
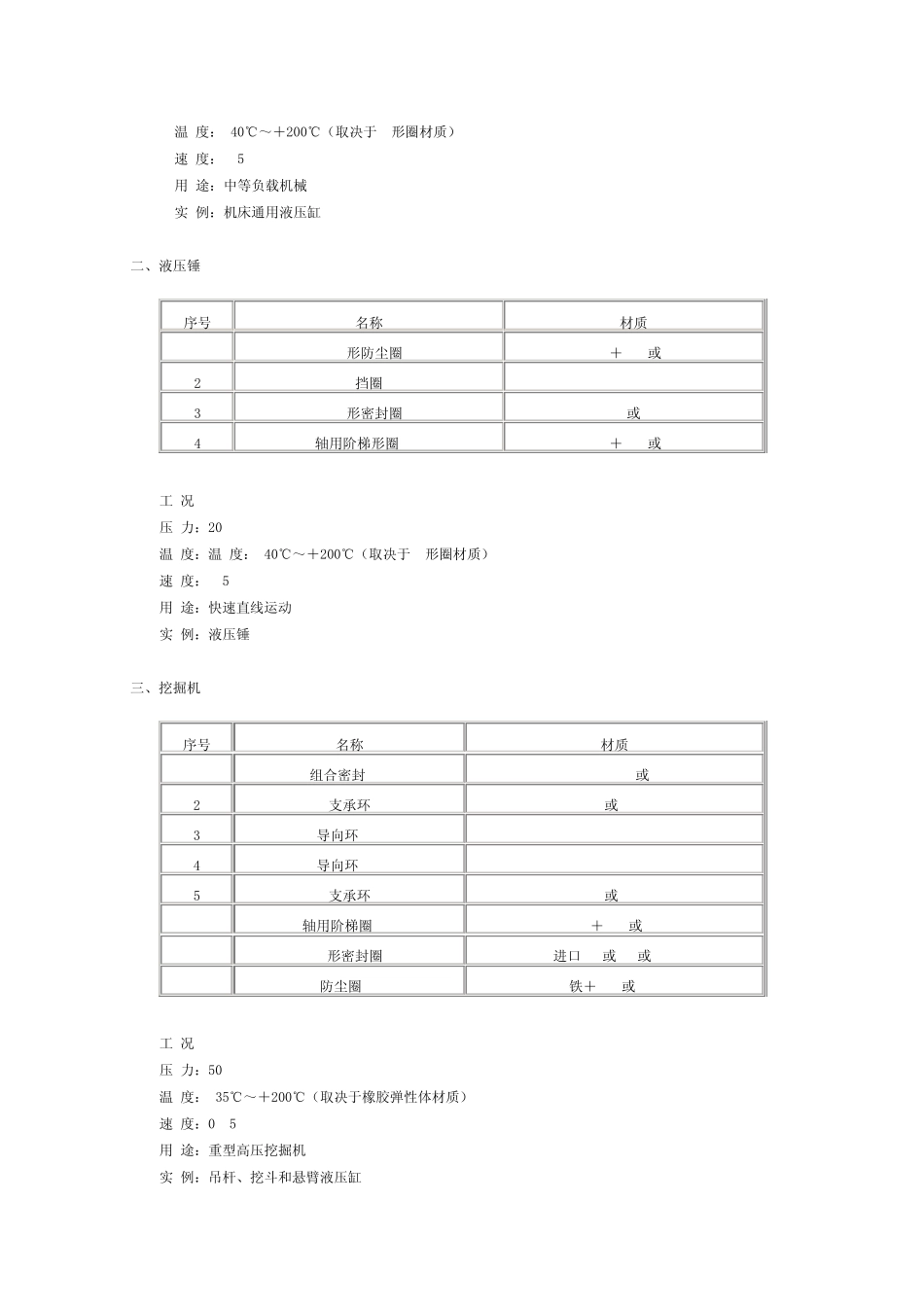
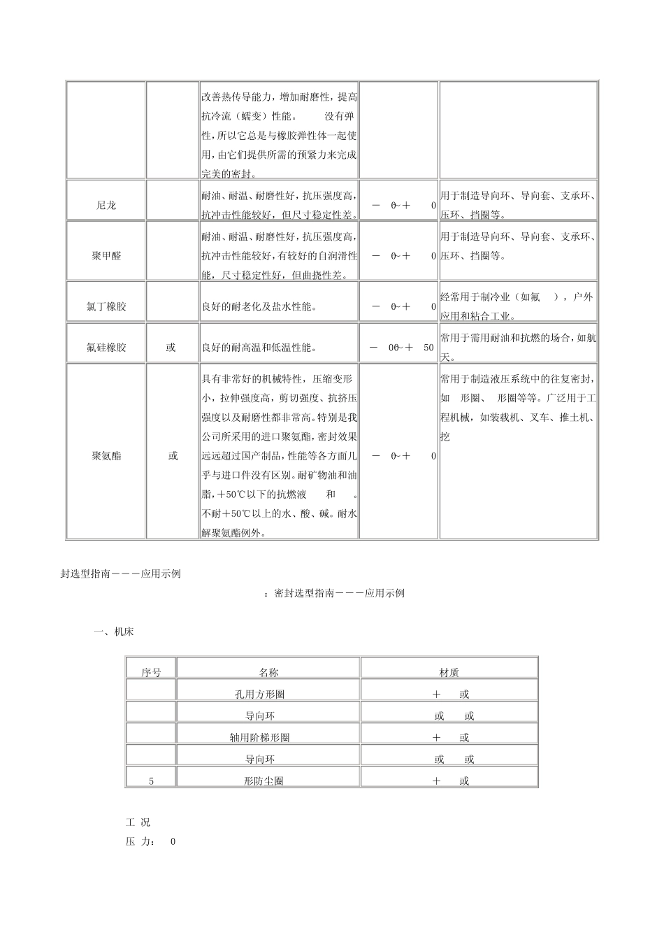
常用密封材料,产品选型,贮存。 文章出处:admin 发布时间: 2010-8-15 1:材料用途介绍 名称 代号 主要特点 工作温度℃ 主要用途 丁晴橡胶 NBR 耐油性能好,能和大多数矿物基油及油脂相容。但不适用于磷酸酯系列液压油及含极性添加剂的齿轮油,不耐芳香烃和氯化烃,酮,胺,抗然液HFD。 -40~+120 制造 O形圈、油封等。适用于一般液压油、水乙二醇 HFC和水包油乳化液HFA、HFB、动物油、植物油、燃油,沸水、海水,耐甲、乙、丙、丁烷。 橡塑复合 RP 材料的弹性模量大,强度高。其余性能同丁晴胶。 -30~+120 用于制造 O形圈、Y形圈、防尘圈等。应用于工程机械液压系统的密封。 氟橡胶 FKM或 FPM 耐热、耐酸碱及其它化学药品。耐油(包括磷酸酯系列液压油),适用于所有润滑油、汽油、液压油、合成油等。耐抗然液 HFD、燃油、链烃、芳香烃和氯化烃及大多数无机酸混合物。但不耐酮、胺、无水氨、低分子有机酸例甲酸和乙酸。 -20~+200 特点是耐高温、耐天候、耐臭氧和化学介质,几乎耐所有的矿物基和合成基液压油。但遇蒸汽、热水或低温场合,有一定的局限。它的低温性能有限,与蒸汽和热水的相容性中等,若遇这种场合,要选用特种氟橡胶。耐燃液压油的密封,在冶金、电力等行业用途广泛。 硅橡胶 PMQ或 MVQ 耐热、耐寒性好,压缩永久变形小,但机械强度低,只适用于静密封。 -60~+230 适用于高、低温下食品机械、电子产 品上的密封。 聚丙稀酸酯橡胶 ACM 耐热优于 NBR,可在含极性添加剂的各种润滑油、液压油、石油系液压油中工作,耐水较差。 -20~+150 用于各种汽车油封及各种齿轮箱、变速箱中,可耐中高温。 乙丙橡胶 EPDM或 EPM 耐气候性好,在空气中耐老化、耐弱酸,可耐氟里昂及多种制冷剂,不适用于矿物油。 -55~+260 广泛应用于冰箱及制冷机械的密封。耐蒸汽至 200℃、高温气体至 150℃。 聚四氟乙烯 PTFE 化学稳定性好,耐热、耐寒性好,耐油、水、气、化学药品等各种介质。机械强度较高,耐高压、耐磨性好,摩擦系数极低,自润滑性好。聚四氟乙烯有蠕动和冷流现象,在一定负荷的持续作用下时间的增长变形继续增加(该现象与温度有很大的关系)。纯聚四氟乙烯一般不能用作液压密封材料,只有填充型的 PTFE才能使用,常用的有青铜粉填充和玻璃纤维填充,这些填充剂降低热膨胀系数,-55~+260 用于制造密封环、耐磨环、导向环(带)、挡圈等,为机械上常用的密封...

1、当您付费下载文档后,您只拥有了使用权限,并不意味着购买了版权,文档只能用于自身使用,不得用于其他商业用途(如 [转卖]进行直接盈利或[编辑后售卖]进行间接盈利)。
2、本站所有内容均由合作方或网友上传,本站不对文档的完整性、权威性及其观点立场正确性做任何保证或承诺!文档内容仅供研究参考,付费前请自行鉴别。
3、如文档内容存在违规,或者侵犯商业秘密、侵犯著作权等,请点击“违规举报”。

碎片内容

常用密封材料,产品选型,贮存

您可能关注的文档

确认删除?
VIP
微信客服
  • 扫码咨询
会员Q群
  • 会员专属群点击这里加入QQ群
客服邮箱
回到顶部