电脑桌面
添加小米粒文库到电脑桌面
安装后可以在桌面快捷访问

常用进口模具钢材一览表VIP免费

常用进口模具钢材一览表_第1页
1/6
常用进口模具钢材一览表_第2页
2/6
常用进口模具钢材一览表_第3页
3/6
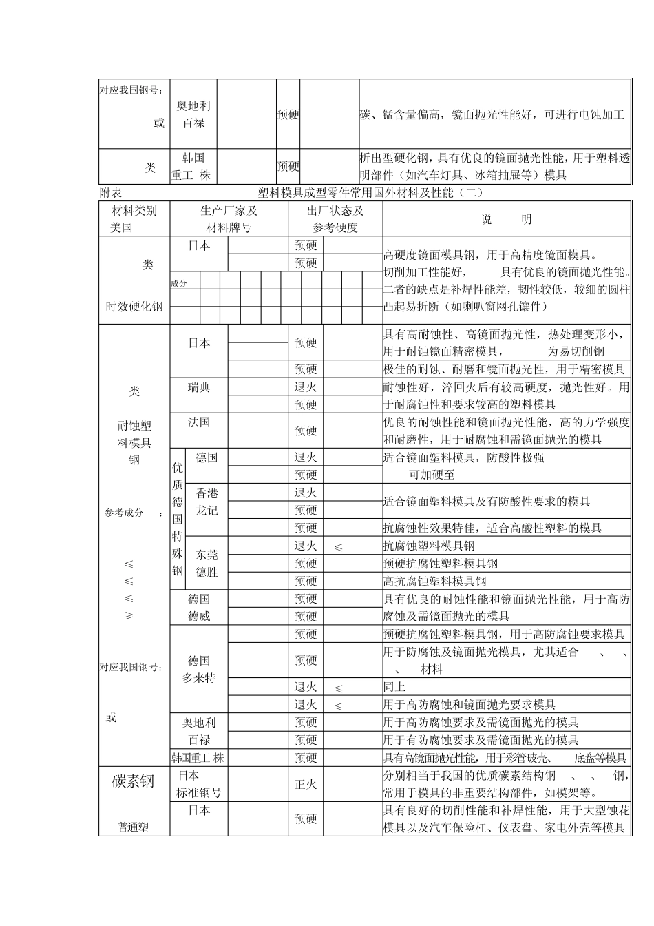
附表1 常用进口模具钢材一览表 厂家、牌号 类别档次 供货商 厂家、牌号 类别档次 供货商 瑞典 ASSAB 618 1 中 明利 日本 DAIDO NAK55 3 中 明利、龙记 718 2 高 明利、龙记 NAK80 3 高 明利、龙记 S136/S136H 4 高 明利、龙记 PDS-5 1 明利 8407 5 高 明利、龙记 PX4 1 8402 5 明利 PX5 1 中 优 质 德 国 特 殊 钢 材 GS-312 1+S 低 德胜 PX88 1 龙记 GS-318 1 低 德胜 PXZ 0 低 GS-738 2 中 德胜、龙记 S-STAR 4 GS-711 2 高 德胜 G-STAR 4 P20M 1 低 德胜 PAK90 4 龙记 GS-316 4 德胜 DH2F 5 GS-083/083H 4 德胜 德国 德威 GSW-2311 1 GS-344EFS 5 德胜 PM-311 1 昌兴隆 GS-638 1 中 龙记 GSW-2738 2 GS-2311 1 中 龙记 PM-738 2 昌兴隆 GS-2312 1+S 低 龙记 GSW-2316 4 GS-2316 4 龙记 PM-316 4 昌兴隆 GS-2083/2083H 4 龙记 GSW-2344 5 GS-2344 5 龙记 德国 多来特 2322 1 利昌 德国 EDEL 2311 1 中 明利 2328 1 利昌 318 1 低 明利 2378 2 利昌 2316/2316H 4 明利 2738 2 利昌 2344 5 明利 2083、2083ESR 4 利昌 法国 USINOR CLC 2738 2 2316、2316ESR 4 利昌 CLC 2316H 4 2344 5 利昌 法国 CLI SP300 1 奥地利 百禄 M202 1 昌兴隆、利昌 738 2 中 明利 M238 2 昌兴隆、利昌 韩国 重工业 (株) HP-1A 0 低 M300 4 昌兴隆、利昌 HP-4A 1 低 M310/310H 4 昌兴隆、利昌 HP-4MA 1 中 W302 5 HAM-10 3 高 加拿大SOREL CSM-2 1 明利 HEMS-1A 4 STD-61 5 日本三菱 MUP 1 中 龙记 HDS-1 5 S45C、S50C、S55C 0 低 昌兴隆、明利 注:类别对应为 1-P20类,2-P20+Ni类,3-P21类,4-420类耐蚀钢,5-H13类,0-碳素钢。 附表2 塑料模具成型零件常用国外材料及性能(一) 材料类别 (美国 AISI) 生产厂家及 材料牌号 出厂状态及 参考硬度 说 明 P20 类 瑞典 ASSAB *618 预硬 HB280-320 具有良好的抛光和切削加工性能,广泛应用于热塑性塑料的注射模(一般用于中小型模具,可焊性一般) 日本 PDS-5 预硬 HB280-310 具有良好的抛光和切削性能,用于长期生产塑料模具 预硬塑 料模具 钢 参考成分(%): C:0.28-0.40 Si:0.20-0.80 Mn:0.60-1.00 Cr:1.40-2.00 Mo:0.30-0....

1、当您付费下载文档后,您只拥有了使用权限,并不意味着购买了版权,文档只能用于自身使用,不得用于其他商业用途(如 [转卖]进行直接盈利或[编辑后售卖]进行间接盈利)。
2、本站所有内容均由合作方或网友上传,本站不对文档的完整性、权威性及其观点立场正确性做任何保证或承诺!文档内容仅供研究参考,付费前请自行鉴别。
3、如文档内容存在违规,或者侵犯商业秘密、侵犯著作权等,请点击“违规举报”。

碎片内容

常用进口模具钢材一览表

您可能关注的文档

确认删除?
VIP
微信客服
  • 扫码咨询
会员Q群
  • 会员专属群点击这里加入QQ群
客服邮箱
回到顶部