电脑桌面
添加小米粒文库到电脑桌面
安装后可以在桌面快捷访问

常用集装箱规格VIP专享VIP免费

常用集装箱规格_第1页
1/6
常用集装箱规格_第2页
2/6
常用集装箱规格_第3页
3/6
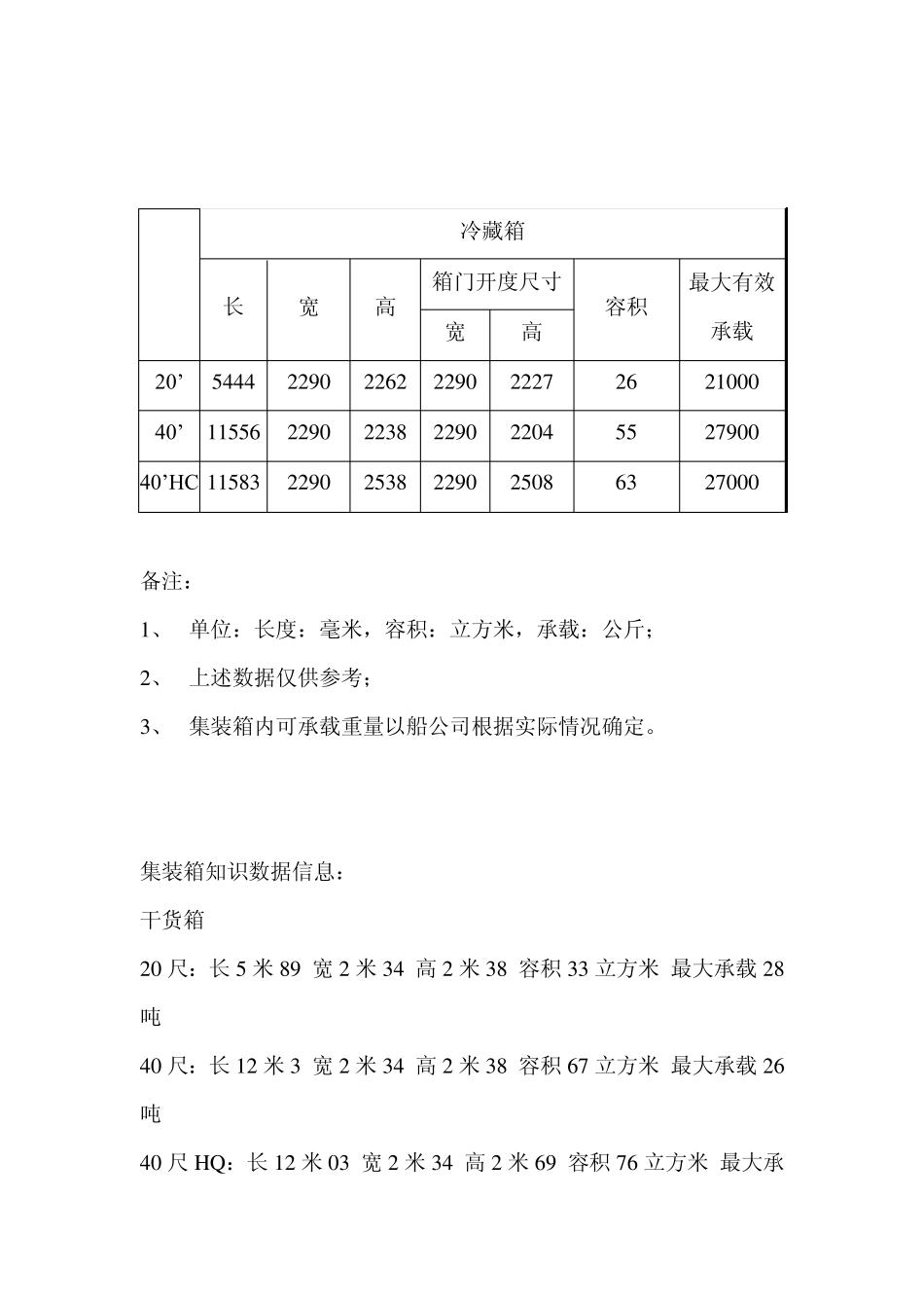
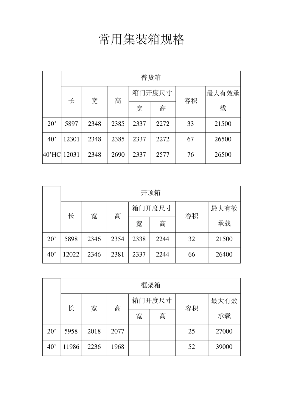
常用集装箱规格 普货箱 长 宽 高 箱门开度尺寸 容积 最大有效承载 宽 高 20’ 5 8 9 7 2 3 4 8 2 3 8 5 2 3 3 7 2 2 7 2 3 3 2 1 5 0 0 40’ 1 2 3 0 1 2 3 4 8 2 3 8 5 2 3 3 7 2 2 7 2 6 7 2 6 5 0 0 40’HC 1 2 0 3 1 2 3 4 8 2 6 9 0 2 3 3 7 2 5 7 7 7 6 2 6 5 0 0 开顶箱 长 宽 高 箱门开度尺寸 容积 最大有效承载 宽 高 20’ 5 8 9 8 2 3 4 6 2 3 5 4 2 3 3 8 2 2 4 4 3 2 2 1 5 0 0 40’ 1 2 0 2 2 2 3 4 6 2 3 8 1 2 3 3 7 2 2 4 4 6 6 2 6 4 0 0 框架箱 长 宽 高 箱门开度尺寸 容积 最大有效承载 宽 高 20’ 5 9 5 8 2 0 1 8 2 0 7 7 2 5 2 7 0 0 0 40’ 1 1 9 8 6 2 2 3 6 1 9 6 8 5 2 3 9 0 0 0 冷藏箱 长 宽 高 箱门开度尺寸 容积 最大有效承载 宽 高 20’ 5444 2290 2262 2290 2227 26 21000 40’ 11556 2290 2238 2290 2204 55 27900 40’HC 11583 2290 2538 2290 2508 63 27000 备注: 1、 单位:长度:毫米,容积:立方米,承载:公斤; 2、 上述数据仅供参考; 3、 集装箱内可承载重量以船公司根据实际情况确定。 集装箱知识数据信息: 干货箱 20 尺:长5 米 89 宽2 米 34 高2 米 38 容积33 立方米 最大承载28吨 40 尺:长12 米 3 宽2 米 34 高2 米 38 容积67 立方米 最大承载26吨 40 尺H Q :长12 米 03 宽2 米 34 高2 米 69 容积76 立方米 最大承载26 吨 开顶箱 20 尺:长5 米89 宽2 米34 高2 米35 容积32 立方米 最大承载21.5吨 40 尺:长12 米02 宽2 米34 高2 米38 容积66 立方米 最大承载26.4 吨 框架箱 20 尺:长5 米95 宽2 米01 高2 米07 容积25 立方米 最大承载27吨 40 尺:长11 米98 宽2 米23 高1 米96 容积52 立方米 最大承载39 吨 冷藏箱 20 尺:长5 米44 宽2 米29 高2 米26 容积26 立方米 最大承载21吨 40 尺:长11 米55 宽2 米29 高2 米23 容积55 立方米 最大承载27.9 吨 40 尺H Q :长11 米58 宽2 米29 高2 米53 容积63 立方米 最大承载27 吨 备注: 集装箱内可承载重量以船公司根据实际情况确定。 实际信息...

1、当您付费下载文档后,您只拥有了使用权限,并不意味着购买了版权,文档只能用于自身使用,不得用于其他商业用途(如 [转卖]进行直接盈利或[编辑后售卖]进行间接盈利)。
2、本站所有内容均由合作方或网友上传,本站不对文档的完整性、权威性及其观点立场正确性做任何保证或承诺!文档内容仅供研究参考,付费前请自行鉴别。
3、如文档内容存在违规,或者侵犯商业秘密、侵犯著作权等,请点击“违规举报”。

碎片内容

常用集装箱规格

确认删除?
VIP
微信客服
  • 扫码咨询
会员Q群
  • 会员专属群点击这里加入QQ群
客服邮箱
回到顶部