电脑桌面
添加小米粒文库到电脑桌面
安装后可以在桌面快捷访问

散装水泥车场调查报告VIP免费

散装水泥车场调查报告_第1页
1/7
散装水泥车场调查报告_第2页
2/7
散装水泥车场调查报告_第3页
3/7
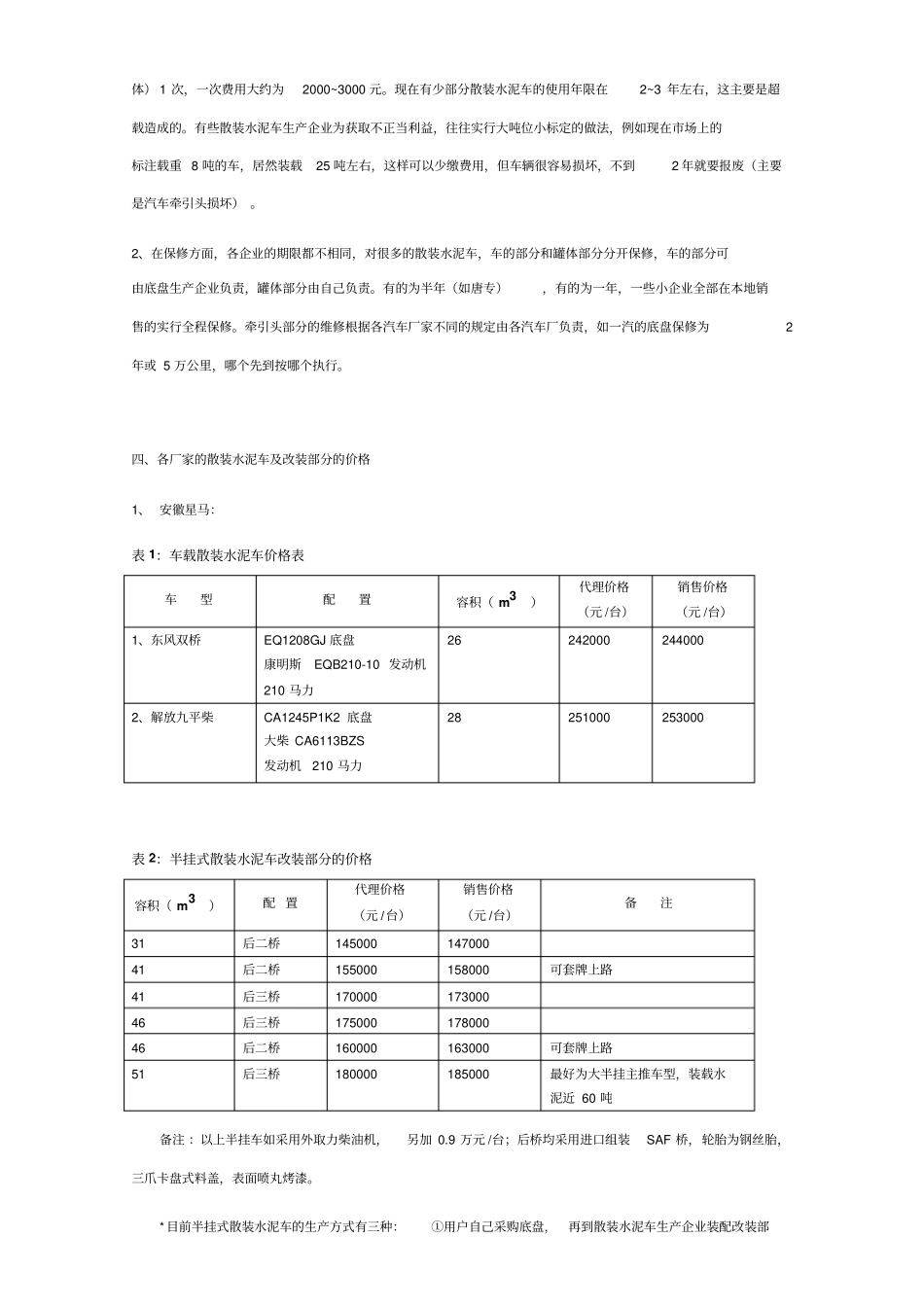
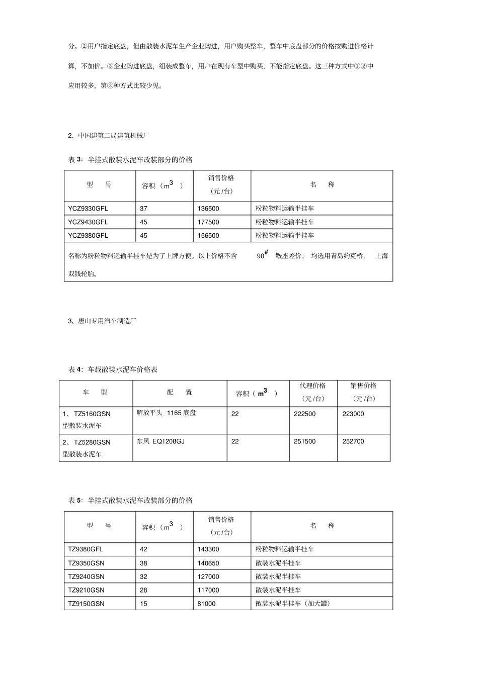
散装水泥车的市场调查报告启 特动力北京办事处用9 天时间( 9 月 29 日至 10 月 7 日)对河北省唐山地区的散装水泥车的市场情况进行了调研,共走访了一个水泥生产企业:冀东水泥有限公司,两个散装水泥车生产企业:中国建筑二局建筑机械总厂、唐山专用汽车制造厂,一个建筑企业:中国第二十二冶金建设公司,一个私人散装水泥运输车队,以及安徽星马公司的正在开拓唐山市场的销售人员。对目前散装水泥车的市场销售情况有了较全面地了解。一、调查唐山的散装水泥车市场的原因:唐山地区现有散装水泥车的专业生产企业2 个,唐山专用车制造厂的散装水泥车和混凝土搅拌运输车(两种车主要销往本地和北京)的产销量在全国均排在第4 位,另一个企业的散装水泥车的年产量为50 辆左右;水泥生产企业众多,如冀东水泥有限公司年产水泥产品约700 万吨,特别是去年收购三河(北京附近郊县)的水泥厂之后,供应北京市场的水泥已占到北京市场的10%,另外还有启新水泥公司、曙光水泥公司等几个有一定规模的水泥产品生产企业。图 1 二、散装水泥车的目标市场:1、目标市场 :主要是水泥运输车队(一般是私人的)、水泥生产企业(较大的企业有自己的运输车队)、较大的混凝土搅拌站(有属于建筑单位的,也有独立的)。其中专门的水泥运输车队占多数。建筑单位作为水泥的使用者在购买水泥时很少涉及运输问题,一般是由出售方负责运输。2、用途 :散装水泥车主要是向大城市和环保要求较严格的地区的建筑市场(主要是各混凝土公司的搅拌站)供应水泥时用。三、散装水泥车的使用年限1、在正常情况下,只要牵引头不坏,散装水泥车的罐体部分能用很多年。在正常使用下,这种正规散装水泥车能用 3 年以上时间,车罐体部分首次维修(或清理罐体)期大约为1 年,以后一年至少要维修(或清理罐体) 1 次,一次费用大约为2000~3000 元。现在有少部分散装水泥车的使用年限在2~3 年左右,这主要是超载造成的。有些散装水泥车生产企业为获取不正当利益,往往实行大吨位小标定的做法,例如现在市场上的标注载重 8 吨的车,居然装载25 吨左右,这样可以少缴费用,但车辆很容易损坏,不到2 年就要报废(主要是汽车牵引头损坏) 。2、在保修方面,各企业的期限都不相同,对很多的散装水泥车,车的部分和罐体部分分开保修,车的部分可由底盘生产企业负责,罐体部分由自己负责。有的为半年(如唐专),有的为一年,一些小企业全部在本地销售的实行全程保修...

1、当您付费下载文档后,您只拥有了使用权限,并不意味着购买了版权,文档只能用于自身使用,不得用于其他商业用途(如 [转卖]进行直接盈利或[编辑后售卖]进行间接盈利)。
2、本站所有内容均由合作方或网友上传,本站不对文档的完整性、权威性及其观点立场正确性做任何保证或承诺!文档内容仅供研究参考,付费前请自行鉴别。
3、如文档内容存在违规,或者侵犯商业秘密、侵犯著作权等,请点击“违规举报”。

碎片内容

散装水泥车场调查报告

您可能关注的文档

确认删除?
VIP
微信客服
  • 扫码咨询
会员Q群
  • 会员专属群点击这里加入QQ群
客服邮箱
回到顶部