电脑桌面
添加小米粒文库到电脑桌面
安装后可以在桌面快捷访问

数控车编程与加工考试试卷精美版VIP免费

数控车编程与加工考试试卷精美版_第1页
1/5
数控车编程与加工考试试卷精美版_第2页
2/5
数控车编程与加工考试试卷精美版_第3页
3/5
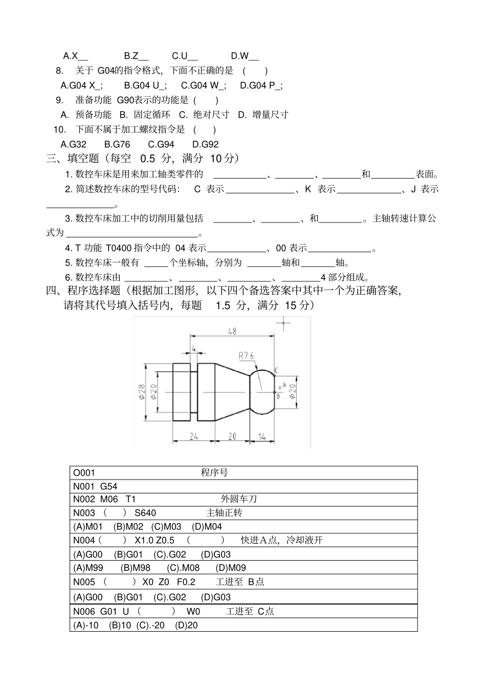
衢 州 中 等 专 业 学 校试 卷 封 面考 试 科 目:数控车床加工技术与编程考 试 时 间:2015.6.11 考试时间长度 : 1.5 小时参加考试班级 : 15 机电一体化出 卷 教 师:教研组长签字:教 务 处 签 字:审 批 时 间:衢州中等专业学校2015-2016 学年度第二学期期末试卷科目:《数控车》年级专业: 15 机电一体化出卷:审核:(考试说明:卷面考试,闭卷,考试时间为90 分钟)成绩登记表(由阅卷教师用红色笔填写)阅卷教师签名:大题号一二三四五六七总分得分一、判断题(每题1 分,满分 10 分)1. 精车削应选用刀尖半径较大的车刀片。()2. 车刀的后角愈大,愈适合车削较软的材料。()3. 编制加工程序应注意工件的形状、夹持状况、加工刀具及精度要求等。()4. 机械回零操作时,必须原点指示灯亮才算完成。()5. 软件插补的优点是速度快、精度高。()6. 判断刀具磨损,可借助观察加工表面之粗糙度及切削的形状、颜色而定。()7. 米制尺寸前附有“ ? ”符号表示直径。()8. 在数控车床上钻削中心孔时,若钻头静点偏离中心,即无法钻削。()9. 外圆车刀装得低于工件中心时,车刀的工作前角减小,工作后角增大。()10. 加工有偏心圆的工件时,应保证偏心圆的中心与机床主轴的回转中心重合。()二、选择题(每题2 分,满分 20 分) 1.下列关于数控机床组成的描述不正确的是()。 A. 数控机床通常由控制介质、数控装置、伺服系统和机床组成。 B. 数控机床通常由控制介质、数控装置、伺服系统、机床和测量装置组成。 C. 数控机床通常由穿孔带、数控装置、伺服系统和机床组成。 D. 数控机床通常由控制介质、测量装置、伺服系统和机床组成。 2.只在本程序段有效,下一程序段需要时必须重写的代码称为( )。 A. 模态代码 B.续效代码 C. 非模态代码 D.准备功能代码 3.间隙配合的特点是 : 孔的实际尺寸减轴的实际尺寸总是得( ). A. 可能是正也可能是负 B.正值 C. 负值 D.0 4.T代码控制机床各种 ( ) A. 运动状态B.刀具更换C.辅助动作状态D.固定循环 5.数控机床程序中, F100 表示 ( ) A. 切削速度 B. 进给速度C.主轴转速 D.步进电机转速 6.辅助功能 M03代码表示 ( ) A. 程序停止B.冷却液开C.主轴停止 D.主轴正转 7.法兰克系统中,数控车床的X 轴相对坐标表示为 ( )Z 轴相对坐标表示为 ( )_ 。 A.X__ B.Z__ C.U__ D.W__ 8.关于...

1、当您付费下载文档后,您只拥有了使用权限,并不意味着购买了版权,文档只能用于自身使用,不得用于其他商业用途(如 [转卖]进行直接盈利或[编辑后售卖]进行间接盈利)。
2、本站所有内容均由合作方或网友上传,本站不对文档的完整性、权威性及其观点立场正确性做任何保证或承诺!文档内容仅供研究参考,付费前请自行鉴别。
3、如文档内容存在违规,或者侵犯商业秘密、侵犯著作权等,请点击“违规举报”。

碎片内容

数控车编程与加工考试试卷精美版

您可能关注的文档

确认删除?
VIP
微信客服
  • 扫码咨询
会员Q群
  • 会员专属群点击这里加入QQ群
客服邮箱
回到顶部