电脑桌面
添加小米粒文库到电脑桌面
安装后可以在桌面快捷访问

2025年藻钙板施工说明VIP免费

2025年藻钙板施工说明_第1页
1/7
2025年藻钙板施工说明_第2页
2/7
2025年藻钙板施工说明_第3页
3/7
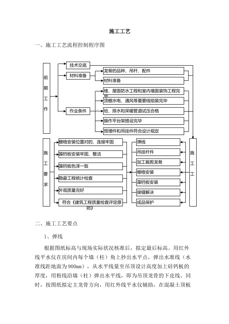
施工准备一、材料准备1、按照设计图纸规定选用的藻钙板,其品种、规格、质量应符合设计规定。进场材料应有出厂合格证。2、吊顶用的龙骨骨架和吊杆准备齐,并满足设计规定。3、配件:有花篮螺丝、射钉、自攻螺丝、膨胀螺丝等。二、施工机具准备电锤、钢排枪、切割机、角磨机、红外线平水仪、空压机、手锯、手电钻、螺丝刀、钢尺等。三、施工作业条件1、施工作业所用的材料准备好,特别是吊顶用的吊杆要提前焊接好。2、拟定消防、空调、强弱电、通信等全部设备管线及桥架安装到位,并办理完交接和隐检手续。管道系统要试水、打压完毕。3、提前完毕吊顶的排板施工大样图,拟定好喷淋、烟感、通风口及多个灯具等终端位置和大小。4、顶棚安装罩面板前必须完毕墙面、地面的湿作业分项工程。特别注旨在安装边龙骨前必须完毕墙面的找平(涉及墙面腻子或墙面砖等)。5、准备好施工的操作平台架子或可移动架子。6、在藻钙板吊顶大面积施工前,必须做样板间或样板段,对顶棚的起拱、灯槽、通风口、窗口的构造解决,分块及固定办法等应经试装并经鉴定合格后方可大面积施工。栅格安装位置对的、连接牢固藻钙板安装牢固、整洁隐蔽工程统计检查 符合《建筑工程质量检查评定原则》作业条件前期工作技术交底材料准备弹线栅格安装成品保护藻钙板安装接缝解决吊挂杆件加工裁剪龙骨施工工楼、屋面防水工程和室内墙面装饰工程完毕顶棚水电、通风等重要线组装完毕给、排水和采暖管道试压合格操作平台架搭设完毕预埋件和吊挂件符合设计规定龙骨的品种、吊杆、配件材料准备施工要求外观质量完好藻钙板色泽一致施工工艺一、施工工艺流程控制程序图二、施工工艺要点1、弹线根据图纸标高与现场实际状况核准后,拟定最后标高。用红外线平水仪在房间内每个墙(柱)角上抄出水平点,弹出水准线(水准线距地面为 900mm),从水平线量至吊顶设计高度加上硅钙板的厚度,用粉线沿墙(柱)弹出水平线,即为吊顶龙骨的下皮线。同时,按图纸拟定主龙骨方向,用红外线平水仪辅助,在混凝土顶板上弹出主龙骨的位置线。主龙骨应从吊顶中心向两边分,间距不能超出 1000mm。2、固定吊挂杆件弹好顶棚标高水平线及龙骨分档线后,拟定吊杆下端头的标高,按主龙骨位置及吊挂间距,固定吊挂件。3、龙骨安装与调平3.1 龙骨安装次序是先安装 UC50 或 UC38 轻钢主龙骨后安装铝合金配套龙骨。3.2 轻钢主龙骨普通采用 UC50 或 UC38 龙骨,吊顶轻钢主龙骨间距不超出 1200mm。安装轻钢主龙骨...

1、当您付费下载文档后,您只拥有了使用权限,并不意味着购买了版权,文档只能用于自身使用,不得用于其他商业用途(如 [转卖]进行直接盈利或[编辑后售卖]进行间接盈利)。
2、本站所有内容均由合作方或网友上传,本站不对文档的完整性、权威性及其观点立场正确性做任何保证或承诺!文档内容仅供研究参考,付费前请自行鉴别。
3、如文档内容存在违规,或者侵犯商业秘密、侵犯著作权等,请点击“违规举报”。

碎片内容

2025年藻钙板施工说明

读万卷书+ 关注
实名认证
内容提供者

各类经典PPT文档分享

确认删除?
VIP
微信客服
  • 扫码咨询
会员Q群
  • 会员专属群点击这里加入QQ群
客服邮箱
回到顶部