电脑桌面
添加小米粒文库到电脑桌面
安装后可以在桌面快捷访问

施工现场重大危险源与控制清单VIP免费

施工现场重大危险源与控制清单_第1页
1/13
施工现场重大危险源与控制清单_第2页
2/13
施工现场重大危险源与控制清单_第3页
3/13
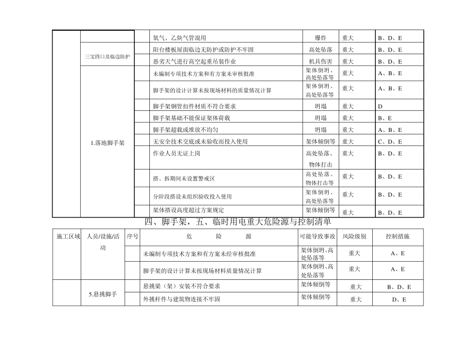
危险源识别及风险评价控制清单 北京希达建设监理有限责任公司 抚顺万达广场项目监理部 一、生活区,二、施工全过程,三、高处作业,四、脚手架重大危险源与控制清单 施工区域 人员/设施/活动 序号 危 险 源 可能导致事故 风险级别 控制措施 生活区 宿舍内私拉电线 触电 重大 B、C、D、 在床上吸烟或将未熄灭的烟头乱扔 火灾 重大 C、D、E 离开办公室或宿舍没有关闭用电设备电源 火灾 重大 D、E 食堂煤气、天然气泄漏 火灾爆炸 重大 B、D、E 1.方案措施管理 无施工组织设计(方案)安全技术措施 各类事故 重大 A、B、E 施工组织设计(方案)安全技术措施未经审批 各类事故 重大 B、D、E 未进行设计、方案、安全技术措施交底 各类事故 重大 B、C、D、E 2.队伍、人员 施工队伍和人员不具备相映资质从事活动 各类事故 重大 A、B、C、D 特殊工种和机操人员未经培训合格,未作到持证上岗 高处坠落/起重伤害/火灾 重大 C、D 未经许可随意拆改安全防护措施和设备 高处坠落 重大 B、C、D、E 作业人员不掌握安全技术操作规程 各类事故 重大 B、C、D 3.防火 动火无专人监护 火灾和爆炸 重大 B、C、D、E 防火重点部位不配备防火器器材 火灾和爆炸 重大 B、C、D、E 在易燃易爆处吸烟\动明火等 火灾和爆炸 重大 B、D 4.电焊气焊割施工 在带有压力的管件上施工 火灾和爆炸 重大 B、D 焊接无动火证或相关部门审批 火灾和爆炸 重大 C、D、E 氧气乙炔无防止回火装置 火灾和爆炸 重大 B、D、E 无二次侧空载降压保护器,或空载电压超标 触电 重大 D 5.场地和道路 危险部位和区域缺乏安全防护设施和警示标志 各类事故 一般/重大 B、D、E 6.化学危险品使用和储存 化学危险品未按规定存放使用(如:涂料、卷材等物质存放不符合规定,油漆库和稀料库房未分开存放) 火灾/爆炸 重大 A、B、D 氧气、乙炔气管混用 爆炸 重大 B、D、E 三宝四口及临边防护 阳台楼板屋面临边无防护或防护不牢固 高处坠落 重大 B、D、E 恶劣天气进行高空起重吊装作业 机具伤害 重大 B、D、E 1.落地脚手架 未编制专项技术方案和有方案未审核批准 架体倒坍、高处坠落等 重大 A、B、E 脚手架的设计计算未按现场材料的质量情况计算 架体倒坍、高处坠落等 重大 A、B、E 脚手架钢管扣件材质不符合要求 坍塌 重大 D 脚手架基础不能保证架体荷载 坍塌 重大 B、E 脚手架...

1、当您付费下载文档后,您只拥有了使用权限,并不意味着购买了版权,文档只能用于自身使用,不得用于其他商业用途(如 [转卖]进行直接盈利或[编辑后售卖]进行间接盈利)。
2、本站所有内容均由合作方或网友上传,本站不对文档的完整性、权威性及其观点立场正确性做任何保证或承诺!文档内容仅供研究参考,付费前请自行鉴别。
3、如文档内容存在违规,或者侵犯商业秘密、侵犯著作权等,请点击“违规举报”。

碎片内容

施工现场重大危险源与控制清单

您可能关注的文档

确认删除?
VIP
微信客服
  • 扫码咨询
会员Q群
  • 会员专属群点击这里加入QQ群
客服邮箱
回到顶部