电脑桌面
添加小米粒文库到电脑桌面
安装后可以在桌面快捷访问

潮湿敏感器件IC取用、储存规范NVIP免费

潮湿敏感器件IC取用、储存规范N_第1页
1/6
潮湿敏感器件IC取用、储存规范N_第2页
2/6
潮湿敏感器件IC取用、储存规范N_第3页
3/6
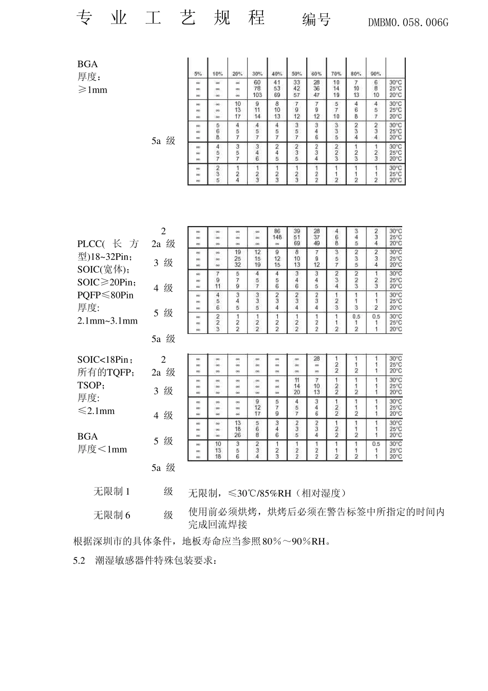
潮湿敏感器件IC 取用、储存规范 1、目的 规范潮湿敏感器件的管理、储存,在线取用、储存、烘焙和失效处理 ,避免潮湿敏感器件装焊、过回流焊时因器件体内潮气膨胀造成器件损坏。 2、适用范围 适用于生产现场、仓储、相关外协厂存储、使用的 2 级(含2 级)以上潮湿敏感器件的管理。 3、引用标准 IPC/JEDEC J-STD-033A Handling, Packing, Shipping and Use of Moisture/Reflow Sensitive Surface Mount Devices IPC/JEDEC J-STD-020B Moisture/Reflow Sensitivity Classification for Nonhermetic Solid State Surface Mount Devices 4、名词解释 4.1 Floor Life( 地板寿命):是指从干燥环境(如原封装袋)中取出至过回流焊,允许裸露于空气中的最长时间。若超过这个时间,必须进行烘焙处理后才能使用。 4.2 Shelf Life(货架寿命):是指在防潮包装袋中潮湿敏感器件可以存放的时间,若超过这个时间,必须进行重新干包装(DRY PACKING)处理。 4.3 MBB(防潮包装袋):Moisture Barrier Bag,该包装袋同时要满足 ESD 防护要求; 图一 潮湿指示卡 4.4 HIC(潮湿指示卡):Humidity Indicator Card, 放置在防潮包装袋内用来指示包装袋内湿度的卡片,需要满足 MIL-I-8835、 MIL-P-116,Method II 标准的要求。见图一所示。 4.5 MSID(潮湿敏感鉴定标签): Moisture Sensitive Identification,用来表示包装内物料为潮湿敏感器件的一种标签。见图二所示。 图二 潮湿敏感鉴定标 电子文件名:0058006G 签 4.6 MS Cau tion(潮湿敏感警告标签):Moisture Sensitive Warning Label,即防潮包装袋外的含MSID符号、芯片的潮湿敏感等级、密封存储条件、拆封后存放最长时间、受潮后烘烤条件以及包装袋本身密封日期的标签 。见图三所示。 图三 潮湿敏感警告标签 5、潮湿敏感器件的潮湿敏感等级、地板寿命和包装要求 5.1 潮湿敏感器件等级与地板寿命的关系: 封装类型和 厚度 潮湿敏感 等级 2 2a 级 3 级 4 级 PQFP>84Pin; PLCC( 正方型) ;所有的MQFP; 厚度: ≥3.1mm 5 级 专 业 工 艺 规 程 编号 DMBM0.058.006G BGA 厚度: ≥1mm 5a 级 2 2a 级 3 级 4 级 5 级 PLCC( 长方型)18~32Pin; SOIC(宽体); SOIC≥20Pin; PQFP≤80Pin 厚度: 2.1mm~3.1mm 5a 级 2 2a 级 3 级 4 级 5 级 SOIC<18Pin;所有的TQFP;TS...

1、当您付费下载文档后,您只拥有了使用权限,并不意味着购买了版权,文档只能用于自身使用,不得用于其他商业用途(如 [转卖]进行直接盈利或[编辑后售卖]进行间接盈利)。
2、本站所有内容均由合作方或网友上传,本站不对文档的完整性、权威性及其观点立场正确性做任何保证或承诺!文档内容仅供研究参考,付费前请自行鉴别。
3、如文档内容存在违规,或者侵犯商业秘密、侵犯著作权等,请点击“违规举报”。

碎片内容

潮湿敏感器件IC取用、储存规范N

确认删除?
VIP
微信客服
  • 扫码咨询
会员Q群
  • 会员专属群点击这里加入QQ群
客服邮箱
回到顶部