电脑桌面
添加小米粒文库到电脑桌面
安装后可以在桌面快捷访问

火电工程项目建设流程图VIP免费

火电工程项目建设流程图_第1页
1/9
火电工程项目建设流程图_第2页
2/9
火电工程项目建设流程图_第3页
3/9
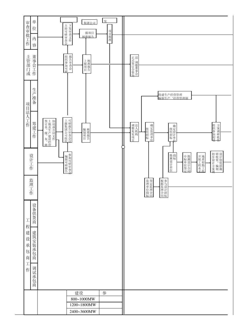
火电工程建设管理流程图 审查审批工作 单位 内容 董事会工作 主管部门或 项目法人工作 生产准备 筹建工作 设计工作 监理工作 工 程 建 设 承 包 商 工 作 设备供货商 建筑安装承包商 调试承包商 参考时间 建设规模 工作阶段 项目初可阶段 建设规模 参考时间 800~1000MW 1200~1800MW 2400~3600MW 集团公司 中长期建设计划 国家及省下达的 提出审查意见 组织初可审查会 成立董事会 投资比例 确定投资单位 上报投资决策材料 履行相应审批程序 召开投标决策委员会会议并批复意见开展可研工作 签定外部意向书 参加规划选厂 委托初可研究 研究电源点 并报主管部门 组织初可编制 织初可审查会议 上报集团公司组 织编制项目建议书 筹建项目法人机构 初可工作计划 研 究 件意向书 门研究外部条 点,与有关部 踏勘调研电源 行性报告 编制初步可 审查会 参加初可 审查审批工作 单 位 内 容 董事会工作 主管部门或 项目法人工作 生产准备 筹建工作 设计工作 监理工作 工 程 建 设 承 包 商 工 作 设备供货商 建筑安装承包商 调试承包商 参考时间 建设规模 工作阶段 可 行 性 研 究 阶 段 确定主体可研单位 组织招标 交通部 铁道部 环境影响报告书审批 铁路码头可研审批 国家环保局 电规总院 有关上级主管部门 发改委 接入系统设计审批 地水源水文报告审批 重大重大课题调研试验报告审批 组织参加铁路(码头)、接入系统、环保影响书、水源水文地质报告审查会 铁路(码头)可研报告 接入系统规划设计 组织铁路(码头)可研报告审查会议 组织电厂接入系统规划设计审查会议 编制环评大纲 环境测试 水源水文地质勘探试验 前期重大外委调查试验 编制水源水文地质评价报告 组织前期重大调研项目审查会议 编制环境影响报告书 组织环境影响报告书审查会议 组织水源水文地质报告审查会议 源水文地质报告等任务 入系统设计、环评、水 委托铁路(码头)、接 质外业工作 工程水文气象地 可行性研究阶段 地质报告 工程水文气象 编制可研阶段 投标 主体可研单位 合同 签订可研委托 审查审批工作 单 位 内 容 董事会工作 主管部门或 项目法人工作 生产准备 筹建工作 设计工作 监理工作 工 程 建 设 承 包 商 工 作 设备供货商 建筑安装承包商 调试承包商 建设规模 参考时间 800~1000MW 1200~1800MW 2400...

1、当您付费下载文档后,您只拥有了使用权限,并不意味着购买了版权,文档只能用于自身使用,不得用于其他商业用途(如 [转卖]进行直接盈利或[编辑后售卖]进行间接盈利)。
2、本站所有内容均由合作方或网友上传,本站不对文档的完整性、权威性及其观点立场正确性做任何保证或承诺!文档内容仅供研究参考,付费前请自行鉴别。
3、如文档内容存在违规,或者侵犯商业秘密、侵犯著作权等,请点击“违规举报”。

碎片内容

火电工程项目建设流程图

您可能关注的文档

确认删除?
VIP
微信客服
  • 扫码咨询
会员Q群
  • 会员专属群点击这里加入QQ群
客服邮箱
回到顶部